| Автор | Сообщение |
vitaliy89
Передовик
Сообщения: 1781
|
всем привет! чем можно заменить стабилитрон
mtzj33a ? в стеклянным корпусе на нем написано а
8. |
|
Ирина Слава
Передовик
Сообщения: 1040
|
| vitaliy89,это что лень, троллинг или способ жить "чужим умом",кода по любому поводу"краул!!! " . Да любым!!!!! стабилитроном мощностью 0.5 Вт ..Удивляюсь!?! |
|
birluk
Передовик
Сообщения: 2209
|
|
vitaliy89
Передовик
Сообщения: 1781
|
birluk, по ссылке вроде как написана 33v я таких не встречал а аналоги есть какие ? смотрел под микроскопом так это вообще маркировка А.В даже не написана на нем что он 30волт
https://ibb.co/MpRh05D
https://ibb.co/wpMMWRf
https://ibb.co/bH8ZFsK
ДОБАВЛЕНО 11/07/2021 01:12
Ирина Слава, я искал просто не нашел а каким любым стабилитрон у меня есть ln4148 я только не знаю какая у него мощность ! а ее 33волт гте такой взять стабилитрон ,если вы говорите мощности на 5ват и волт тогда сколько а если он будет 12волт не пойдет ? |
|
birluk
Передовик
Сообщения: 2209
|
vitaliy89, ln4148 и mtzj33a по твоему никакой разницы?  |
|
|
sifonOV
|
| КС531В пластик, Стабилитрон 31В при Iст=10мА, 0.5Вт |
|
Ирина Слава
Передовик
Сообщения: 1040
|
| vitaliy89, Zener Diode и Diode(стабилитрон и диод) .Назначение,прнцип работы ,различие.Находи в интернете -изучай-сравнивай.Аналогами твоего стабилитрона являются все!!!!стабилитроны на 33v, мощностью-0,5w и в корпусе-DO-34. 1N4148 'это обычный диод.Любовь к пайке подразумевает и теоретическую подготовку. |
|
|
sifonOV
|
| TL431 от 2,5 до 36 В при токах до 100 мА |
|
birluk
Передовик
Сообщения: 2209
|
| маины с кинескопников есть? Можешь собрать с нескольких стабов,последовательно соеденёных в цепочку. |
|
vitaliy89
Передовик
Сообщения: 1781
|
birluk, ну вот у меня есть даташит in4148 не совсем понятно сколько он волт ? он пойдет как аналог ?
1n4148.pdf 61.73 КБ Скачано: 147 раз(а)
|
|
birluk
Передовик
Сообщения: 2209
|
| vitaliy89, ну ты приколист... Нет не пойдёт. |
|
vitaliy89
Передовик
Сообщения: 1781
|
| Ирина Слава, тогда in4148 не подходит а как на них узнаешь что на нём 33v у меня есть ещё стабилитроны такие я точно что но 12в не подойдёт наверное как то я делал через резистор от 12 в проверял не помню на сколько ставил резистор а если 33в Нада стабилитрон то резистор на сколько ставить нужно ? |
|
birluk
Передовик
Сообщения: 2209
|
|
vitaliy89
Передовик
Сообщения: 1781
|
birluk, у меня только в основном на 5
12 волт в основном марка MTZJ10А он не подходит тогда Нада иди в магазин сказать нужно стабилитрон на 30в у чета и нет таких а где они бывают с такой мощностью ? |
|
birluk
Передовик
Сообщения: 2209
|
vitaliy89, MTZJ10А а кто сказал что это стаб на 5 или 12V? Три MTZJ10А последовательно = 30V, дальше догадаешься? Про старые майны, я зря спрашивал? |
|
n max
Модератор
Сообщения: 17613
|
| sifonOV писал: | | TL431 от 2,5 до 36 В при токах до 100 мА |
Написали вам подобрать делитель и можно на любое напряжение сделать стабилитрон-или рассчитать если осилите |
|
vitaliy89
Передовик
Сообщения: 1781
|
birluk, я такие покупал он на 10v маркировка на стабилитроне in4740 прочитал под микроскопом а в схеме пишут что такая марка mtzj 10a разве он до 30v ?на щет волт на нем не написана .
https://ibb.co/q94tsGk
https://ibb.co/DKRXV0W
https://ibb.co/QQN2gTs
ДОБАВЛЕНО 11/07/2021 15:13
n max, TL431 у меня есть такие а разве это не транзистор ? а у него 3 ноги как я его впояю одну ногу не выпаивать чтоле не понял не много .
он тоже до 30v ?
https://ibb.co/hc6r9Hy |
|
n max
Модератор
Сообщения: 17613
|
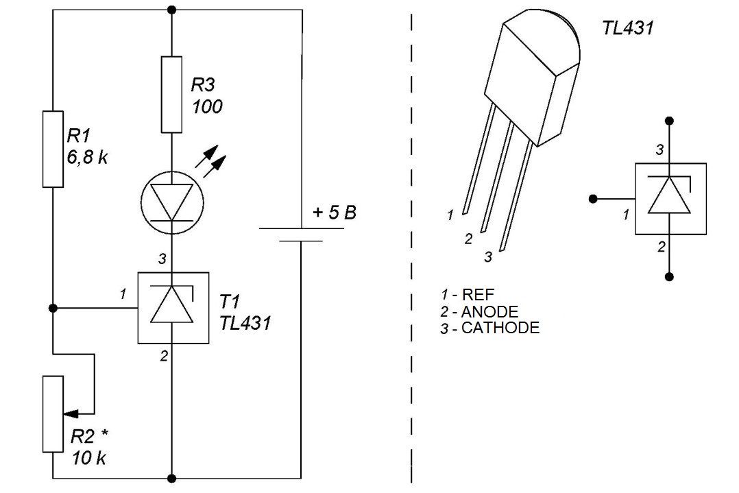
в 431 можно любое напряжение сделать от 2.5 вольт до 36.Даташит почитайте там написано.
ДОБАВЛЕНО 11/07/2021 12:32
где то так
TL_431-1.jpg 83.87 КБ Скачано: 183 раз(а)
|
|
vitaliy89
Передовик
Сообщения: 1781
|
n max, получается у него 2 и 3 нога котод анод эта значит 1 нога земля тоесть припочть 2.3 ногу и все правильно я понимаю ? а мне Нада что-то рассчитывать в маем случай выше написали что можно рассчитать то 2.3в ?
ДОБАВЛЕНО 11/07/2021 15:49
birluk, что не могу понять по датишиту мах до 12в иди я не правильно его читаю но 33в не увидел там .
.pdf 52.01 КБ Скачано: 203 раз(а)
|
|
n max
Модератор
Сообщения: 17613
|
| vitaliy89 писал: | n max, получается у него 2 и 3 нога котод анод эта значит 1 нога земля тоесть припочть 2.3 ногу и все правильно я понимаю ? а мне Нада что-то рассчитывать в маем случай выше написали что можно рассчитать то 2.3в ?
ДОБАВЛЕНО 11/07/2021 15:49
birluk, что не могу понять по датишиту мах до 12в иди я не правильно его читаю но 33в не увидел там . |
По этой схеме можно подстроечником накрутить столько сколько вам надо-потом впаять вместо него постоянный резик для надёжности.Расчёт делителя боюсь вы не осилите. |
|