| Автор | Сообщение |
|
dersp
|
Эта МС, через оптрон управляет ШИМом PN8160 адаптера питания аккумуляторного пылесоса, обеспечивая на выходе два напряжения - 25V и 29V. Прошу помощи у знатоков форума в её опознании.
Фото прилагаю.
0UTA.jpg 78.56 КБ Скачано: 413 раз(а)
|
|
AlexP
Передовик
Сообщения: 1146
|
|
|
dersp
|
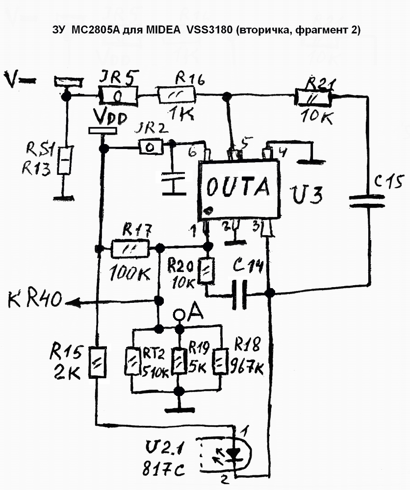
AlexP, это не ШИМ, по функциям она близка к TL431. Прикладываю фрагмент схемы вторички, на котором наглядно видно функционал этой МС.
Вскоре хочу открыть здесь тему, где приведу полную схему вторички этого адаптера, в состав которого, кроме этой МС, входит ещё и 16-ти ножка с обозначением KOP9986, на которую я также никакой информации в И-нете не нашёл и о которой здесь тоже поднял тему:
http://monitor.espec.ws/section27/topic329958.html.
На схеме видно, что резисторы R17, R18, R19 и RT2, составляют делитель, с которого на 1 ногу МС приходит напряжение с выхода адаптера, и этот вывод выполняет ту же функцию, которую у TL431 выполняет управляющий электрод. При таком составе делителя, на выходе адаптера напряжение составляет 25,6V. Когда в нижнюю цепь делителя, с помощью транзистора, управляемого вышеуказанной МС KOP9986, добавляется ещё один резистор (R40), на выходе появляется напряжение 29,6V.
| MC2805A.2.JPG |
| Описание: |
|
| Размер файла: |
367.6 КБ |
| Просмотрено: |
304 раз(а) |

|
|
|
AlexP
Передовик
Сообщения: 1146
|
dersp, ME4315 - это приложение SMPS, предназначенное для постоянного напряжения/постоянного тока.
высокоинтегрированные решения.
ME4315 содержит источник опорного напряжения 1,21 В ± 1 %,
Цепь измерения тока и два операционных усилителя. где источник опорного напряжения и
Благодаря операционным усилителям ME4315 идеально подходит для адаптеров питания и
зарядное устройство. Еще один опорный источник низкого напряжения и операционный усилитель делают ME4315
является идеальным ограничителем тока для измерения выходного тока. 36В вход и выход
Высокое выдерживаемое напряжение устраняет необходимость в понижающем стабилитроне во многих приложениях, эффективно эконом
Перевод с Китайского |
|
|
dersp
|
AlexP, прошу простить меня за невнимательность, а Вам - большое спасибо за настойчивость и за саму информацию. Это именно та МС, которая установлена в адаптере. К сожалению, данные на управляющую МС (KOP9986), которая передает данные на МК о напряжении на выходе адаптера, и принимает от него сигналы на переключение режимов адаптера, с помощью обсуждаемой в этой теме 0UTA (ME4315), мне до сих пор найти не удалось. Её корпус раскаляется, видимо одна из приёмных её цепей внутри пробита и не реагирует на команды МК.
Вообще, этот адаптер какой-то не от мира сего, мне, за мою многолетнюю практику, такой попался впервые. Мало того, что маркировка на корпусах обоих МС вторички какая-то необычная (обратите внимание на букву "О" в названии второй МС), так ещё эта МС намертво приклеена к плате таким клеем, который даже при 400 градусах не размягчается. При этом, все надписи на адаптере - на русском, а сам адаптер купить нигде невозможно.
Выкладываю здесь оба фрагмента вторички, может кому-то пригодится. На разъём адаптера от него уходит кабель из 3-х проводов , которые подключены к следующим контактным площадкам на плате адаптера: V+, V- и SIG V-V+ (информационный, выведен на "иглу" разъёма).
Тему по этому БП наверное поднимать не буду, т.к. хозяин пылесоса забрал его у меня, решив отнести к другому мастеру.
| MC2805A.1.JPG |
| Описание: |
|
| Размер файла: |
385.13 КБ |
| Просмотрено: |
604 раз(а) |

|
| MC2805A.2.JPG |
| Описание: |
|
| Размер файла: |
367.6 КБ |
| Просмотрено: |
234 раз(а) |

|
|
|
|
DUMOV
|
|

|