| Автор | Сообщение |
|
Anatoliy_Hamrad
|
Добрый день!
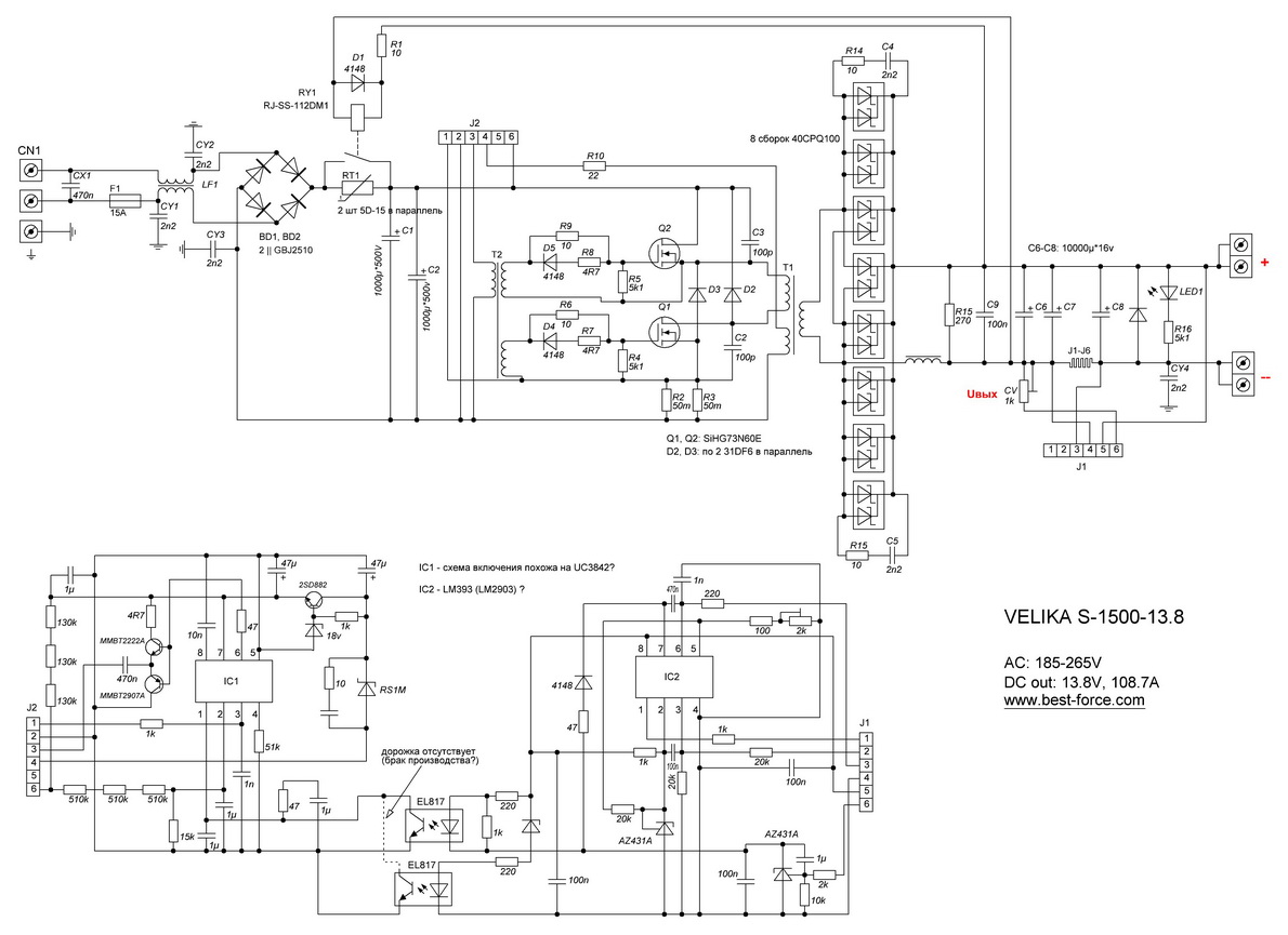
Коллега-радиолюбитель принёс починить мощный БП Velika S-1500-13.8: не включается.
Разобрал, осмотрел - ничего плохого. Схемотехника не сложная - за вечер нарисовал схему. На управляющей плате есть две микросхемы в корпусах SO-8 с полностью спиленной маркировкой. Глядя на схему, IC2, вроде как, похожа она на LM393 - тут , думаю, вопросов нет. А вот IC1 - что-то вроде UC3842. Но смутил момент с отсутствием частотозадающей ёмкости на выв.4. Подал внешнее питание - на выв.8 (Uref) нет вообще ничего, генерации на выв.4 и 6 - нет. В качестве эксперимента подбросил заведомо исправную UC3842 - генерации нет.
Соответственно, вопрос к уважаемому сообществу: помогите опознать ШИМ IC1 - что за зверёк такой может быть?..
Спасибо!
Velika S-1500-13.8.JPG 166.72 КБ Скачано: 327 раз(а)
|
|
|
Anatoliy_Hamrad
|
Вроде бы нашёл нечто очень похожее: NCP1252
Что скажете?
NCP1252.pdf 239.12 КБ Скачано: 173 раз(а)
|
|
|
Vishne-aleksandr
|
| По схеме очень похоже. У микросхем ШИМ есть особенность не включаться при определённом питающем их напряжении. У NCP1252 эти напряжения 10,6 или 14,9 Вольт в зависимости от версии исполнения. |
|
|
Anatoliy_Hamrad
|
Добрый день!
Спасибо за ответ. Приобрёл 1252A (просто были в наличии) - они запускаются от 9В, судя по даташиту.
Впаял - БП не запустился. Стал разбираться дальше и обнаружил пробитый MMBT2907. Временно заменил установленную пару 2907/2222 на 3904/3906 - БП запустился, выдал 13,9В. Но работает "рывками" - слышно по "цыканью" из трансформатора и нестабильной осциллограмме. Установил обратно "затёртыш" - БП запустился, работает ровно, осциллограмма стабильная.
На просторах интернетов нашёл ещё один возможный, подходящий по схеме включения, ШИМ - SC3152. Думается мне, что мой "затёртыш" он и есть. Зверёк оказался редким, даже для алиэкспресса. В общем, заменю транзисторы на более мощные (39-е слабее пары 29/22) - в наличии есть BC807/817 - и отдам БП владельцу.
Спасибо! |
|

|