| Автор | Сообщение |
Бакум
Рождённый в СССР
Сообщения: 12732
|
|
goga_tv
Фанат форума
Сообщения: 4857
|
|
|
Alex_33
|
|
force-13
Завсегдатай
Сообщения: 473
|
|
|
Alex_33
|
| force-13 писал: | | Меняется без проблем. |
ОК, отпишусь как заменю.. |
|
киев
Прислонившийся
Сообщения: 6953
|
| Бакум, врёт этот даташит, ужель сам до сих пор не убедился? Аналог полный. |
|
|
Alex_33
|
Полный аналог! После замены сразу все пошло, изображение в норме.
Итак, смело добавляем в уравнение:
LA78040=LA78041=TDA8172=STV9302A=TDA9302H = D78041
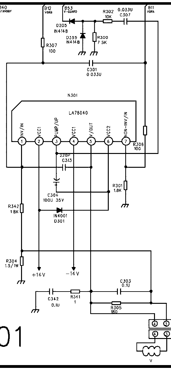
Вот правильная цоколевка и схема включения.
ДОБАВЛЕНО 30/09/2014 10:07
Кст, мож кому пригодится - в моем случае у D78041 было к.з. между выводами 4,5. Из-за этого БП не запускался, т.к. коротило -14В через кадровую катушку на землю (по схеме через R304). Также был найден утерявший емкость кондер 100х35 (С304 по схеме), может из-за этого и навернулась мсх. На выводах VCC/GND +13/-13В соответственно.Обкатка 3 часа без замечаний и перегревов. Отдано клиент доволен.
Спасибо всем за советы! 

LA78041-pinout1sch.gif 15.07 КБ Скачано: 2160 раз(а)
|
|
eduard2
Модератор
Сообщения: 4783
|
Alex_33,| Цитата: | | LA78040=LA78041=TDA8172=STV9302A=TDA9302H = D78041 | -забыл ещё добавить UTC78041 | Цитата: | | в моем случае у D78041 | -'это маркетинговое название микрухи - её полное название CD78041CZ=LA78041, .( это у меня из каталога )

|
|
|
Alex_33
|
Мне попалось что-то вроде этого:

|
|
eduard2
Модератор
Сообщения: 4783
|
Alex_33, ты по китайски понимаешь на твоём фото лого вот этой конторы ( из моего каталога) 无锡华润华晶微电子有限公司
WUXI CHINA RESOURCES HUAJING MICROELECTRONICS CO. LTD | Цитата: | | 'это маркетинговое название микрухи - её полное название CD78041CZ | мне ,что шиты на сайт залить CD78041CZ (D78041) UTC78041 P.S--Вот их оффсайт CRHJ.Ltd (вот и посмотри на ихнее лого и сопоставь со своим на твоей микрухи) вот поcмотри залил твою CD78041CZ (D78041) http://archive.espec.ws/section599/file31756.html |
|
|
Alex_33
|
Согласен. Хорошо еще что эти бабочки не на маркировке - пришлось бы учить китайский  |
|
|
норис
|
Нужен даташит на кадровою LA78040-45
с однополярным питанием |
|
Yuritsh
Фанат форума
Сообщения: 18498
|
|
|
gadenishgsm
|
тема старая, но всё про тоже. Поделюсь опытом. У меня аналогичная проблема, но замена обратная - TDA4863AJ (TDA4863A) замена, аналог на TDA9302H и аналогичные с дифференциальным входом.
Соответствие ног TDA4863 (TDA9302) 1(2), 2(3), 3(6), 4(4), 5(5), 6(1), 7(7). Полезно между ногами 4 и 7 TDA9302 для устранения возбуждения (подергивания) поставить конденсатор 150-1000 пф.
Переделка работает как родная - размеры в норме, греется не сильно.  |
|
|
Sergej103
|
| ... для устранения возбуждения (подергивания) поставить конденсатор 150-1000 пф. ... между 1 и 7 ногами TDA9302. |
|
|
СВЯЗИСТ28
|
| gadenishgsm писал: | тема старая, но всё про тоже. Поделюсь опытом. У меня аналогичная проблема, но замена обратная - TDA4863AJ (TDA4863A) замена, аналог на TDA9302H и аналогичные с дифференциальным входом.
Соответствие ног TDA4863 (TDA9302) 1(2), 2(3), 3(6), 4(4), 5(5), 6(1), 7(7). Полезно между ногами 4 и 7 TDA9302 для устранения возбуждения (подергивания) поставить конденсатор 150-1000 пф.
Переделка работает как родная - размеры в норме, греется не сильно.  |
| Цитата: | | ... для устранения возбуждения (подергивания) поставить конденсатор 150-1000 пф. ... между 1 и 7 ногами TDA9302. |
Спасибо огромное,очень хорошо помог совет.Только я правда что ставил,что не ставил конденсатор на 1000пф без изменений,самовозбуждения нету без отсутствия конденсатора,но все равно его впаял на всякий случай на 1 и 7 ногу микросхемы.  |
|
|
MASTER1111
|
| Привет . Такая микруха тоже у меня попался . TDA 4863А можно ли приделовать на LA7840 ? |
|
|
setyrun9094
|
| недавно появившаяся улучшенная la78041 (china) прекрасно работает и не греется даже на 29 дюймовых.стоит на али 0.30$/ |
|
|
Wwxxd
|
| поставил TDA9302В и (обязательно) кондёр 470p между 1 и 7 ногой и спасибо за тему так как у нас не рабочие продаются за 45 гр!!!!! |
|
|
fil248
|
| Я вместо LA78141поставил LA78041... Думаю что и LA78040 тоже заработала бы. Честно говоря думал что и нет уже таких ТВ, а нет, несут, так что информация нужная |
|