| Автор | Сообщение |
|
Zaika
|
РЕС глобо 4100 ШИМ без названия(нет надписи).как опознать?
БП ЕМ-ВП408.
1 нога -кондер на корпус(-)
4-5 на транс
3 резюк на (-)
6 не применяется
8 -(-)
7-резисторі на (+ пит) |
|
bav
Завсегдатай
Сообщения: 596
|
|
|
syrko
|
|
bav
Завсегдатай
Сообщения: 596
|
| syrko, ты сам хоть посмотрел подходит ли? Или тебе по барабану? |
|
|
Zaika
|
syrko, Такие схемы и ШИМ есть ,наверное китайцы уже ставят м/с без обознач.?
С ресами работаю,это первый случай! |
|
Yaroslav
Передовик
Сообщения: 2188
|
| Zaika, чем тебя не устраивает сообщение от bav (первое)? |
|
|
aleoni
|
| Zaika, ICE2B265 ,ICE2B0565 |
|
Rostyk.07
Передовик
Сообщения: 2302
|
|
sattel
Завсегдатай
Сообщения: 544
|
| Выложите фото блока питания |
|
RAMMER
Передовик
Сообщения: 1027
|
| aleoni писал: | | Zaika, ICE2B265 ,ICE2B0565 |

|
|
sattel
Завсегдатай
Сообщения: 544
|
| Дополню о шим в Globo4100c - SW8603 |
|
RAMMER
Передовик
Сообщения: 1027
|
| sattel писал: | | Дополню о шим в Globo4100c - SW8603 | sattel , для чего эта информация , если у SW8603 цокалёвка совершенно другая
1 SGND
2 PGND - MOSFET
3 VCC -
4 FB I/O
5 NC
6,7,8 Drain
Ведь
| Zaika писал: | РЕС глобо 4100 ШИМ без названия(нет надписи).как опознать?
БП ЕМ-ВП408.
1 нога -кондер на корпус(-)
4-5 на транс
3 резюк на (-)
6 не применяется
8 -(-)
7-резисторі на (+ пит) |
УЖ если предлагать замену то тогда уж ICE3B1065


|
|
sattel
Завсегдатай
Сообщения: 544
|
| Я написал не замену ,а какие бывают в блоках питания. |
|
|
aleoni
|
| RAMMER писал: | | aleoni писал: | | Zaika, ICE2B265 ,ICE2B0565 |
| Я прав или нет ? |
|
RAMMER
Передовик
Сообщения: 1027
|
| aleoni писал: | | ICE2B0565.....Я прав или нет ? | а сам как думаешь ... |
|
|
Zaika
|
RAMMER, Именно такой БП в рес..я срисовал такую же сх.!.На других форумах по морде реса (Q-sat)
в нем примен. ICE3B1065 уже заказал ШИМ.Если привезут буду добавлять резюк,а нет так поищу ICE2A365.
Благодарен!!Сделаю отпишусь-а замена 365-й какая ? ОК ! |
|
|
aleoni
|
RAMMER писал : а сам как думаешь ...
RAMMER Вопрос на вопрос ? Схемы Samsung DSB-S300V и DSB-9401V(cable) помнишь ? |
|
RAMMER
Передовик
Сообщения: 1027
|
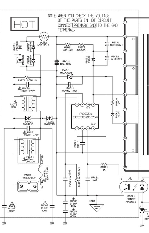
| Цитата: | | RAMMER Вопрос на вопрос ? Схемы Samsung DSB-S300V и DSB-9401V(cable) помнишь ? | зачем их помнить , их всегда посмотреть можно DSB-S300V или вот эту DSB-S300G
ICE3B2065P.jpg 87.22 КБ Скачано: 2691 раз(а)
|
|
|
aleoni
|
RAMMER, А реально там стоит ,не то что написано в мануале не знаешь ты "потроха" Samsung-а |
|
Yaroslav
Передовик
Сообщения: 2188
|
Ну вас и унесло Я думаю "производитель" пихает в девайс то, что под рукой (БП целиком), лишь бы выходные напряжения соответствовали. А на мануалы ему наплевать. |
|