| Автор | Сообщение |
НПР
Передовик
Сообщения: 1034
|
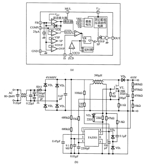
Телик не дает никаких признаков жизни,начал с проверки блока питания,сетевой предохранитель цел,напряжение на фильтрующих конденсаторах по сети есть+267В,на выходе БП если я правильно понял стоит полевик SD20N60 на затворе которого ничего не наблюдается,с обратной стороны платы стоит маленькая микруха(8ног) 5501А,запуск БП осуществляется от нее если я правильно понимаю,или может я чтото ишо пропустил,схемы естественно нет,могу выложить фотки плат.
Фото подредактировал B.B. . Дополни тему моделью матрицы и названием процессора, а также укажи на чем собран инвертор..



|
|
|
Наёмник
|
|
|
B.B.
|
| НПР писал: | | стоит маленькая микруха(8ног) 5501А,запуск БП осуществляется от нее если я правильно понимаю |
Сравни с этой
2010-05-20_125626.jpg 72.1 КБ Скачано: 2826 раз(а)
|
|
НПР
Передовик
Сообщения: 1034
|
| скажите пожалуйста,обнаружил я такие элементы (KIA431A)это источники опорного напряжения?их в схеме 4-ре штуки,на трех которых по прибору почти КЗ на всех трех ногах,обозначение на плате U103-201-202,можно ли поставить TL431. |
|
|
B.B.
|
| Цитата: | | можно ли поставить TL431. |
Можно. |
|
|
ШЕФ3
|
НПР, Да можно, производители разные вот и вся разници . |
|
НПР
Передовик
Сообщения: 1034
|
заменить заменил,все тоже самое,не заводится,нету питания на 8-й ноге микрухи 5501А,и на микрухе FAN7382 первая нога,скачал сервис мануал который дал Наемник БП чтото я там не обнаружил |
|
|
B.B.
|
| НПР писал: | | БП чтото я там не обнаружил | Нет схемы БП там и не будет.. Только умение, знания и труд.| НПР писал: | | не заводится,нету питания на 8-й ноге |
Ты смотрел откуда оно идет и почему его нет? |
|
НПР
Передовик
Сообщения: 1034
|
а кто подскажит че за зверь такой трех ногий (1N50C),в инете толком ничего по нему не найду,увидел только что какойто ограничитель,а что это за ограничитель ,както странно получается,на среднюю ногу 1N50C через резюк 68 кОм 2 Вт идет+267В,перед резюком напруга есть после резюка нима,резюк нормальный,КЗ после резюка нету  |
|
|
B.B.
|
| НПР писал: | | а кто подскажит че за зверь такой трех ногий (1N50C),в инете толком ничего по нему не найду, |
Плохо искал.| НПР писал: | | увидел только что какойто ограничитель | ?????

FQN1N50C.pdf 1015.94 КБ Скачано: 1026 раз(а)
|
|