| Автор | Сообщение |
|
ValentinSA
|
| Спасибо CHETLAN, завтра буду пробовать. |
|
Captain
Передовик
Сообщения: 1481
|
| Цитата: | | Непонятно можно безболезненно ставить TPS65160 вместо TPS65160A ,может у кого есть опыт. |
типа у тебя есть выбор? отличие то в граничных режимах когда МС уходит в аут. В лудшем случае незаведется. При запуске контролируй токи.
| CHETLAN писал: | | Поставь и матрицу пока не подключай, замерь напруги. |
CHETLAN, имел ввиду что стекло к ткону не подключай. А то мерить на отключеном тконе напруги напряженно будет  |
|
|
ValentinSA
|
| Микросхему установил ,но результат не обрадовал. Потребление 30-40 ма ,матрицу не подключал, Vвх -13v вых -13v должно 17v, вместо 3.3v -0.3v. Диод после дросселя проверил не пробит. Сопротивление шины 3.3v - 10 ом. Видимо там проблема, буду смотреть какие мс подключены к этой шине. Уже заказал плату 4046HDCM4LV0.2 для матрицы LTA400WT-L06 ,если получу ,результат сообщу. |
|
CHETLAN
Передовик
Сообщения: 1296
|
| ValentinSA писал: | | вместо 3.3v -0.3v. Диод после дросселя проверил не пробит. Сопротивление шины 3.3v - 10 ом. Видимо там проблема, буду смотреть какие мс подключены к этой шине. | А ты что при отпаянной микросхеме по выходам не вызванивал что ли? Может запаял криво? |
|
|
ValentinSA
|
| Прозвонил ,но на эту цепь не обратил внимания (10 ом -3.3 в -0.3 ампера?), пока жду новую плату. |
|
CHETLAN
Передовик
Сообщения: 1296
|
| ни че не понял, по 3,3 вольтам не вызванивал без микры? |
|
|
ValentinSA
|
| 10 ом без микросхемы , здесь я лоханулся , подумал для трех вольт может нормально. |
|
CHETLAN
Передовик
Сообщения: 1296
|
| подай вольта 2,5 с током 1.5-2 ампера по этой цепи и пальцем найди что греется. |
|
|
melnikovoa
|
| могу дать адресок там есть на LCD блоки питания, материнки и т.д |
|
CHETLAN
Передовик
Сообщения: 1296
|
| melnikovoa, могу дать адресок сам возьмешь или кого пришлешь? |
|
|
ValentinSA
|
| Получил новую плату ,установил видео есть .Осталась еще одна проблема ,мигает подсветка с частотой примерно два раза в секунду. В сервисе выставлял READY ON , OFF , меняется только яркость подсветки , буду разбираться дальше.Подсветка мигала и без T-CON. |
|
|
1968oleg
|
Сегодня был у клиента, дефект точно такой, вот только DC/DC ( у меня ISL 97650) кажется работает. 3.3v в норме, а вот AVDD - 14.95v при входном
13.2v. Память трогать смысла нет, даже каналы сохранены. Подсветка мерцает. 1.2v отлично. При отключенной матрице-14.95v. Не промерял за комутационным полевиком - может там 0. Но подсветка мерцает. Напиши чем история закончилась. |
|
CHETLAN
Передовик
Сообщения: 1296
|
| 1968oleg, ты в своем уме, со своим текстом? |
|
|
1968oleg
|
| Текст как текст. Дефект - конденсаторы, мерцающая подсветка, отсутствие изображения и графики. Я не новую тему создаю. Тема не решена, не закрыта и не стара. Просто хочу узнать у ValentinSA чем закончился ремонт. Всех с праздником! Удачи! |
|
|
ValentinSA
|
Извините за долгое отсутствие . Телевизор был отставлен ,быстро разобраться с подсветкой не удалось
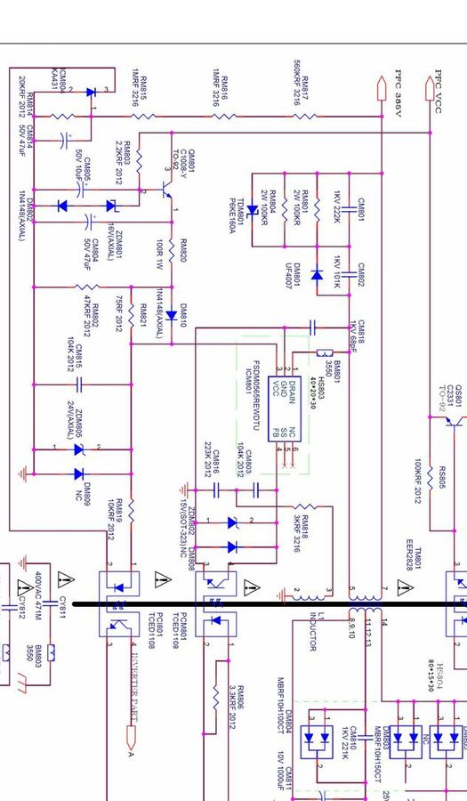
так как алгоритм поиска неисправности не очень понимаю. Вчера занялся после долгого перерыва. Инвертор собран на мс LX1691A. Проверил режим мс, питание в норме,других изменений режима синхронных с морганием явно не видно. Думаю это связано с 9 pin LX1691A (ENABLE). При замыкании B-E QI804 подсветка включается и работает нормально примерно одну минуту,потом снова моргает.Такой же эффект при кратковременном замыкании точки А на массу (оптрон PCI801)назначение этой цепи мне не понятно.Далее при имерении на управляющем выводе тиристора ,подсветка работает,обратил внимание что конденсатор CM814 47 mkf не установлен , место для него есть,установил ,телевизор включился моргнув несколько раз. Теперь при включении из дежурки подсветка включается нормально.После полного выключения сети включается с морганием. Буду благодарен если кто может помочь советом.
Фрагменты схем .
LX1691.jpg 74.27 КБ Скачано: 2131 раз(а)
PC1801.jpg 77.44 КБ Скачано: 2035 раз(а)
|
|
CHETLAN
Передовик
Сообщения: 1296
|
| ValentinSA писал: | | (оптрон PCI801)назначение этой цепи мне не понятно. | он завязан на корректор мощности,PFS в норме? электролиты на ESR? |
|
|
ValentinSA
|
| Сетевые электролиты менял временно (небыло низких), остальные заменил тупо все. Есть просадка PFS 2-3 вольта при запуске инвертора и при моргании, видимо это и фиксирует KA431 . Сейчас тв работает закрытый.погоняю день потом попробую заменить KA431 и удалить CM814 (как было раньше). |
|
CHETLAN
Передовик
Сообщения: 1296
|
| ValentinSA писал: | | Есть просадка PFS 2-3 вольта при запуске инвертора и при моргании, видимо это и фиксирует KA431 | чем замерял? 2-3 вольта на PFS 431 не почувствует. |
|
|
ValentinSA
|
| Мерял простым мультиметром M890F , завтра проверю осцилографом С1-125 ,подключать его некомфортно к горячей стороне а на портативный ,акамуляторный, еще не заработал. |
|
CHETLAN
Передовик
Сообщения: 1296
|
| все питание на инверторе тоже осликом глянь. |
|