| Автор | Сообщение |
Морозик
Передовик
Сообщения: 2380
|
TV "Toshiba" 20JL7R.
Main gm 2221-LE
Тюнер EC981w1
Инвертор собран на OZ960SN,LM358,4-x 4606,
12 трансов и 6 ламп. Пришел в ремонт без засветки, но со звуком и
без срабатывания защиты.После осмотра выяснилось-пробит один
транзистор в сборке U2 (4606) и сгоревшие предохранители F1 и 2.
После замены U2 на IRF7319 и предохр. и обеих электролитов,включил питание. Тут же выбило основной пред 5А на БП по 19в пробилась U4 (4606) в другой секции. Установил. При включении и при переключении каналов на секунду зажигаются лампы.
Замечено что амплитуда напряжения на 3 х лампах второй секции значительно меньше, чем на лампах первой секции.
На каждую секцию работают по 2сборки и 6(!) трансформаторов.
Омметром разницы не обнаружено....
При подачи пониженного напряжения питания 17-18В (вместо 19В) на инвертор от внешнего БП защита не срабатывает. Размах сигналов одинаков, но при этом далеко не синусоида, как прежде, а всплески какие-то но свечение экрана достаточное.
----------------------------------------------------------------------------------------------------------
Обнаружена утечка в сборке... : 

|
|
|
B.B.
|
| Морозик, тему дополняем согласно правил. |
|
Морозик
Передовик
Сообщения: 2380
|
| Стоит только написать,...как мысля пришла. Утечка канала транзюка в сборке браковной секции. |
|
Captain
Передовик
Сообщения: 1484
|
| Морозик писал: | | Стоит только написать,...как мысля пришла. Утечка канала транзюка в сборке браковной секции. |
может еще проще? |
|
|
B.B.
|
| Морозик писал: | | Утечка канала транзюка в сборке браковной секции. |
Саша, переведи на нормальный язык эту фразу, т.к. ты пишешь, что| Морозик писал: | | При подачи пониженного напряжения питания 17-18В (вместо 19В) на инвертор от внешнего БП защита не срабатывает. | Где именно этот транзистор стоит ? |
|
Морозик
Передовик
Сообщения: 2380
|
B.B.,Привет!
Увы при ремонте не все поддается формализации... Например, я запитал инвертор от внешнего источника, но при этом сам телевизор работал от штатного БП. А нагрузка на него теперь по 19 в ослаблена.....Возникает (в моем случае) реалаксация БП.. и т.д. Без бутылки не описать. Все забыли.!!!!!
------------------------------------------------------------------------------
На сей момент имеем.:
1.После замены полевой сборки 4606 U2 (ключ, управляющий импульсным трансформатором) и предохранителей произошел вылет (оба транзистора пробились) сборки U4. Случайно?
2. После замены U4 на новую сгорает предохранитель в ее цепи
3. После установки предохранителя и танцев с бубнами (см. выше),обнаруживается утечка одного из транзисторов этой (U4) сборки. Случайно?
Пока нет в наличии новой сборки. |
|
KRAB
Распугиватель клиентов
Сообщения: 21704
|
| Морозик писал: | | Пока нет в наличии новой сборки. | - на материнках и т.п. поищи пару полевиков и ОК ...  |
|
Морозик
Передовик
Сообщения: 2380
|
KRAB, Один с Р-каналом, а другой с N-каналом?  |
|
|
B.B.
|
| Саня, ищи аналоги из серии IRFxxxx |
|
Captain
Передовик
Сообщения: 1484
|
| Морозик писал: | На сей момент имеем.:
1.После замены полевой сборки 4606 U2 (ключ, управляющий импульсным трансформатором) и предохранителей произошел вылет (оба транзистора пробились) сборки U4. Случайно?
2. После замены U4 на новую сгорает предохранитель в ее цепи
3. После установки предохранителя и танцев с бубнами (см. выше),обнаруживается утечка одного из транзисторов этой (U4) сборки. Случайно?
Пока нет в наличии новой сборки. |
| Captain писал: | | может еще проще? |
у тебя в сборках повыгорало управление по затворам. это уже давно стало классикой. Смотри малоомные резисторы, диоды что на этих цепях.
преды горят потому что открываются одновременно 2 канала (один по затвору болтается).
по заменам есть очень много предложений, смотри здесь. Замена не критична, смотри подобные посты. |
|
Морозик
Передовик
Сообщения: 2380
|
IRF7319 я (как и все реальные пацаны) ставлю вместо 4606, через неделю обещали привести.
Но вот обзор интернета не порадовал. Как-то начинают сборки лететь......и темы обрываются. пропайка ламп...электролиты.
Captain, новое направление поиска поиска задал....  |
|
Captain
Передовик
Сообщения: 1484
|
|
tit7861
Сам по себе
Сообщения: 2750
|
| Морозик писал: | | 12 трансов и 6 ламп |
12 трансов на 12 ламп. Холодные концы ламп на противоположной стороне соединяются вместе и выводятся тонким проводком на боковой разъем инвертора.
Низкоомные резисторы в затворах полевиков вылетевших сборок лучше менять не прозвания сразу, чтобы избежать дальнейших непоняток, ибо к томуже и стоят они копейки. Возможно придется менять и OZ960SN, вообще в этом корпусе чаще всего приходилось это делать и пару раз в этом инверторе. |
|
KRAB
Распугиватель клиентов
Сообщения: 21704
|
| Морозик писал: | | Один с Р-каналом, а другой с N-каналом? | - зайди ТАМ в Энциклопедию ... если не найдешь в теме про "инверторы" - свистни - дам прямую ссылку.
У Славика на "аудионете" глянь еще - есть темы по заменам. |
|
Морозик
Передовик
Сообщения: 2380
|
Вопрос поиска аналога не стоит остро.
В принципе тему можно скорректировать.: "Почему горят мосфеты"
Проверил информацию Captain резисторы хорошие, да и схема управления ключами немного расширена.
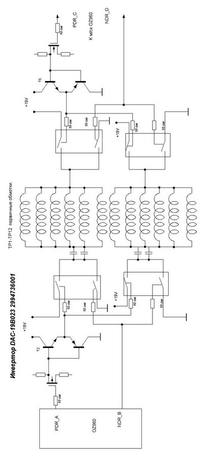
На рисунке один из четырех каналов.
12 ламп (меня поправили ) разделены на 2 секции. Соответственно в каждой секции по 6 ИТ и 6 ламп. Выгорели по очереди сборки, которые относятся к разным (!) секциям ламп , но имеющие общий сигнал управления по положительной полуволне.Так что предолжение насчет резисторов.в цепи затвора .порадовало, но не прокатило. Посмотрю осциллографом, может выявится разница.
---------------------------------------------------------------------------------------
А вот осциллограммы. Везде одинаковые. Насчет фазы не скажу, конечно.


|
|
Морозик
Передовик
Сообщения: 2380
|
| tit7861 писал: | | Холодные концы ламп на противоположной стороне соединяются вместе и выводятся тонким проводком на боковой разъем инвертора. | Что-то непонятное вокруг этого общего разъема.(фото слева внизу)
Транзистор, резистор, диод....и куда идет не понятно. Разве что через встречные диоды на массу |
|
Морозик
Передовик
Сообщения: 2380
|
После установки очередной (всего 3 заменил) сборки инвертор запустился...
Однако, после полной сборки ТВ стал уходить в защиту 1 сек.
В итоге опять сгорел пред по +19в.
Пропаял цепи управления ключами тех сборок, которые горят, (в том числе и 10 Ом )
Полет (в сборе) пока нормальный. На стук молотком, инвертор не реагирует. Ждемс...
Предполагаю, что из за мех.деформаций возникала ситуация, когда ключи (U2 U4) устанавливались в открытое состояние.
А так как цепь управления общая, тот достаточно одой таблэтки..
---------------------------------------------------------------------------------------------------------
Аккуратнее срисовал схему.

инвертор1.jpg 55.57 КБ Скачано: 2105 раз(а)
|
|
Морозик
Передовик
Сообщения: 2380
|
|