| Автор | Сообщение |
|
Ankar02
|
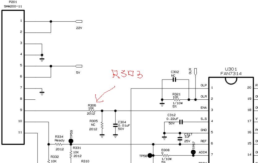
| После замены Шим DT8211A, из-за неосторожности в работе с паяльной станцией, был потерян бескорпусной резистор обозначенный как R305. В схеме на файлобменнике представлена схема данной модели телевизора с блоком питания AIP-0187, в моём случае Плата AIP-0187A. Помогите с номиналом резистора R305, пожалуйста. |
|
vebs
Белгородец
Сообщения: 2751
|
| Выкладывай тут в какой цепи твой R305 |
|
|
Ankar02
|
| В блоке питания, рядом с микросхемой ШИМ DT8211A, . Один конец на земле, другой к резистору R303. второй конец резистора r303 идёт на разъём р201 ножка обозначена DIM |
|
vebs
Белгородец
Сообщения: 2751
|
|
|
Ankar02
|
На микросхему не идёт. Да, действительно через перемычку, но на конденсатор с302. Вот Фото, правда только с телефона.

|
|
vebs
Белгородец
Сообщения: 2751
|
|
|
Ankar02
|
| Точно. Только на кондёр с 304 и на резисторы r303 и R302. резистора что вы указали на рисунке r306 нет вообще. |
|
vebs
Белгородец
Сообщения: 2751
|
|
Borek
Старший модератор
Сообщения: 12853
|
Посмотри вот это, может поможет .
д-ш.rar 1.01 МБ Скачано: 1048 раз(а)
|
|
vebs
Белгородец
Сообщения: 2751
|
Разберись, что за сигнал идет на R303 с разъёма р201.
Это может твой случай? R 4 - R303 R 7 - 305
Хотя ты пишешь, что ADIM не идет на 3 ногу.
А как по твоей фото и ту, что я дал, так самое и идет, но по фото трудно уверенно сказать. Не разглядывай, а тестером.Куда идет у тебя с 3 ноги микры?

|
|
|
Ankar02
|
| Прошу прощения, не заметил, что всё таки резистор идёт на 3 ножку микросхемы. и согласно схем, что мне предложили ясно, что на 3 ноге должно быть 6 вольт. Но номинал так и остался неизвестен. 3 нога ADIM I Analog Dimming Pin (Positive and Negative Mode). Так какой же номинал? Очень надо. |
|
vebs
Белгородец
Сообщения: 2751
|
| Ankar02 писал: | | не заметил, что всё таки резистор идёт на 3 ножку микросхемы. и согласно схем, что мне предложили ясно, что на 3 ноге должно быть 6 вольт. Но номинал так и остался неизвестен. |
Не тупи. Ясно, что стоит примерно 10 Ком.
Ты хоть читаешь, что тебе пишут, рисунки просматриваешь, что дают? Даташиты?
Я тебе давал рисунок где R306 и R305 ? Это делитель на ADIM, по 9 -10 Ком. Будет что то с яркостью не так, чуть изменишь номинал. |
|
|
Ankar02
|
| Огромное спасибо. Конечно я всё, что дают смотрю. И понял, что это делитель. Но судя потому, что на последнем рисунке резисторы R4, R7 Как делители имеют один номинал, то в моём случае R 303 имеет надпись 2403, тоесть 240 килоом. Тогда мне ставить такой же или всё таки 10 ком? |
|
vebs
Белгородец
Сообщения: 2751
|
| Попробуй 10 Ком, нет так повысь потом. Но что то не сильно верится, что R303 стоит 240 Ком |
|
|
Ankar02
|
| Огромное спасибо за помощь. Измерил ц. прибором номинал R303, точно 240 ком. И надпись на нём 2403. Придётся попробовать сначала 240 поставить, затем 10 ком. Посоветуйте так поступить или наоборот? Микросхему то жалко. |
|
vebs
Белгородец
Сообщения: 2751
|
Да ни хрена ей не станет ни от 10 Ком , ни от 240 Ком. Но по логике, если 10 ка то меньше напряжение на не пойдет. Так что начни с 10  |
|
|
Ankar02
|
| Спасибо всем, кто мучился со мной. Так и не запустился ШИМ, ни с 240Ком, ни с 10Ком. Видимо, я ищу не в том направлении. Тему закрываю. |
|
|
din2906
|
| Может кому пригодится R305=56к |
|