| Автор | Сообщение |
|
LAMBARZOL
|
шасси: TP.S512.PB83
FLASH: U2 25Q64
Tuner: XF-3SDT-H
Матрица: MT3151A05-5-XC-5
Проц.: под радиатором
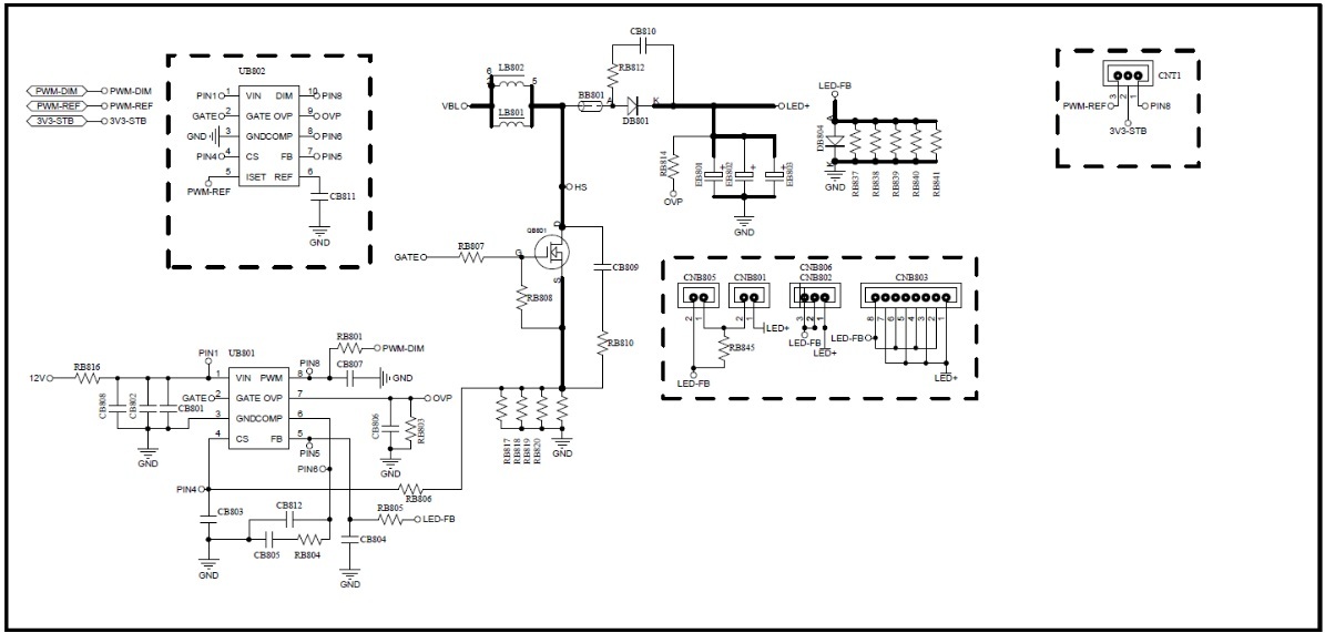
Нет подсветки - найден вышедший из строя светодиод - заменив, планирую снизить ток через светодиодные линейки - на плате нашел ШИМ SN51DP управляющий подсветкой (может быть установлено 2 типа корпуса: 8 ножек или 10 ножек) в моем случае 10 - нашел схему ШИМа подсветки - ток регулируется через ISET. НЕ могу понять, что такое PWN-REF. Как понизить ток через светодиоды? может кто сталкивался с таким шасси, судя по всему оно очень популярно.

ШИМ полная.jpg 114.08 КБ Скачано: 6546 раз(а)
|
|
iv-9
Фанат форума
Сообщения: 6359
|
| Опорный уровень регулировки широтно-импульсной модуляции. |
|
Иван Зенин
Модератор
Сообщения: 6784
|
| Ток регулировать можно по "PIN5" - "LED-FB" |
|
|
LAMBARZOL
|
| Иван Зенин писал: | | Ток регулировать можно по "PIN5" - "LED-FB" |
В моем случае наверно "PIN7" - "LED-FB", здесь только опытным путем получится меняя номиналы и контролируя как изменится ток через диоды или как?
ДОБАВЛЕНО 14/04/2017 08:46
| iv-9 писал: | | Опорный уровень регулировки широтно-импульсной модуляции. |
Т.е. предлагаете увеличить сопротивление сборки RB817-RB820? |
|
Иван Зенин
Модератор
Сообщения: 6784
|
Подписано "PIN5"

Это вход с токового датчика ледов. Найти его и увеличить сопротивление.
ДОБАВЛЕНО 14/04/2017 09:25
| LAMBARZOL писал: | | предлагаете увеличить сопротивление сборки RB817-RB820? |
Нет, это не та сборка. Ищи ту, через которую светодиоды на землю сидят.
ДОБАВЛЕНО 14/04/2017 09:35
  |
|
|
LAMBARZOL
|
| Иван Зенин писал: | Подписано "PIN5"

Это вход с токового датчика ледов. Найти его и увеличить сопротивление.
ДОБАВЛЕНО 14/04/2017 09:25
| LAMBARZOL писал: | | предлагаете увеличить сопротивление сборки RB817-RB820? |
Нет, это не та сборка. Ищи ту, через которую светодиоды на землю сидят. |
ДОбавил полную схему в шапку, там есть сборка с диодом это и есть токовый датчик светодиодов?
ДОБАВЛЕНО 14/04/2017 09:37
| Иван Зенин писал: | Подписано "PIN5"

Это вход с токового датчика ледов. Найти его и увеличить сопротивление.
ДОБАВЛЕНО 14/04/2017 09:25
| LAMBARZOL писал: | | предлагаете увеличить сопротивление сборки RB817-RB820? |
Нет, это не та сборка. Ищи ту, через которую светодиоды на землю сидят.
ДОБАВЛЕНО 14/04/2017 09:35
  |
Спасибо Иван Зенин! Будем проверять. |
|
|
LAMBARZOL
|
| Отпаяв один из резисторов уменьшил ток через светодиоды с 0,4А до 0,3А. Внешне на изображении никак не сказалось. Вопрос считаю решенный, огромное спасибо Ивану Зенину. |
|