| Автор | Сообщение |
|
Evgen_535
|
MAIN UPZ190R-6 V-0
DPS-214CP- БП
LED DRIVE SSL400 0E2B REV1.0
LTA400HM13 панель
Здравствуйте. Попал ко мне данный аппарат, при включении в сеть индикатор горит синим, на нажатие кнопок, а также пульт не реагировал. Разобрал, платы без видимых повреждений, замеряю напряжения 24V, 12V, 5V на плате бп присутствуют. На SPl и Nande присутствуют. 3.3v, на eeprom 0.3v, вылетел dc-преобразователь TPS54226. Подал 3.3v на epprom с ЛБП. Реакция на кнопку включения появилась, индикатор моргает 3 раза и запускает подсветку, но логотип отсутствует просто черный подсвеченный экран. Куда дальше, пока не пойму.
Кидаю ссылку на сайт со схемой в PDF т.к сюда не вмещается https://www.electronica-pt.com/esquema/tv/grundig-esquemas-tv/grundig-40vle6142-c-tf-chassis-64178/ |
|
zuboka
Передовик
Сообщения: 1047
|
| Питание панели? Данные на ЛВДС? |
|
|
Evgen_535
|
| Замер питания панели показал напряжение 1,7 V если я правильно понял где мерить. Данные на ЛВДС как мне кажется тоже есть, прибор у меня почти игрушечный, поэтому точно сказать не могу, но колебания присутствуют, на каждом из сигнальных проводов. |
|
zuboka
Передовик
Сообщения: 1047
|
| А должно быть больше. 12В. |
|
|
Evgen_535
|
Ошибся я, и мерил питание панели не там. На самом деле 12v присутствуют, предохранитель на тиконе матрицы целый.
| матрице2.jpg |
| Описание: |
|
| Размер файла: |
234.96 КБ |
| Просмотрено: |
306 раз(а) |

|
|
|
litam
Завсегдатай
Сообщения: 983
|
| Evgen_535 писал: | | вылетел dc-преобразователь TPS54226. |
С чего ты взял, что он вылетел????????----Команда включения проходит с проца? |
|
|
Evgen_535
|
| С того взял что он дает 3,3 на epprom. На TPS54226 приходит 12v а выходит с него, ничего. |
|
litam
Завсегдатай
Сообщения: 983
|
| Evgen_535, мануал глянь,-- на еепром питания в дежурке нету,- только в рабочем режиме. |
|
|
Evgen_535
|
| если я сбрасываю с eeprom питание от ЛБП подсветка гаснет |
|
litam
Завсегдатай
Сообщения: 983
|
Evgen_535, на еепром питание приходит после включения процессора из дежурки в рабочий режим,- это по мануалу из твоей ссылки.-- ты понимаешь о чём я говорю???????  |
|
|
Evgen_535
|
| litam писал: | Evgen_535, понимаешь о чём я говорю???????  |
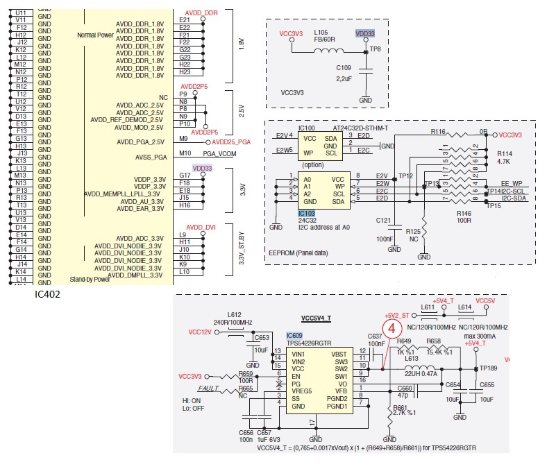
Вроде понял, имеешь в виду нет питания с контакта VDD33 IC402?
И если так то взять питание с другого напряжения, подключить DC-DC выставить 3.3 и подать в эту линию отрезав дорожку от протца.
VCC3V3.jpg 165.09 КБ Скачано: 268 раз(а)
|
|
litam
Завсегдатай
Сообщения: 983
|
| Evgen_535 писал: |
Вроде понял |
Нифига ты не понял....
Ты можешь определить ---- проц у тебя в дежурке или в рабочем режиме---? |
|
|
Evgen_535
|
| Может и могу, но незнаю как. |
|
litam
Завсегдатай
Сообщения: 983
|
| Evgen_535, пинзец................ Ты с такими знаниями хочешь отремонтировать ЖК тв,-- ещё и после грозы. |
|
|
Evgen_535
|
| Да, ведь некоторые знания приходят с опытом, не приходилось работать с майном, но это не значит что теперь нужно от этого отказаться. |
|
pion
Передовик
Сообщения: 1602
|
| Evgen_535 писал: | | Да, ведь некоторые знания приходят с опытом, не приходилось работать с майном, но это не значит что теперь нужно от этого отказаться. |
Схема есть, осцил есть. Желание потренироваться тоже есть. Начинай осцилом смотреть генерацию на кварце процессора, мультиметром, приходит ли питание на процессор, проходит ли сигнал с пульта на сам процессор, и как он реагирует на это, меняется ли напряжение на ноге процессора "power ON"
А то, что подсветка заработала, когда ты подал на неё питание, ещё не говорит о том, что процессор жив, или хотя бы на нём присутствует напряжение дежурного режима. |
|
|
Evgen_535
|
Да "power ON" отсутствует. Но это при условии что 3.3 висит от ЛБП

|
|
pion
Передовик
Сообщения: 1602
|
| Evgen_535 писал: | | Да "power ON" отсутствует. Но это при условии что 3.3 висит от ЛБП |
Забудь про этот преобразователь и убери с него питание от ЛБП. Для начала убедись, что на процессор приходит питание дежурного режима, что есть генерация на кварце, и что до процессора доходит сигнал с пульта. "power ON" нужно смотреть на самом процессоре. |
|
|
Evgen_535
|
Включаю в сеть, питание процессора vcc1v8 мерию на L100, есть 1,8v. На кварце x100 есть некие колебания. Сигнал включения с проца как я понял POWER_SW и он составляет 2,5v появляется сразу . Пульта нет, но при нажатии кнопоки power на панели, генерация именно этого сигнала (не скрин осцила) не меняется.

|
|
pion
Передовик
Сообщения: 1602
|
| Смотри 37, 38 страницы мануала. И разбирайся с напряжениями. Для начала интересует VCC 3.3v-st. Потом все остальные напряжения. Кнопкой power должно отключаться VCC1V05, которое на рисунке сверху. |
|