ESpec - мир электроники для профессионалов


lg 32ln536u спонтанные перезагрузки

  Список форумов » LCD-телевизоры и плазменные панели
На страницу 1, 2  След.
Следующая тема · Предыдущая тема
АвторСообщение
leha_m1986 
Бывалый
Сообщения: 32
 
Сообщение #1 От 24/08/2022 13:31 цитата  

MATRIX: HC320DXn
MAIN: EAX64891 306 (1.1)
PSU: EAX64905001(2.7)
SSC1S311
MAP3202
18N20GH

Здравствуйте! lg 32ln536u телевизор периодически перезагружается. По выходным напряжениям все в норме, а вот подсветка странно себя ведет - питание на диоды всего 25 вольт. drvon - 3,3, а вот pdim- 1,25 и не меняется в зависимости от настроек яркости подсветки. Причем при включении(на заставке) pdim- 3,3
Boris Gorbunkov 
Семён Семёныч
Сообщения: 7529
Boris Gorbunkov
 
Сообщение #2 От 24/08/2022 14:02 цитата  

leha_m1986 писал:
периодически перезагружается
Отключи кнопки управления на ТВ для начала.
leha_m1986 
Бывалый
Сообщения: 32
 
Сообщение #3 От 24/08/2022 14:08 цитата  

первым делом это сделал, ничего не поменялось
leniin49 
Передовик
Сообщения: 2241
 
Сообщение #4 От 24/08/2022 14:32 цитата  

А саму подсветку( планки диодов) проверяли?Может подшивают на корпус.Были случаи м/ х драйвера менял.
leha_m1986 
Бывалый
Сообщения: 32
 
Сообщение #5 От 24/08/2022 14:37 цитата  

leniin49 писал:
А саму подсветку( планки диодов) проверяли?

Пока не лез туда, смутило поведение pdim
Иван Зенин 
Модератор
<B>Модератор</B>
Сообщения: 6784
Иван Зенин
 
Сообщение #6 От 24/08/2022 16:32 цитата  

Автономно запусти бп с подсветкой и понаблюдай.
leha_m1986 
Бывалый
Сообщения: 32
 
Сообщение #7 От 24/08/2022 17:03 цитата  

нагружать необходимо его?
leha_m1986 
Бывалый
Сообщения: 32
 
Сообщение #8 От 24/08/2022 17:47 цитата  

и еще интересно... на led+ относительно gnd - 66v, на led- 14v а между ними - постоянно скачет, но не больше 25v
leniin49 
Передовик
Сообщения: 2241
 
Сообщение #9 От 24/08/2022 18:45 цитата  

Проверить планки не так сложно (тем более в этой модели) , разобрав и посмотрев .Аппарат древний и кто знает , что до вас туда воткнули и как ремонтировали?
ProIzhevsk 
Передовик
Сообщения: 1693
ProIzhevsk
 
Сообщение #10 От 24/08/2022 19:56 цитата  

leha_m1986, для начала загляни в сервисное меню в пункт POWER STATUS и глянь, какие причины отключения/перезагрузки тв там прописались.
leha_m1986 
Бывалый
Сообщения: 32
 
Сообщение #11 От 24/08/2022 20:05 цитата  

а не подскажете как на нем зайти в сервисное? оказывается он еще и лог ошибок пишет?
ProIzhevsk 
Передовик
Сообщения: 1693
ProIzhevsk
 
Сообщение #12 От 24/08/2022 21:11 цитата  

leha_m1986 писал:
а не подскажете как на нем зайти в сервисное? оказывается он еще и лог ошибок пишет?


Пишет, но не всегда корректно. Зайти можно либо с сервисного пульта, на алике за 400-500р максимум можно заказать, окупит себя быстро, либо, как извращаются некоторые, зайти при помощи ИК-диодов и звукового файла.
leniin49 
Передовик
Сообщения: 2241
 
Сообщение #13 От 24/08/2022 21:19 цитата  

Не лезьте в дебри .В этом шасси такого не встречал.
leha_m1986 
Бывалый
Сообщения: 32
 
Сообщение #14 От 25/08/2022 09:00 цитата  

leniin49, планки подсветки в норме. но на всякий случай заменил. Ни чего не изменилось...
leha_m1986 
Бывалый
Сообщения: 32
 
Сообщение #15 От 25/08/2022 10:01 цитата  

еще по замерам: 3,5 с БП - 3,35 , а на майне 3,3 norm - гуляет во время перезагрузок от 3,32 до 3,17
FreddikMerfi 
Автокран Ивановец
Сообщения: 4088
FreddikMerfi
 
Сообщение #16 От 25/08/2022 11:39 цитата  

leha_m1986, что то мне подсказывает, что в питальнике электролиты высохли!
leha_m1986 
Бывалый
Сообщения: 32
 
Сообщение #17 От 25/08/2022 11:41 цитата  

и у меня были такие подозрения) все заменены сразу на новые...
leha_m1986 
Бывалый
Сообщения: 32
 
Сообщение #18 От 25/08/2022 14:07 цитата  

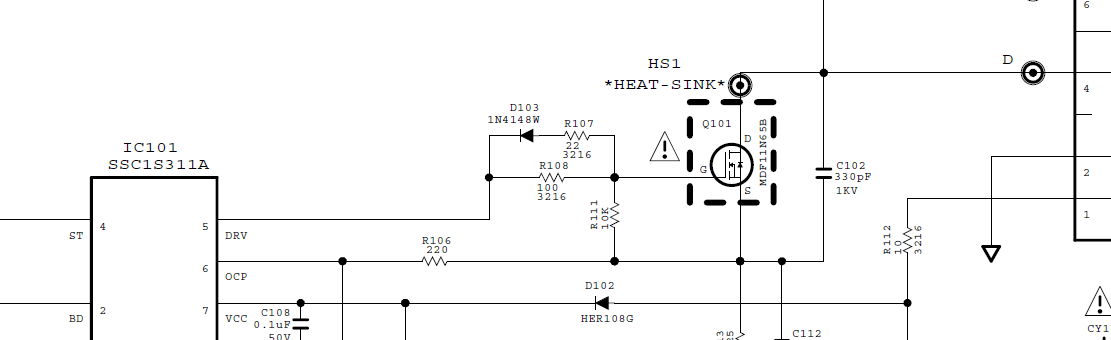
на радиаторе q101 не возможно держать палец

  _2022-08-25_140624.png  38.3 КБ  Скачано: 227 раз(а)
Feuerbard 
Завсегдатай
Сообщения: 597
 
Сообщение #19 От 25/08/2022 20:46 цитата  

Замените Майн уже он три копейки стоит
leha_m1986 
Бывалый
Сообщения: 32
 
Сообщение #20 От 26/08/2022 10:45 цитата  

Feuerbard, Я все таки грешу на БП. Вот еще замеры на БП по 3,5в. - 3,42в.(в момент включения до 3,37) По 24 - 25,2. А на майне вообще 3,5v.sb - 3,27, и сотответственно 3,3v.normal - 3,22v.

  _2022-08-26_104437.png  36.52 КБ  Скачано: 198 раз(а)

Перейти: 
Следующая тема · Предыдущая тема
На страницу 1, 2  След.
Показать/скрыть Ваши права в разделе

Интересное от ESpec


Другие темы раздела LCD-телевизоры и плазменные панели



Rambler's Top100 Рейтинг@Mail.ru liveinternet.ru