| Автор | Сообщение |
|
ol_el2006
|
Philips 46PFL8606T/12
Main- Q551.2E LA
Блок питания -FSP158-5FS01
Матрица -LK460D3LB43(SRPJ)B
Добрый вечер товарищи. Дефект в следующем, включаю тв кнопкой сети (на пульт реакции нет и светодиод ДР тоже не моргает) тв включается, пишет филипс, висит сек.15 и тухнет. В дежурку не переходит,светодиод дежурки не светится. Ошибку не моргает. При осмотре выяснилось что после того как подсветка потухла (после первого включения) он делает попытки запустится и дальше только подсветку не включает. Напруги на бп в норме 12, 24, 3.3в. Дежурных 3.3 есть всегда. Напруги на майне на дс/дс есть все согласно мануалу (их тут много, писать не буду). Смущает сигнал управления стенд-бай с майна на бп (1м95 вывод 2) - когда бп работает напруга 0в, когда отключается, появляется 3.3в (эта напруга управляет оптопарой шим бп). Как бы наоборот должно быть, поделитесь схемой бп, если есть. С этим шасси копаюсь впервые. Память шил ( 25р05). По мануалу есть режим диагностики, как я понял,
sdm на землю но у меня не пошло, может из за отсутствующего ДР. Направте в нужном направлении. |
|
|
ol_el2006
|
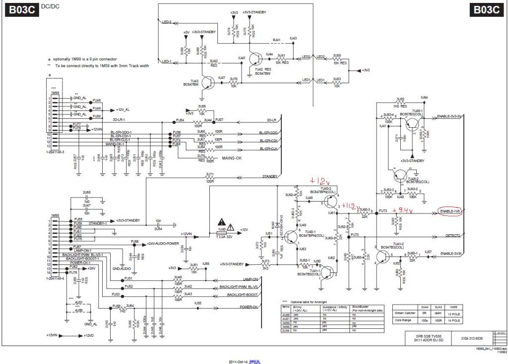
Вобщем измерил я еще раз все контрольный напряжения и нашел косяк. В точке FU73 напряжение 9.4в вместо положенных 1.8в. НА резистор 3U60-1 приходят 3.3в, после резика на базе 7U41-2 имеем 0.67в (эммитер -база) значит транзистор должен быть "открытым" . Мультиметром транзистор прозванивается как рабочий (но это не показатель). Возьму два BC847 и заменю этот сдвоенный транзистор двумя обычными.
(2).jpg 96.79 КБ Скачано: 264 раз(а)
|
|
Иван Зенин
Модератор
Сообщения: 6783
|
| ol_el2006 писал: | | Как бы наоборот должно быть |
Ошибаешься, нулём он включается. Вообще, какие могут быть вопросы - из дежурки выходит. Не там роешь.
ДОБАВЛЕНО 17/02/2020 20:50
Кнопку "Power" на морде аппарата нажимать не пробовал? |
|

|