| Автор | Сообщение |
|
ИнженерАСУТП
|
Добрый день.
Сразу признаюсь что я не проф.занимаюсь электроникой, а в большей степени ради интереса и желания немного разобраться в этой кухне.
Сам работаю инженерм АСУ ТП.
Буду краток.
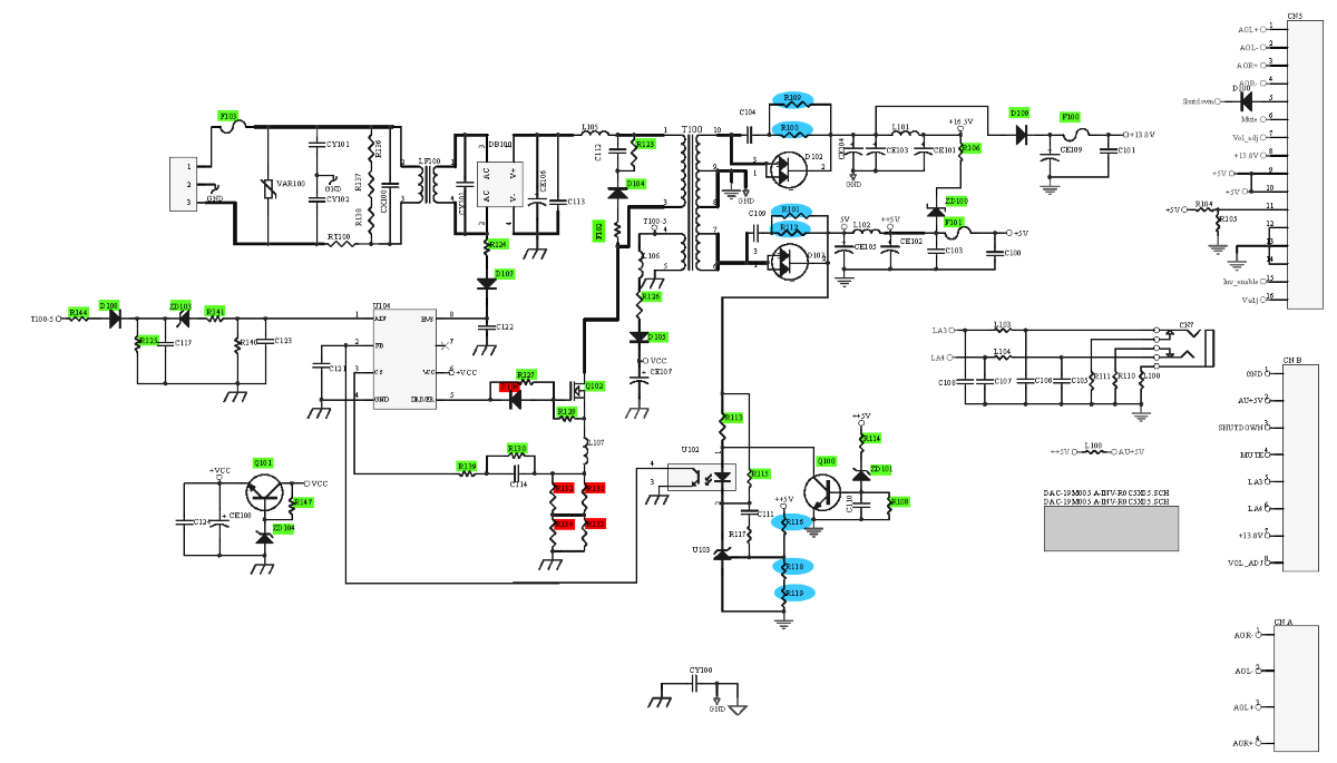
Есть монитор Viewsonic va1912w.
БП DELTA DAC-19M005 (DAP08+BIT3713)
При подаче питания помимо легкого свиста и клацанья никаких признаков жизни нет (даже LED не моргает)
Что было проделано (проверено при помощи мультиметра):
Зеленый - все ок;
Красный - все плохо;
Синий - не соответствие номиналу на корпусе.(нужно выпаивать и мерять?)
Из инструмента есть онли мультиметр паяльники. Планирую купить ESRметр когда будет возможность.
Собственно вопросы:
1) Мне есть смысл пытаться дальше его ремонтировать?
2) Если подам на него 220V AC без всякой нагрузки (только на плату ИБП) можно будет ШИМку DAP08 проверить? Ничего не случится?
Где то читал или слышал что не рекомендуется так делать.
Всем спасибо. Извиняюсь за нубские вопросы.
DELTA DAC-19M005 DAP08+BIT3713_forum.png 103.88 КБ Скачано: 446 раз(а)
DELTA DAC-19M005 DAP08+BIT3713_2.png 98.65 КБ Скачано: 489 раз(а)
|
|
Lensmen
Передовик
Сообщения: 2745
|
| Зато ник какой.... глаза режет слово инженер. |
|
|
ИнженерАСУТП
|
| Lensmen писал: | | Зато ник какой.... глаза режет слово инженер. |
Как бы ЧСВ?
Или Вы уверены что Вы все знаете?
У меня конкретный вопрос. То что смог сам без опаски проверить - проверил. Решил посоветоваться со спецами - а тут тебе на... Нет что бы сказать в чем я не прав - сразу оскорбления.
Да и Инженера разных направлений бывают.
Как бы так.
Тему можно закрывать. Не туда я обратился за помощью. |
|
Lensmen
Передовик
Сообщения: 2745
|
Тогда это что за хрень ?
| Цитата: |
Зеленый - все ок;
Красный - все плохо;
Синий - не соответствие номиналу на корпусе.(нужно выпаивать и мерять?) |
Инженер понятие что такое измерение напряжения имеет ? |
|
|
ИнженерАСУТП
|
| Lensmen писал: | Тогда это что за хрень ?
Инженер понятие что такое измерение напряжения имеет ? |
Немного обширнее опишу. На сетевом конденсаторе силовой цепи напряжение в норме. На выходе тоже было что то похоже на 13 В и 5 В.
На рынок за радиодеталями ехать долго, поэтому решил все проверить по возможности на обесточенной плате.
Взял в руки мультиметр и понеслась.
Транзисторы, диодные сборки с общим катодом, многие диоды, в основном шоттки, и стабилитроны в норме. Решил проверить ШИМ контроллер. И тут возник вопрос:
| 1 писал: |
2) Если подам на него 220V AC без всякой нагрузки (только на плату ИБП) можно будет ШИМку DAP08 проверить? Ничего не случится?
Где то читал или слышал что не рекомендуется так делать. |
Долго выезжал в DataSheet по DAP08, пока разобрался как оно работает (еще разбираюсь)
Извиняюсь что не написал этого в первом посте. |
|
Lensmen
Передовик
Сообщения: 2745
|
| Отключить нагрузку и померять 16в и 5 в проблемно ? |
|
|
ИнженерАСУТП
|
| Lensmen писал: | | Отключить нагрузку и померять 16в и 5 в проблемно ? |
| я писал: | | На выходе тоже было что то похоже на 13 В и 5 В. | точно не помню.
Так, исходя из Вашего вопроса могу сделать вывод что можно подавать питание на БП без нагрузки.
Спасибо за ответ на второй вопрос. Завтра буду разбираться дальше. |
|
Кр. Вован
Завсегдатай
Сообщения: 981
|
ИнженерАСУТП, если БП "посвистывает" и "цокает", и на выходе """что то похоже на 13 В и 5 В""", то смело можно сделать вывод, что DAP08 в порядке...Для начала нужно проверить все электролиты в БП (судя по посту выше нечем ) или заменить их...НО ИМХО проблема порылась в инверторе. Воспользуйся советом Lensmen - """Отключить нагрузку и померять 16в и 5"""
ДОБАВЛЕНО 28/05/2015 21:26
Да, опиши как проверил и что показала проверка Q205  |
|
remontitor
Завсегдатай
Сообщения: 692
|
| Литы на замену,дальше видно буде |
|
|
ИнженерАСУТП
|
| remontitor писал: | | Литы на замену,дальше видно буде |
Так и сделаю.
| Кр. Вован писал: | | """Отключить нагрузку и померять 16в и 5"" |
На выходе без нагрузки:
по линии 5 В - 4.9В
по линии 16,5 В - 13 В
по линии 13,8 в - 14.1 В
| Кр. Вован писал: | Да, опиши как проверил и что показала проверка Q205  |
Собственно проверял так:
Черный щуп - на Drain, красный на Source, наблюдаем прямое падение напряжения.
Потом красный щуп на Gate не снимая черный с Drain и обратно - падение напряжения осталось.
С Q206 при проверке такой методикой все ОК!
И еще.
Это все пробито.
Спасибо за помощь. Честно очень благодарен что откликнулись. |
|
Lensmen
Передовик
Сообщения: 2745
|
Нема словей  |
|
|
ИнженерАСУТП
|
| Lensmen писал: | Нема словей  |
Хоть кому то весело.
Не, ну Вы, если что, скажите если что мол ты дятел, нифига не понимаешь не смотри в ту сторону даже. Мол надо так-то....
И я буду думать как иначе решать свои проблемы. |
|
remontitor
Завсегдатай
Сообщения: 692
|
Если то ,что в красненьком пробило ,то я складаю сабли.По идее не должно работать,если резистор пробьет
Если диод пробит и токовый датчик в обрыве,весьма вероятно,что полевик на выброс,возможно и ШИМ. |
|
|
ИнженерАСУТП
|
| remontitor писал: | Если то ,что в красненьком пробило ,то я складаю сабли.По идее не должно работать,если резистор пробьет
Если диод пробит и токовый датчик в обрыве,весьма вероятно,что полевик на выброс,возможно и ШИМ. |
Ну я как бы чайник в этом, но на прозвонке ПИЩИТ! Хотя должно быть 2кОм
Выходные напряжения мерял непосредственно на конденсаторах С100, С101, СЕ101 и на выходном штекере 16pin
Вот еще раз показываю что я сумел проверить:
Красный - не исправно.
Зеленый - Все ОК!
Синий - не номинал (догадываюсь почему)
Транзисторы проверял таким методом: https://www.youtube.com/watch?v=0r2Mhz4H_qs (ЧИП И ДИП) |
|
SASHATOD
Фанат форума
Сообщения: 9885
|
ИнженерАСУТП, Да уж
В безтолковке у тебя пищит.
ЗАКРОЙ И ОТДАЙ МАСТЕРУ.
Мама с папой диплом купили? и не говорили шо ты шо то учил  |
|
|
ИнженерАСУТП
|
Папы давно уже нету, это раз.
А Диплом на тему "Анализ СУ ЭП в виде двухмассовой ЕМС с упругостью первого плрядка" отлично защитил. это два.
А с электроникой плохо все потому что лектор бухарь был. Да и давно это было.
Голова у меня АСУ ТПшными делами забита. А Вы небось хлеб себе на ремонте аппаратуры зарабатываете.
Больше всего мне нравится что тебя называют идиотом, но не говорят почему.... |
|
REKKA
Фанат форума
Сообщения: 3722
|
| ИнженерАСУТП, Вы бы литературу ,что ль бы открыли.Хотя бы журнальчик тут ,есть РЕМОНТ и СЕРВИС в разделе ФАЙЛЫ и почитали бы БАТЕНЬКА.Там много ответов на Ваши есть вопросы. |
|
SASHATOD
Фанат форума
Сообщения: 9885
|
ИнженерАСУТП, У тебя мозги есть?
Если у тебя то шо красным нерабочие, то как у тебя может присутствовать питание вторичек?
Не позорься а свали по тихому  |
|
|
ИнженерАСУТП
|
Спасибо за совет.
Закрывайте тему. |
|
Кр. Вован
Завсегдатай
Сообщения: 981
|
| ИнженерАСУТП писал: |
На выходе без нагрузки:
по линии 5 В - 4.9В
по линии 16,5 В - 13 В
по линии 13,8 в - 14.1 В
|
Отстань от БП! Он у тебя в порядке. Для верности замени все литики и ищи неисправность в инверторе. А лучше всего воспользуйся советом | SASHATOD писал: | | ЗАКРОЙ И ОТДАЙ МАСТЕРУ. |
|
|