| Автор | Сообщение |
|
lazerius
|
Добрый день ув. коллеги и друзья. Принесли ноутбук с проблемой «не включается» Блок питания они купили другой, типа свой сгорел, купили новый, но все равно не включается.
Модель ноута: ASUS N60D
Платформа: ASUS N60DP REV 2.0
Схемы нигде нет, есть только Boardview
Визуальный осмотр и прозвонка:
Разобрал, осмотрел, залитие жидкостью, а после высохшее, зелено-белое окисление в районе коннектора дисплея. Далее осмотрел, силовая часть 1.8V для RAM и всего остального, погорели аж в уголь дросселя (PL8201, PL8202), даже со стороны 19V место пайки дорожек этих дросселей отгорели. А они сгорают не просто так, естественно пробитые силовые мосфеты PQ8201 и PQ8202 на выходе 1.8V. На обратной стороне платы сгорел один из силовых мосфетов PQ8008 Si7326DN, выдающих питание заряда АКБ (у него аж центр вырвало). Ну и сама ШИМ чарджера в хлам (визуально видно). Прозвонил начальные ключи пропускающие 19V на систему (A/D DOCK IN), пробиты PQ8002 и (AC BAT SYS) PQ8003. Снял CPU и RAM. Очистил кисточкой всю плату от пыли и почистил спиртом + зубной щеткой места окисления.
Замена компонентов:
Есть плата-донор ASUS K52JR REV. 2.3A Многие ШИМ-ки и др. компоненты подходят.
PQ8001 и PQ8002 MTB20N03Q8 -> AP4835GM (на плате первый, а на схеме второй, параметры почти одинаковые)
PQ8003 MTB20N03Q8 -> MTB20N03Q8
PQ8201 и PQ8202 RJK0355DPA -> CSD17310Q5A
PQ8006 и PQ8008 Si7326DN -> AON7702B
ШИМ чаджера PU8001 MB39A132 -> MB39A132
ШИМ для силовой 1.8V PU8201 UP6111AQDD -> RT8202 (на плате DJ-CM, а на схеме UP6111A, параметры и выводы одинаковые pin to pin)
ШИМ питания севера 1.2V PU8501 uP6111AQDD -> RT8202
Линейные стабилизаторы PU8203 uP7711U8; PU8804 uP7706U8
Ну и щупами в режиме пищалки пробежался по всем остальным мосфетам.
На всякий случай скачал dump bios c driver.ru и перепрошил, сделав свой заранее backup
Подключение, замеры и наблюдение:
CPU и RAM сняты. Подключил к ЛБП, лимит по току 2,2А Держу палец на ШИМ дежурки PU8701 RT8205C (CL=AG), потребление 0,03А На обшей шине (A/D DOCK IN) и (AC BAT SYS) 19,4V есть. На АКБ 9-8V есть. Дежурные питания:
VREG3=3,29V
VREG5=4,98V
+3VSUSO=3,3V
+5VO=0-120mV
Нажимаю на POWER SW, загорается светодиод POWER, +5VO=5V, питание 1,8V и питание для видео (+VGA VCOREO) формируются 0,9V Потребление на ЛБП 0,54А, ШИМ дежурки начинает слегка греться, стоит 3 секунды и тухнет, будто в защиту уходит. Силовые +5VO опять падает до милливольтов, на ЛБП 0,03А и все.
Вопросы:
1. На этой платформе силовые +5VO должны быть сразу при подключении или так и должны появляться после запуска?
2. Сопротивления относительно земли +5VO=34Ω +VGA VCOREO=2,6Ω это нормально, или все же что-то сажает/перегружает?
| 2017-08-31_003436.jpg |
| Описание: |
|
| Размер файла: |
336.33 КБ |
| Просмотрено: |
298 раз(а) |

|
2017-08-31_003244.jpg 104.77 КБ Скачано: 331 раз(а)
2017-08-31_003534.jpg 102.51 КБ Скачано: 303 раз(а)
2017-08-31_003850.jpg 160.95 КБ Скачано: 310 раз(а)
2017-08-31_010921.jpg 131.27 КБ Скачано: 304 раз(а)
|
|
n max
Модератор
Сообщения: 17616
|
по 5 вольтам 34ома это не айс ищите ещё чего погорело.Можете померить сопротивление по 5 вольтам в рабочем ноуте и сделать выводы.
Биос можно родной вернуть назад если ноут включается то с ним порядок |
|
|
lazerius
|
Так нет такой же материнки, чтоб померить и сравнить bios верну. Думаю, может на линию +5VO дать 5V с ЛБП и щупать нагрев? |
|
n max
Модератор
Сообщения: 17616
|
Да на любой другой можно можно померить для анализа ситуации этого достаточно
ДОБАВЛЕНО 31/08/2017 08:31
При таком сопротивлении нагрев можно увидеть только тепловизором или подождать часик или два |
|
Alex N.
Завсегдатай
Сообщения: 936
|
| Без схемы прям суперконкретикой не помогу, но такое я уже видел. Именно ситуация "блок питания сгорел, купили новый". А новый оказался в хлам китайским и выдает перенапряжение (обычно, при пульсации нагрузки синхронными пульсациями по напряжению, и в нем вообще на защите сэкономили). В итоге горит вообще все питание на плате, которое только успевает отгореть, пока вход не отгорел. Попутно может утянуть и основных потребителей - чаще это ГП любой и процы от AMD (Intel на удивление живучее). Судя по сопротивлению линии питания ядра ГП (VGA Vcore), ему, очень вероятно, пришел конец. |
|
Lenchik
Фанат форума
Сообщения: 7937
|
| lazerius, У типичного ноутбука 5 вольт рабочее есть когда он от БП работает, в независимости, включен, выключен. От батареи выключается. |
|
Alex N.
Завсегдатай
Сообщения: 936
|
| Lenchik писал: | | lazerius, У типичного ноутбука 5 вольт рабочее есть когда он от БП работает, в независимости, включен, выключен. От батареи выключается. |
Небольшое дополнение: если ноут из эры, когда уже появились тысячи смартфонов с зарядкой по USB, то 99% от него стоит ждать такого поведения. Некоторые модели, особенно заточенные под портативность (ультрабуки и т.п.) даже от батареи будут давать 5 вольт, пока не достигнут запрограммированного предела по уровню заряда батареи - этакий павербанк. |
|
|
lazerius
|
| 34 Ома давала ШИМ-ка дежурки RT8205C, снял с рабочего нетбука asus такую же ШИМ-ку, поставил. теперь сопротивление на +5VO у дросселя 6-7К отсоединил паянными джамперами питание +VCORE. Картина та же, 5V появляется на несколько секунд, ЛБП показывает потребление теперь один с лишним Ампера и вырубается, на ЛБП опять 0,03А |
|
n max
Модератор
Сообщения: 17616
|
| надо смотреть на поведение светодиодов на панели мож что отмаргивает.Если не отмаргивает то ищем посткарту с лпс интерфейсом потом ищем интерфейс на плате,паяемся и смотрим что покажет,тогда можно и чего-то сказать поконкретнее.Рубиться может по отсутствию повер гут или ловит перегрев от какого-то датчика(это хуже) |
|
|
lazerius
|
| lazerius писал: |
Подключение, замеры и наблюдение:
Нажимаю на POWER SW, загорается светодиод POWER, +5VO=5V, питание 1,8V и питание для видео (+VGA VCOREO) формируются 0,9V Потребление на ЛБП 0,54А, ШИМ дежурки начинает слегка греться, стоит 3 секунды и тухнет, будто в защиту уходит. Силовые +5VO опять падает до милливольтов, на ЛБП 0,03А и все.
|
После замены ШИМ-ки дежурки, она даже и греться не начинает. Странно, при отключенном питании +VCORE потребление 1.15А, а вот при подключенном 0,45А |
|
n max
Модератор
Сообщения: 17616
|
Питание видео установиться после инициализации видеочипа биосом и будет где-то 1.1-1.2вольта .0.9 это напруга по умолчанию.
Питание ядра проца должно быть 1.2 где то так.Если оно меньше надо смотреть шим и проц на предмет загрузки в шим своего напряжения питания.Повышенное потребление без проца вызвано рассоглавованием работы шима.Причины выключения я написал выше
ДОБАВЛЕНО 03/09/2017 22:08
| lazerius писал: | Сигнал низкого уровня (SUS EC#) приходит через диод на ШИМ-ку дежурки от 82-й ноги Мультика (IT8502E), это именно она держит в заперти (P +5V ENTRIP)
Еще вопрос: PQ8201 и PQ8202 RJK0355DPA -> CSD17310Q5A правильная замена или, что-то другое искать? |
Тут надо даташиты обоих сравнивать,сразу трудно сказать |
|
|
lazerius
|
Сигнал низкого уровня (SUS EC#) приходит через диод на ШИМ-ку дежурки от 82-й ноги Мультика (IT8502E), это именно она держит в заперти (P +5V ENTRIP)
Еще вопрос: PQ8201 и PQ8202 RJK0355DPA -> CSD17310Q5A правильная замена или, что-то другое искать? |
|
|
lazerius
|
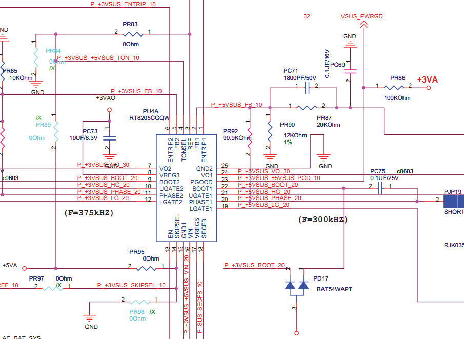
Странно, почему то на моей плате и схеме тоже 23-я нога (Power Good) никуда не распаяна, когда на нетбуке и его схеме на нее через резистор 100К заведено питание от +3VA Я так понимаю, этот сигнал главное, чтоб получал Мультик (IT8502E) на 67 ногу, хоть с другого места... Так вот, на 67-й ноге 3,15V есть постоянно, а вот на 68-й (ALL SYSTEM PWRGD) появляется после нажатия PWR SW и исчезает, когда вся мать вырубается, точнее когда дежурные +5VO исчезают.
2017-09-04_165734.jpg 125.19 КБ Скачано: 303 раз(а)
2017-09-04_170343.jpg 175.71 КБ Скачано: 247 раз(а)
2017-09-04_165836.jpg 126.48 КБ Скачано: 265 раз(а)
|
|
|
lazerius
|
| n max а что, если прервать дорожку, идущую с 82-й ноги Мульта и проверить кто сажает сигнал (P +5V ENTRIP), сам Мульт или все же схема, так можно определить дефект Мульта? |
|
n max
Модератор
Сообщения: 17616
|
| Эта нога задаёт ограничение тока на выходе и мульта касаться не должна.Туда резик подключается для установки лимита тока.Можете даташит почитать.(прежде чем резать) |
|
|
lazerius
|
| n max писал: | | и мульта касаться не должна. |
Да, даташиты я изучал не раз (там эти ноги тупо заземлены через резисторы 150К и силовые выходы 3 и 5V всегда ВКЛ. ) и знаю, что эта нога не только для ограничения тока, но и для для включения силовых выходов +3V и +5V
А раз так, то соответственно Мульт имеет власть/влияние на отключение этих каналов, посредством транзистора или диода отрицательным сигналом. Поэтому и в материнках и на схемах в отличии от даташита, эти резисторы не 150К а 180 и 200К
Вот схема 42стр. нетбука asus, где Муль влияет сигналом VSUS_ON посредством транзисторов на выключение силовых выходов 3 и 5V
Повторю еще раз:
| lazerius писал: | | Сигнал низкого уровня (SUS EC#) приходит через диод на ШИМ-ку дежурки от 82-й ноги Мультика (IT8502E) |
Вы меня не поняли, я имел в виду, говоря иными словами: что если отсоединить 82-ю ногу Мульта от обвязки, и посмотреть он ли дает сигнал низкого уровня спустя 3 сек. или его обвязка, т.к. этот низкий сигнал идет через диод на первую ногу ШИМ дежурки (P +5V ENTRIP) |
|
n max
Модератор
Сообщения: 17616
|
Тут согласен товарищи включайку замудрили не по даташиту.Можно снять диод pd7 и будет всё понятно.Со стороны мульта лучше повесить резик на 3.3 вольта,а то вдруг нога с открытым коллектором.
ДОБАВЛЕНО 05/09/2017 22:09
Хотя мульт и должен выключать питание,подождав некоторое время и увидев,что нет выполнения процедур биоса по инициализации устройств он и выключает ноут подальше от греха.Во многих ноутах такая фишка реализована программно |
|
|
lazerius
|
| n max писал: | | Можно снять диод pd7 и будет всё понятно.Со стороны мульта лучше повесить резик на 3.3 вольта,а то вдруг нога с открытым коллектором. |
На моей плате оба ENTRIP-a со сдвоенного диода (PD8705) уходит на кнопку снизу материнки TACT_SWITCH_5P сигнал FORCE OFF#, при нажатии на эту кнопку вырубаются обе силовые дежурные напряжения (не знаю для чего это нужно , но еще и отдельно на Мульт к 82-й ноге уходит с одиночного диода PD8790 (1N4148WS) с первой ноги ШИМ дежурки (P +5V ENTRIP)
Если отсоединить PD8790, то +5V силовые не пропадет и останется постоянным, но боюсь как в прошлый раз опять погорит что нить (ШИМ 1,8V или ШИМ питания севера) Но, тогда у меня стоял проц, хоть и от другого бука и оперативка.
ДОБАВЛЕНО 06/09/2017 09:23
Вчера поехал у знакомого откопал плату-донора K40AB REV.1.3G там все почти такое же, хоть мать сама квадратная маленькая. И Мульт и ШИМки и мосфеты. Думаете стоит поменять Мульт? А вдруг егошний тоже не рабочий или мой рабочий и должен себя так вести? Как Вы говорите | n max писал: | | мульт и должен выключать питание,подождав некоторое время... |
Как это выяснить?
Как вообще определить? | n max писал: | | что нет выполнения процедур биоса по инициализации устройств |
Пост картой? |
|
n max
Модератор
Сообщения: 17616
|
Можно и посткаотой.Можно и осцилом глянуть движуху на лпс интерфейсе-если её нет то подключать посткарту нет смысла один хрен нули покажет.
Смысл менять мульт раз ноут включается и читает биос.Мульт прямых связей с внешним миром не имеет и выпалить его пользователю не реально.
ДОБАВЛЕНО 07/09/2017 01:00
На моей практике мульт можно выпалить в случае если подключать матрицу при вставленной акб,или звездануть статикой по клавиатуре.
Обычно при мёртвом мультике ноут не включается.Если материнка на базе амд проца то там помимо мульта хватает чему лететь.У асусов на базе амд северный мост самое больное место из 100 ноутов у 90 приходилось его менять
ДОБАВЛЕНО 07/09/2017 01:04
Кнопка снизу нужна для отключения ноута в случаи зависания биоса\ноута-амд очень глючная платформа |
|
дядя Рома
Завсегдатай
Сообщения: 507
|
| Как по мне ,мульт нормально отрабатывает процедуру запуска ,но не получает какой-то powergood.Это возможно даже при слете биоса.Я бы переписал биос на заведомо годный с сохранением старого. |
|

|