ESpec - мир электроники для профессионалов


ADP-90SB (19V) Нет стабилизации

  Список форумов » Ноутбуки и КПК

Следующая тема · Предыдущая тема
АвторСообщение
Dim_CA 
Участник
Сообщения: 126
 
Сообщение #1 От 14/11/2016 09:39 цитата  

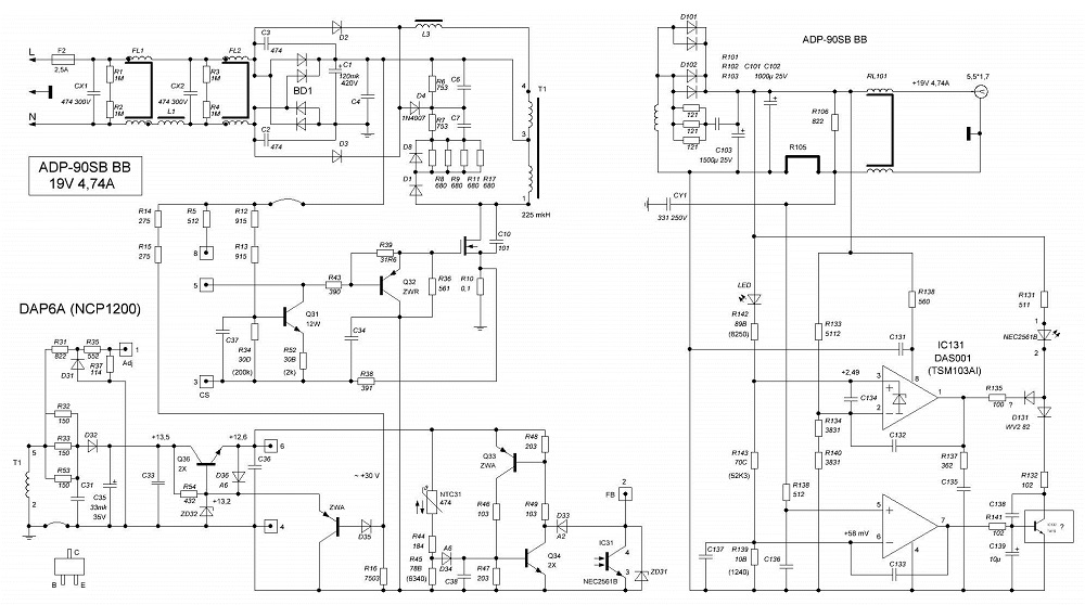
Сначала не всегда запускался. Потом стал запускаться на секунду и далее видно что диод плавно тухнет (без нагрузки).
Проврено:
Вторичные цепи на КЗ,входная ёмкость (315В), токовый датчик R10, Q36, стабилитрон в его базе (маркировки нет, выпаял, напряж стабилизации 14.5В),R32,33,53,54(в базе) С35 (ESR в норме, ёмкость тоже, на всякий случай вешал еще парр ему такой же), D32 выпайкой, номиналы делителя на adj R31,35, 37, D31.
Выписал в китае DAP6A (70р за 5 штук), поставил.
Теперь завёлся, напряжение на выходе 19В, но стоит нагрузить лампой 26В 10Вт - сразу падает до 5В.
На транзисторе оптопары на ХХ - 1В, при подключенной лампе 4В., на коллекторе Q36-17.5В, на эмиттере 8,5В, на катоде D35 - 36В.
Начал проверять всё подряд; Q33,Q34, D33,34,R16,46,47.Менял Q36.Снял ТПИ прозвонил обмотки, пропаял выводы.
Ничего не поменялось. Что дальше делать - уже не знаю...

  adp-90sb2.jpg  171.77 КБ  Скачано: 312 раз(а)
uzer2013 
Бывалый
Сообщения: 94
uzer2013
 
Сообщение #2 От 14/11/2016 14:26 цитата  

как себя ведёт оптопара
Dim_CA 
Участник
Сообщения: 126
 
Сообщение #3 От 14/11/2016 15:17 цитата  

Да вроде работает - когда надо "газку поддать" транзистор закрывается и на нём 4В
uzer2013 
Бывалый
Сообщения: 94
uzer2013
 
Сообщение #4 От 14/11/2016 18:59 цитата  

заменить пробовал

ДОБАВЛЕНО 14/11/2016 18:05

У меня бил тот же фокус менял всё кроме оптопари на проверку била ок, а при замене блок начал держать 19в.
Dim_CA 
Участник
Сообщения: 126
 
Сообщение #5 От 28/11/2016 09:57 цитата  

Нашел я в чём дело было. Перелопатив еще и вторичку всю до кучиподмигивание
С обмотки транса на коллектор Q36 через D32 должно идти на 6 вывод питание на DAP6A. Там был обрыв дорожки. Микра работала только через цепь запуска (8 вывод) и не могда развить сколько-нибудь достаточной мощности. Хотя на ХХ этого хватало.
Нашёл, подав на С35 напряжение и не обнаружил его на коллекторе Q36, соот-но и на эмиттере было не питание, а "обратка" из микрухи.

Перейти: 
Следующая тема · Предыдущая тема
Показать/скрыть Ваши права в разделе

Интересное от ESpec


Другие темы раздела Ноутбуки и КПК



Rambler's Top100 Рейтинг@Mail.ru liveinternet.ru