| Автор | Сообщение |
|
triano
|
Доброго времени суток!
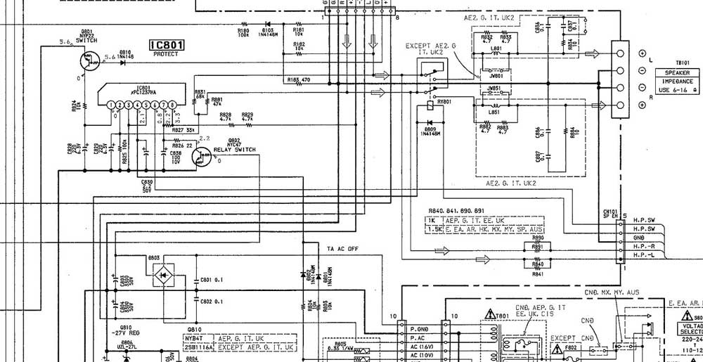
Пропал в МЦ звук в колонках. Разобрал аппарат и первое что сделал - проверил все питающие напряжения. Все вторичные напряжения в норме. Поиск начал с УНЧ. УНЧ -STK4182. Подключил наушники на передней панели-звук есть по обеим каналам. Попытаюсь предположить, что поскольку выход на наушники и на акустику с 10, и 13 ноги STK нераздельный, то STK по всей вероятности исправна. Если подцепить динамики на входные контакты реле, которая включает акустику, звук есть и на динамиках. Получается что не срабатывает реле, включающее акустику. Напряжение 12v на катушку реле приходит. Катушка реле целая. Дальнейшие поиски привели к микросхеме защиты PC1237HA. Эта микросхема управляет релюшкой.
Уровень "постоянки" на выходах 10 и 13 STK4182 = 0V, что подтверждает её исправность.
На 6 ноге mPC1237HA сидит 12v вместо 0.8v
Сигнал POWER идёт с процессора с 14 ноги.
Перерыл всю обвязку PC1237HA. |
|
|
Nickolai
|
Гнездо наушников пропаял ?
А на 4 ноге PC1237HA напруга есть ? |
|
|
triano
|
Так когда наушники заработали, я и полез сразу в схему и нашёл эти контакты. При их замыкании сигнал идёт на 6 ногу mPC1237HA. Тестером поставил режим прозвонки и щупами стал на 4 и 5 ногу колодки CN101. Без штекера наушников контакты прозваниваются. Подключаю наушники - разрывается и т.д..
На 4 ноге mPC1237HA - 2.1v. Обвязку микрухи проверил.
Шайтан какой-то. Захожу уже в тупик. |
|
|
Nickolai
|
| Значить менять mPC1237HA. |
|
|
triano
|
| Поменял PC1237HA - без изменнений |
|
Yuritsh
Фанат форума
Сообщения: 18498
|
| triano писал: | | Перерыл всю обвязку PC1237HA | Там и обвязки-то нету.
triano, озвучь напряжения на всех ногах микры. Это не так уж трудно.

|
|
|
triano
|
Напряжения на PC1237HA:
1 - 0V
2 - 0V
3 - GND
4 - 1.8V
5 - GND
6 - 12V
7 - 0V(должно быть 2,2v)
8 - 3,3V
ДОБАВЛЕНО 26/04/2016 14:29
добавил схему
pc1237ha.jpg 82.19 КБ Скачано: 1083 раз(а)
|
|
KRAB
Распугиватель клиентов
Сообщения: 21704
|
| на кнопке сетевой нет доп.контакта? |
|
|
triano
|
|
serega-64
Старший модератор
Сообщения: 10180
|
triano, =7 - 0V(должно быть 2,2v) =
R826, который 22 Ом с коллектора, убери и вопрос - с 6 ноги до реле звонится? Если после удаления R826 реле включит акустику, то проблема в цепи mute (база транзистора Q882). |
|
|
triano
|
serega-64,
| Цитата: | Напряжения на PC1237HA:
1 - 0V
2 - 0V
3 - GND
4 - 1.8V
5 - GND
6 - 12V
7 - 0V(должно быть 2,2v)
8 - 3,3V |
Если на 6 ноге висит 12 v, значит с блока питания 12V со стабилизатора 7812 подаётся через катушку реле, включающего акустику и через замкнутые контакты гнезда наушников на 6 ногу PC1237.
Проверю конденсатор С838 100мф 10V ESR-метром, может быть он просаживает напругу на 7 ноге. |
|
|
triano
|
| На 7 ноге микросхемы должно быть 2.2v, а у меня 0V. Так вот, на 7 ноге висит электролит C838 100mf 10v и я решил, что он может просаживать напряжение и выпаял его для проверки. ESR-метр показал вместо 100 мкф 10 пф, т.е конденсатор полностью дохлый. Поставил исправный и проблема решилась - реле начало клацать при включении, и подключать колонки. |
|
Yuritsh
Фанат форума
Сообщения: 18498
|
Это надо было сделать еще ДО начала ремонта.
| triano писал: | | Перерыл всю обвязку PC1237HA. | Значит ты изначально вводил всех в заблуждение.
Тема ни о чём.  |
|
krugen
Передовик
Сообщения: 1093
|
| Yuritsh писал: | Это надо было сделать еще ДО начала ремонта.
| triano писал: | | Перерыл всю обвязку PC1237HA. | Значит ты изначально вводил всех в заблуждение.
Тема ни о чём.  |
не согласен с вами, мне лично пригодилась, не тратил время на проверку STK и ее обвязки , а сразу обратил внимание что реле молчит, в моем случае пришлось заменить все электролиты в обвязке PC1237HA, |
|
Yuritsh
Фанат форума
Сообщения: 18498
|
| krugen, ты вроде давно в сфере ремонта. Для тебя до сих пор, дохлый лит - это целое открытие, которым надо восторженно делиться на форуме? |
|