ESpec - мир электроники для профессионалов


Раскодировка AUDI CHORUS AUZ1Z2 (XC85535CFN )

  Список форумов » Раскодировка

Следующая тема · Предыдущая тема
АвторСообщение
mikhal77 
Заглянувший
Сообщения: 2
 
Сообщение #1 От 04/07/2014 21:37 цитата  

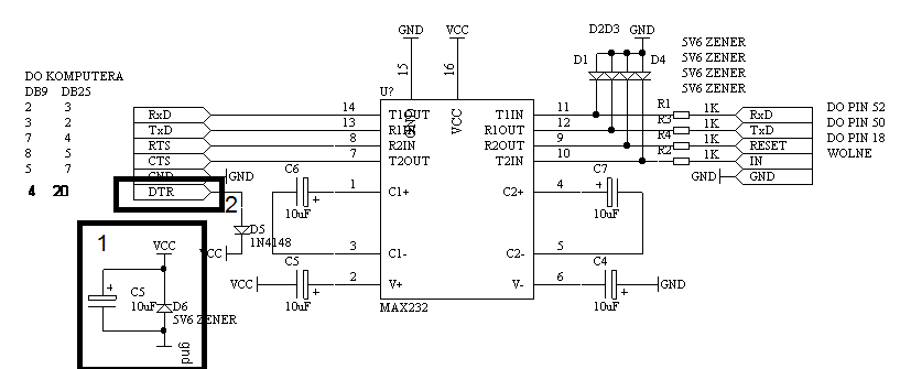
Добрый вечер.Впервые столкнулся с чтением/прошивкой процессоров.
Натолкнулся на такую схему
Возникло пару вопросов:
1. Данный блок можно заменить стабилизатором на 7805 ?
2. Вывод DTR нужно через диод на vcc? (полистав схемы программаторов, не обнаружил подобных решений)
Прилагаю печатку. Прошу направить на путь истинный

печаткаянный.jpg
 Описание:
 Размер файла:  263.57 КБ
 Просмотрено:  336 раз(а)

печаткаянный.jpg


  HC05.gif  8.36 КБ  Скачано: 400 раз(а)
snoopy 
Учу ТВ летать
Учу ТВ летать
Сообщения: 3023
 
Сообщение #2 От 05/07/2014 01:07 цитата  

mikhal77,Вот 100% рабочая! + Моткрякер 6.2

  Intf05.rar  27.36 КБ  Скачано: 545 раз(а)
mikhal77 
Заглянувший
Сообщения: 2
 
Сообщение #3 От 05/07/2014 19:07 цитата  

snoopy,
Спасибо! А печатной платы не найдется?

Перейти: 
Следующая тема · Предыдущая тема
Показать/скрыть Ваши права в разделе

Интересное от ESpec


Другие темы раздела Раскодировка



Rambler's Top100 Рейтинг@Mail.ru liveinternet.ru