| Автор | Сообщение |
|
Spaceman_Vyacheslav
|
| Принесли магнитолку. Якобы после неправильного подключения ( перепутали + с - ). 5В на проц идет, на 15-ой ноге нет power on при нажатии на кнопку вкл. Сдох проц? на 20-ую ногу при нажатии кнопки включения приходит ноль |
|
|
Spaceman_Vyacheslav
|
| Ау, люди... Есть предложения, кроме "отнести на помойку..." |
|
GruVital
Не фанат форума
Сообщения: 4794
|
| Spaceman_Vyacheslav, Что с остальными напругами? |
|
Freddy
Передовик
Сообщения: 2750
|
| Spaceman_Vyacheslav, остальные стабилизаторы преобразователи смотри. |
|
|
Spaceman_Vyacheslav
|
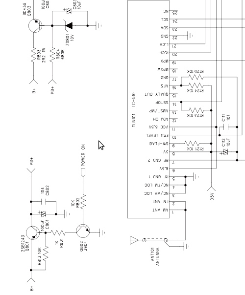
Ок, перечисляю: PB+ =0V, т.к. нет power on
D9V =0V, т.к. нет PB+
B5V =5V
P5V = 0V
D5V= 0V, т.к. нет power on
на 58, 59 ноге нет генерации
Прошу сильно не пинать за нарушение правил (хотя вроде все соблюл)
ДОБАВЛЕНО 02/09/2010 13:57
Q801 подкорачиваю К-Э - светится дисплей, все элементы и все( |
|
GruVital
Не фанат форума
Сообщения: 4794
|
Spaceman_Vyacheslav, Сам себе и ответил!
| Spaceman_Vyacheslav писал: | PB+ =0V, т.к. нет power on
D9V =0V, т.к. нет PB+ |

Без имени .jpg 52.08 КБ Скачано: 2022 раз(а)
|
|
|
Spaceman_Vyacheslav
|
|
GruVital
Не фанат форума
Сообщения: 4794
|
| Spaceman_Vyacheslav, Проверь ещё раз, как следует, все цепи питания и стабилизаторов! Потом вывод! |
|
|
Spaceman_Vyacheslav
|
| GruVital писал: | | Spaceman_Vyacheslav, Проверь ещё раз, как следует, все цепи питания и стабилизаторов! |
Да уж на 10 раз проверил все  |
|
Freddy
Передовик
Сообщения: 2750
|
|
jurij+
Фанат форума
Сообщения: 30578
|
| Что на выводе reset проца? |
|
|
Tarasuk
|
| если чесно сколько 515 било в ремонте после переплюсировки, но проц всегда оставался жив. Только проблема с питанием. Что то еще умное придет на ум , или что то вспомню, отпишусь. |
|
|
Ulan77777
|
| Доброе утро. АМ после переполюсовке взорвался УНЧ и по питании конденсатор на 33000 мкф на 16 вольт. Выпаял УНЧ. Поменял кондер. Включаю магнитолу на 1 сек дисплей загорается и тухнет. СД привет работает. Смысле диск вытаскивает и принимает. Почему дисплей не включается? Может УНЧ который я от паял? |
|
Серж66
Фанат форума
Сообщения: 5771
|
| Ulan77777, а может схему почитаем. |
|
|
Ulan77777
|
| Серж66 писал: | | Ulan77777, а может схему почитаем. |
Давай. Что надо? |
|
Серж66
Фанат форума
Сообщения: 5771
|
а поиск ещё никто не отменял.
Давай под церковь. |
|
jurij+
Фанат форума
Сообщения: 30578
|
Жжжжжжжж,и полетел дальше.  |
|