| Автор | Сообщение |
rommy
Модератор
Сообщения: 3188
|
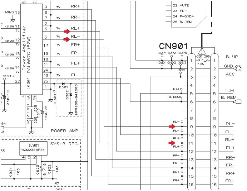
Имеется пионер DEH-5950,микру унча заменил на тда7388 (купил тда7560,оказался брак - нет звука,больше покупать не хочу).
Проблема - нет управления на внешний усилок,25нога унча.
Погуглил что и как переделать,но как то расплывчато.
Вот кусок схемы,откуда брать управление?У клиента провода АСС и B.UP соединены вместе.
Думаю сделать + на коллектор транзистора (любой с током коллектора 0,5А),эмиттер на провод управления B.REM (его паять через диод Д301,а 25 ногу отрезать или напрямую?),а вот базу куда паять?
Безымянный.JPG 76.52 КБ Скачано: 531 раз(а)
|
|
m.ix
Master Mixa
Сообщения: 1972+
|
управление внешним усилком осуществляется 25 ногой 7560
в 7388 этого управления нету
У клиента провода АСС и B.UP
===============
ну и придурок он
один для памяти нужен - постоянно на акке висит
второй для мощного выхода - от ключа подаётся питание
если тебе интересно маятся с ключами
то есть повер он 4 пин с унч
от него и можешь и взять на базу |
|
rommy
Модератор
Сообщения: 3188
|
| m.ix писал: |
если тебе интересно маятся с ключами
то есть повер он 4 пин с унч
от него и можешь и взять на базу |
Интересно маятся с ключами,так как ещё раз покупать 7560 я не рискнул,а 7388 была в наличии.
Там 5В когда вкл,и если делать на одном транзисторе,на выходе тоже было 5В.
Сделал схему на 2х транзисторах.,применяется в наборных ключах китайских телефонов.
На выходе есть 12В. |
|
Paganel
Завсегдатай
Сообщения: 523
|
| rommy писал: | Сделал схему на 2х транзисторах.,применяется в наборных ключах китайских телефонов.
На выходе есть 12В. | Меня бы обломило так возиться. Прицепил бы мелкогабаритное реле или к VCC 2 (8.4V), или вместо коллекторной нагрузки R301 ключа Q301. Зависит от того, что первое под руку бы попалось: или реле на 9V, или реле на 5V. Экономия времени + резкое увеличение нагрузочной способности REM OUT (в виде бонуса ) ... |
|
Серж66
Фанат форума
Сообщения: 5771
|
| В ДОРОГИЕ АППАРАТЫ ВСЕГДА СТАВЛЮ РОДНЫЕ, т.к. если акустику подбирали под голову звук сразу меняется. |
|
rommy
Модератор
Сообщения: 3188
|
| Серж66 писал: | | В ДОРОГИЕ АППАРАТЫ ВСЕГДА СТАВЛЮ РОДНЫЕ, т.к. если акустику подбирали под голову звук сразу меняется. |
ПАЛ покупать это слишком дорого,с тда7560 как писал,уже обломался.
Да и диск внутри был с шансоном,ещё и мп3.Вобщем я понял что качество звука при этом роли не играет.
| Paganel писал: | Меня бы обломило так возиться. Прицепил бы мелкогабаритное реле или к VCC 2 (8.4V), или вместо коллекторной нагрузки R301 ключа Q301. Зависит от того, что первое под руку бы попалось: или реле на 9V, или реле на 5V. Экономия времени + резкое увеличение нагрузочной способности REM OUT (в виде бонуса ) ... |
Думал о релюхах,но мелкой не было под рукой.Да и возни там на 5 минут,не больше чем с релюхой.
Сделал такую схему,нагрузочная способность нормальная.

|
|