| Автор | Сообщение |
|
sinsei
|
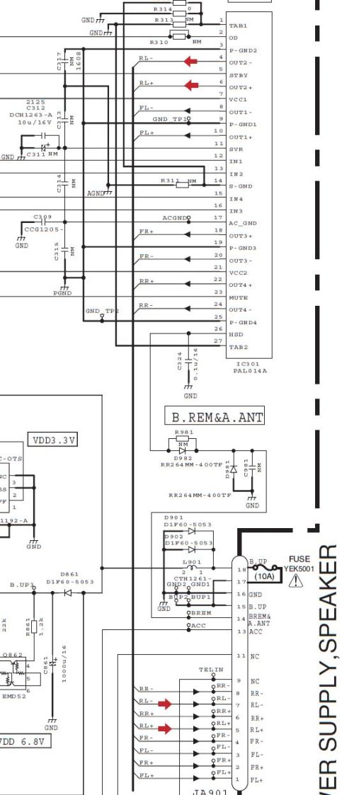
Всем доброго времени суток . Столкнулся с проблемой , после подварки авто вышла из строя автомагнитола pioneer MVH-S100 . Вскрытие показало кз по питанию в микросхеме УНЧ PAL014A . В продаже ее у нас нет , в китае тоже не нашел . Если у кого есть опыт замены PAL014A на аналог , прошу отписаться и в деталях обьяснить что нужно переделать , что бы оно заработало .
| IMG_20191120_224736.jpg |
| Описание: |
|
| Размер файла: |
435.65 КБ |
| Просмотрено: |
2300 раз(а) |

|
|
|
jurij+
Фанат форума
Сообщения: 30494
|
| TDA7560A,TDA7860A, Flexiwatt27 |
|
|
sinsei
|
При замене на TDA7560A , нужно ли что то менять по разводке и подключению микросхемы или просто заменить как есть ? К сожалению datasheet на PAL014A я не нашел .
И второй вопрос , на что можно заменить смд диоды стоящие параллельно в защите по входу питания , что означает их маркировка (V6 74 ) ? фото прилагаю .
| IMG_20191120_17235811.jpg |
| Описание: |
|
| Размер файла: |
213.01 КБ |
| Просмотрено: |
1077 раз(а) |

|
|
|
foxter-x
Передовик
Сообщения: 1503
|
|
|
sinsei
|
Диоды FES2A 6V планирую заменить на ES3J , подойдут ?
При замене PAL014A на TDA7560A , микросхема просто меняется как есть без доработки , или какие то манипуляции с контактами (ножками) TDA7560A нужно проделывать ? |
|
|
sinsei
|
Всем спасибо за советы . Вопрос решен положительно . Заменил PAL014A на TDA7560A без всяких переделок а диоды в защите FES2A 6V на ES3J . Диоды ES3J по корпусу в 2,5 раза больше но мощнее , приколхозил на коротких проводках и одел в термоусадку . В итоге все заработало . Качество звука все же немножечко стало похуже , но не критично , самую малость ... Громкость такая же как и была до ремонта , возможно даже чуток погромче стал . С помощью эквалайзера и др. улучшателей , звук настроил почти так как и было до ремонта . Звучит после ремонта (Pioneer MVH-S100UBG) ни чуть не хуже бюджетных кенвудов и дживиси .
В общем можно сделать вывод , на замену PAL014A можно брать TDA7560A , устанавливается как есть , без переделок . Так же я думаю подойдет TDA 7851A , теоретически качество звука у него должно быть чуток получше . |
|
jurij+
Фанат форума
Сообщения: 30494
|
| Цитата: | | Так же я думаю подойдет TDA 7851A |
Прежде чем такое заявлять, рекомендую всё же ознакомится с ДШ, на данные УНЧ. |
|
|
sinsei
|
Различие только по 26 ножке . На PAL014A - HSD , на TDA 7851A - CD
Обратил внимание что конденсаторы аудио входов отличаются от необходимых для TDA7560A . Стоят по 0,47мкф , а нужно по даташиту по 0,1 мкф.
По информации из интернета их подбирают - от 0,05 до 4,7 мкф (0,1 стандарт). При большой емкости входных конденсаторов, усилитель будет выдавать больше НЧ |
|
jurij+
Фанат форума
Сообщения: 30494
|
На PAL014A - HSD , на TDA 7851A - CD
Совершено верно.И в этом очень большая разница. |
|
|
sinsei
|
| Вопрос знатокам , можно ли заменить TDA7560А -27pin на TDA 7851A -27pin ( различие по 26 ноге , нужно HSD а стоит CD ) Или на TDA7850-25pin ( различие нет ножки OFF DET ) ? Я понимаю что хороший вариант для замены TDA7850А , но просто нет в продаже . Перечислил то что можно быстро купить . |
|
FreddikMerfi
Автокран Ивановец
Сообщения: 4075
|
| sinsei, без танцев с бубном нет. Надо будет менять не только конденсатор по питалову (номинал), но и пару ног скорее всего по другому распаять и номиналы резисторов поменять. Хотя я не утверждаю точно, надо ждать уважамемого jurij+, он спец по автомобильной системе. |
|
|
sinsei
|
|
|
sinsei
|
| jurij+ писал: | На PAL014A - HSD , на TDA 7851A - CD
Совершено верно.И в этом очень большая разница. |
| Код: | | В магнитоле MVH-S100 с 26 ноги микросхемы PAL014A подаётся питание для внешних устройств (B.REM&A.ANT - антенна, управление усилителем и т. д.). |
Можно смело игнорировать и не подключать 26 ногу TDA 7851A , Clipping detector работать к сожалению не будет , но в остальном все совпадает .
PS:
Заменил сгоревшую PAL014А на TDA7581A . 26 ногу обрезал по дорожке . Мафон работает . Низы сильные но немного замыленные , буду играться с разделительными конденсаторами . СЧ и ВЧ в норме .
Все же хочу сделать вывод что родная PAL014А выдавала звук немножечко , самую малость получше . Изначально ее менял на TDA7650A , звук стал хуже , хотя и не самый плохой , но не то . Её поменял на TDA7581A , чуда не случилось и сказать что разница большая будет не правдой . Но разница есть и в лучшую сторону . Заметно лучше детализация на высоких , совсем немного не дотягивает до родной PAL014А .
26-014а.JPG 91.03 КБ Скачано: 1578 раз(а)
|
|
TTolya
Завсегдатай
Сообщения: 676
|
|
jurij+
Фанат форума
Сообщения: 30494
|
Я давал рекомендации о полноценной замены.
А если колхоз, то можно ставить всё что под руку попадется.
Допустим, не вижу проблем поставить 4е штуки 174УН14 со всей обвязкой...
Надеюсь вы поняли меня правильно.  |
|
|
sinsei
|
| Вчера покатался с музычкой , могу сказать что звук на TDA7851A получился хороший , после замены разделительных конденсаторов с 0,47 на 0,22 мкф. где то примерно на уровне или очень близко к оригинальной PAL014A . Во всяком случае я от прослушивания музыки получил удовольствие . Интересно что на родной микросхеме что MP3 что FLAC играло почти одинаково . Теперь FLAC звучит , как мне показалось , лучше . Так что советую как хороший аналог для замены . |
|