ESpec - мир электроники для профессионалов


960GM-VGS FX снесены smd под чипом ALC 662

  Список форумов » Настольные компьютеры

Следующая тема · Предыдущая тема
АвторСообщение
jurokv 
Заглянувший
Сообщения: 6
 
Сообщение #1 От 19/01/2015 14:45 цитата  

Добрый день. При снятии ALC662 снес с низу чипа обвязку smd кодека . Помогите восстановить.
павлик 22 
Сам себе на уме
Сообщения: 1137
павлик 22
 
Сообщение #2 От 20/01/2015 00:24 цитата  

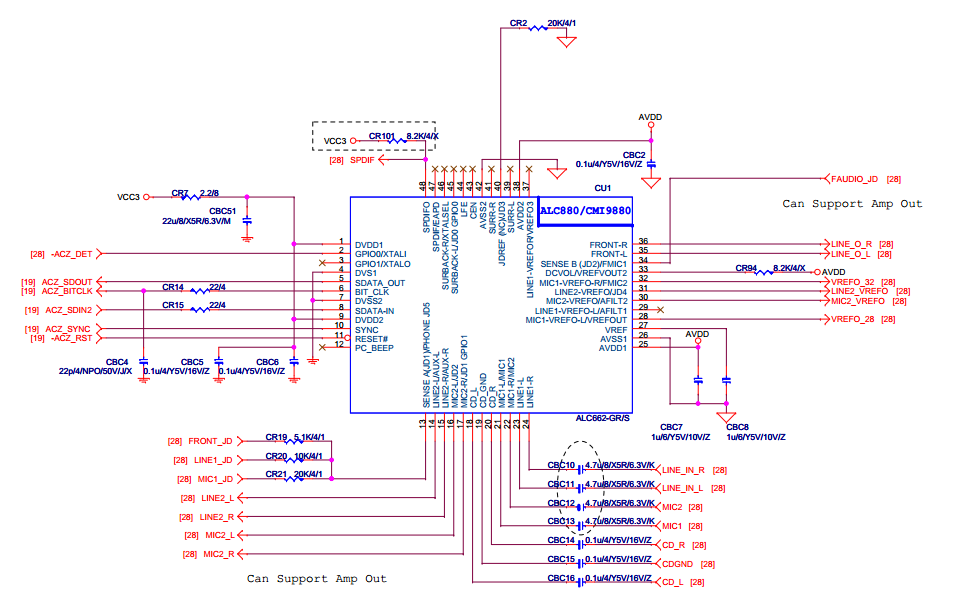
jurokv,схема с ALC 662 27 страничка http://kythuatphancung.vn/uploads/download/40147_G31M_S2C_R11.pdf

  2015-01-20_032232.png  106.65 КБ  Скачано: 281 раз(а)
jurokv 
Заглянувший
Сообщения: 6
 
Сообщение #3 От 21/01/2015 11:23 цитата  

Спасибо классно!

Перейти: 
Следующая тема · Предыдущая тема
Показать/скрыть Ваши права в разделе

Интересное от ESpec


Другие темы раздела Настольные компьютеры



Rambler's Top100 Рейтинг@Mail.ru liveinternet.ru