| Автор | Сообщение |
|
Бермудский
|
СМА ARDO TL810E выгорела плата MINISEL 546053900-01 в районе С1.Будьте так любезны, подскажите номинал резистора R54.
Добавил фото модуля (правда модуль не совсем тот):

|
|
xarl
Модератор
Сообщения: 21870
|
|
|
Бермудский
|
|
Рифат
Обыкновенный человек
Сообщения: 17778
|
xarl, Юра ,серьёзно?  |
|
xarl
Модератор
Сообщения: 21870
|
|
mas-ter
Фанат форума
Сообщения: 3987
|
|
Рифат
Обыкновенный человек
Сообщения: 17778
|
а у меня они 47 Ом  |
|
mas-ter
Фанат форума
Сообщения: 3987
|
grifat, На схеме
| grifat писал: | | а у меня они 47 Ом |
Попробуй поставить............. проц сразу в утиль  |
|
xarl
Модератор
Сообщения: 21870
|
| Рифат, ты наверное другой модуль смотришь. |
|
cybe
Фанат форума
Сообщения: 12800
|
| mas-ter писал: | | grifat писал: | | а у меня они 47 Ом |
Попробуй поставить............. проц сразу в утиль  | С чего вдруг? Просто замучаешься резики менять после набора воды  |
|
mas-ter
Фанат форума
Сообщения: 3987
|
| cybe, R16, R17 замени на 47 Ом Рифат пишет, что они все одинаковые. |
|
Рифат
Обыкновенный человек
Сообщения: 17778
|
я смотрю у себя модуль MINISEL 546053900
ДОБАВЛЕНО 21/02/2012 11:15
3Вт по 47 Ом. Жёлтый , фиолетовый, чёрный , золотой.  |
|
xarl
Модератор
Сообщения: 21870
|
Правильно, в этих по замку стоят, бывают 100 Ом.
А здесь о R54 речь. |
|
Рифат
Обыкновенный человек
Сообщения: 17778
|
Юра , мне надо фото выложить , чтоб поверили?  |
|
xarl
Модератор
Сообщения: 21870
|
| Рифат, да я сразу поверил и твой модуль смотрел (47) и свой в руках держу (100), но это -другой модуль... |
|
Рифат
Обыкновенный человек
Сообщения: 17778
|
Юра , ты не понял.Бермудский, сам писал, что
| Цитата: | | (правда модуль не совсем тот): |
а у меня именно такой MINISEL 546053900, как я понимаю как и у автора на руках. |
|
cybe
Фанат форума
Сообщения: 12800
|
Рифат: +1000 всех умыл! Бермудский за дезу отдыхает 

|
|
xarl
Модератор
Сообщения: 21870
|
| Нееее... я так не играю. Тогда все правильно, если именно этот модуль. |
|
Рифат
Обыкновенный человек
Сообщения: 17778
|
|
|
Бермудский
|
Ещё раз большое спасибо,xar!
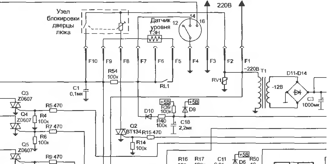
Это действительно правельный ответ!Потому как модуль уже заработал - раз,и два - нашёл схемку для подтверждения.Вот кусочек схемы:
ДОБАВЛЕНО 21/02/2012 23:46
А за фото чужого модуля в первом сообщении прошу извенить,если кого-либо ввёл в заблуждение.Но он практически один в один с модулем-пациентом.
ARDO TL810E.jpg 142.58 КБ Скачано: 1071 раз(а)
|
|