ESpec - мир электроники для профессионалов


Ресанта САИ-190.

  Список форумов » Другая аппаратура

Следующая тема · Предыдущая тема
АвторСообщение
suolvi 
Участник
Сообщения: 172
 
Сообщение #1 От 02/04/2013 15:21 цитата  

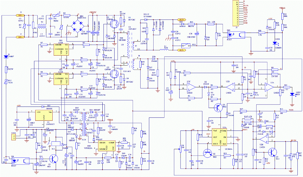
Здравствуйте.Аппарат- плата управления 12 ног на uc3845 в корпусе dip8,lm324.Проблема-зауженные импульсы на ХХ около20%.Напруга на 1 ноге шим-2в.на 3 ноге-0в.На выходных клемах на хх-74в.При подъёме 1 ноги шима на ней 7в. и меандр на выходе. Просаживает напругу 1выход операционника,на котором 0,8в.На 3 его ноге с потенциометра на максимуме 3в.,на 2 ноге с трансформатора тока 4 в.Отсюда вопрос-какая напруга должна быть с трансформатора тока на хх?Буду очень признателен за совет.
viktor_ramb 
Сам себе начальник
Сообщения: 23835
viktor_ramb
 
Сообщение #2 От 02/04/2013 15:42 цитата  

suolvi, во первых при таком описании дефекта прилагают схему, во вторых выход операционника не может "просаживать" напругу если он исправный - это противоречит принципам работы электронных схем, в третьих о каком трансформаторе тока идёт речь?
suolvi 
Участник
Сообщения: 172
 
Сообщение #3 От 02/04/2013 16:39 цитата  

В прикреплённой схеме управа полностью совпадает.Трансформатор тока-выводы 8,5 трансформатора т2.

  19b9f6ad0ef5.gif  193.96 КБ  Скачано: 739 раз(а)

Перейти: 
Следующая тема · Предыдущая тема
Показать/скрыть Ваши права в разделе

Интересное от ESpec


Другие темы раздела Другая аппаратура



Rambler's Top100 Рейтинг@Mail.ru liveinternet.ru