| Автор | Сообщение |
|
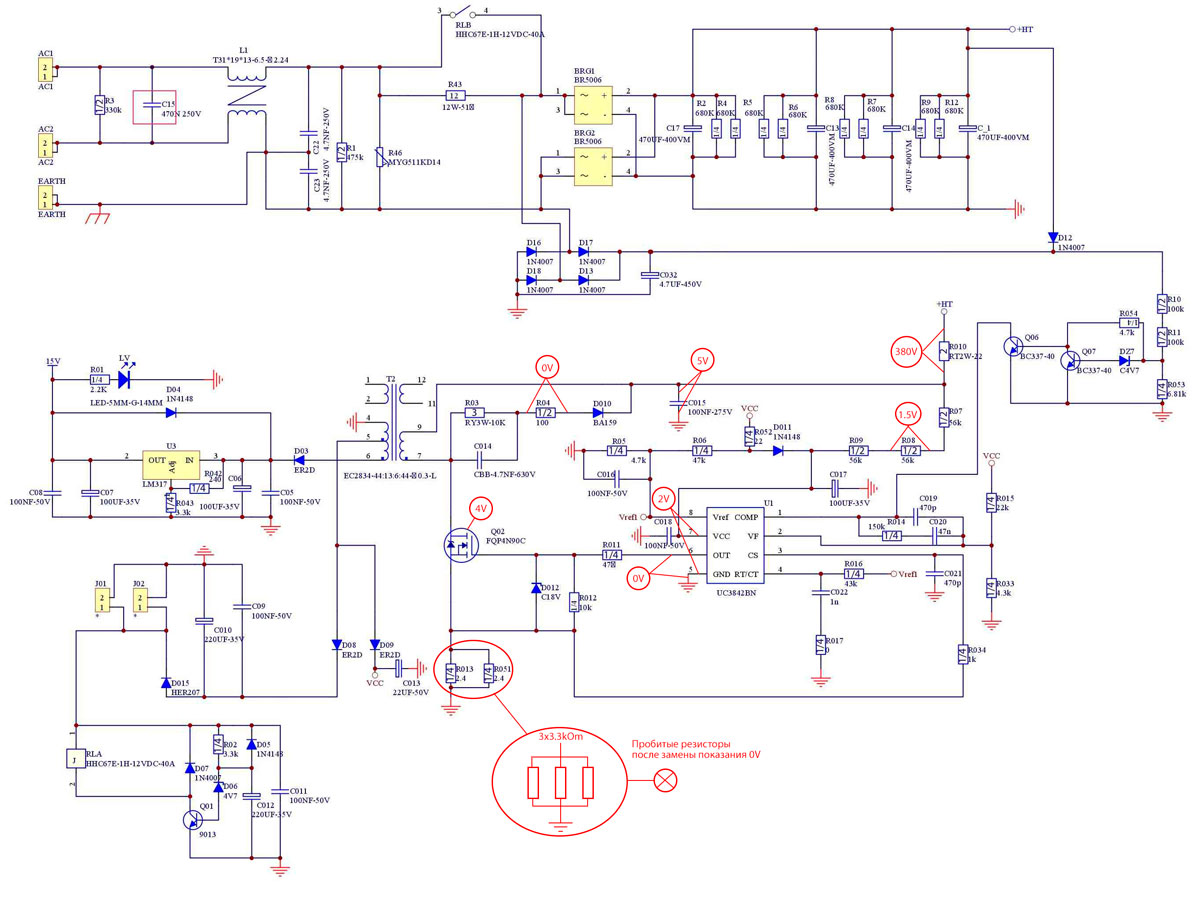
Dmitry1988
|
Доброго времени суток.
Аппарат Ресанта 190, на плате наклейка GP123, выключился и не включается.
Лампочки-индикаторы не светят, вентиляторы не крутятся, жужжаний, щелчков, постукиваний - нет
Были обнаружены пробитые резисторы в связке R051
Проверил цепочки С015, R010-R07-R08-R09, C014-R03-R04-D010, R02-D07-D06-D05
Заменил на новый полевик Q02
Прикрепил схему с которой работаю, на ней отметил измерения.
Без ШИМки U1 показания на 5-7 ноге не меняются
Спецы, прошу помощи в ремонте, подскажите с чего начать и в какую сторону смотреть?
0002.jpg.jpg 147.72 КБ Скачано: 906 раз(а)
|
|
REKKA
Фанат форума
Сообщения: 3722
|
Шим в урну ,полевик за ним. Короче меняй ШИМ и смотри на нем генерацию осликом
Вот для тебя:Проверить выходное сопротивление можно омметром между контактами 5 (GND) и 6 (OUT) микросхемы
Полярность подключения измерительного прибора не имеет значения.
Такое измерение лучше производить при выпаянной микросхеме.
В случае пробоя микросхемы это сопротивление становится равным нескольким Ом.
Можно так же измерять выходное сопротивление, не выпаивая микросхему,
то необходимо предварительно выпаять неисправный транзистор, так как в этом случае может "звониться" его пробитый переход "затвор-исток".
Кроме того, при этом следует учесть, что обычно в схеме имеется согласующий резистор, включаемый между выходом микросхемы и "корпусом".
Поэтому у исправной микросхемы при проверке может появиться выходное сопротивление. Хотя, оно обычно не бывает меньше 1 кОм.
ШИМ-контроллера UC3842
Таким образом, если выходное сопротивление микросхемы очень мало или имеет значение близкое к нулю, то ее можно считать неисправной.
Моделирование работы микросхемы Такая проверка проводится без выпаивания микросхемы из блока питания.
Блок питания перед проведением диагностики необходимо выключить!
Суть проверки заключается в подаче питания на микросхему от внешнего источника и анализе ее характерных сигналов (амплитуды и формы)
с помощью осциллографа и вольтметра.
Порядок работы включает в себя следующие шаги:
1) Отключить монитор от сети переменного тока (отсоединить сетевой кабель).
2) От внешнего стабилизированного источника тока подать на контакт 7 микросхемы питающее напряжение более 16В (например, 17-18 В).
При этом микросхема должна запуститься. Если питающее напряжение будет менее 16 В, то микросхема не запустится.
3) С помощью вольтметра (или осциллографа) измерить напряжение на контакте 8 (VREF) микросхемы.
Там должно быть опорное стабилизированное напряжение +5 В постоянного тока.
4) Изменяя выходное напряжение внешнего источника тока, убедиться в стабильности напряжения на контакте 8.
(Напряжение источника тока можно изменять от 11 В до 30 В,
при дальнейшем уменьшении или увеличении напряжения микросхема будет отключаться, и напряжение на контакте 8 будет пропадать).
5) Осциллографом проверить сигнал на контакте 4 (CR).
В случае исправной микросхемы и ее внешних цепей на этом контакте будет линейно изменяющееся напряжение (пилообразной формы).
6) Изменяя выходное напряжение внешнего источника тока,
убедитесь в стабильности амплитуды и частоты пилообразного напряжения на контакте 4.
7) Осциллографом проверить наличие импульсов прямоугольной формы
на контакте 6 (OUT) микросхемы (выходные управляющие импульсы).
Если все указанные сигналы присутствуют и ведут себя в соответствии с вышеприведенными правилами,
то можно сделать вывод об исправности микросхемы и ее правильном функционировании.
В заключение хочется отметить, что на практике стоит проверитьисправность не только микросхемы, но и элементов ее выходных цепей (рис.3).
В первую очередь это резисторы R1 и R2, диод D1, стабилитрон ZD1, резисторы R3и R4, которые формируют сигнал токовой защиты.
Эти элементы часто оказываются неисправными при пробоях
Блок питания TV. В телевизоре где применен импульсный блок питания с использованием ИС UC3842.
Микросхема представляет собой устройство управления сетевым импульсным источником питания.
Встроенные структурные элементы микросхемы обеспечивают ее отключение при недопустимо
низком входном напряжении и пусковом токе менее 1 мА.
Прецизионный источник опорного напряжения тарирован для повышения точности на входе усилителя сигнала ошибки.
ШИМ-компаратор контролирует также ограничение потоку,
а квазикомплементарный выходной каскад рассчитан на броски тока (как в текающего, так и вытекающего).
Схема управления являет собой собою выходной буферный каскад, выходной ток этого каскада — ±1А.
Этот каскад может управлять работой силового ключа на большой частоте.
Выходной каскад обеспечивает работу на нагрузку типа n-канального полевого транзистора с изолированным затвором
и имеет низкий логический уровень напряжения в отключенном состоянии.
Схема отключения при понижении входного напряжения имеет пороговые напряжения включения и выключения соответственно 16 и 10В.
Гистерезис равный 6В предотвращают беспорядочные включения и выключения напряжения при подаче питания.
Для эффективного питания конвертера достаточно тока запуска в 1mA, протекающего от сетевого выпрямителя.
Во время нормальной работы схемы напряжение питания снимается с обмотки обратной связи трансформатора питания
с помощью диода VD806 и конденсатора C810. C810 при запуске должен быть заряжен до 16В через резистор R804.
Частота преобразования блока питания зависит от постоянной времени RC-цепи, подключенной к выводу 4 (R808 и C807)
и составляет 30-40кГц.
Тактовый генератор UC3842 (рис. 4.3) рассчитан на работу в частотном диапазоне от 10кГц до 1Мгц.
В нашем случае он будет работать на частоте до 100кГц, так как это оптимальная частота для работы всего преобразователя.
Вывод 3 является входом системы ограничения максимального тока через управляющий транзистор VT801.
Увеличение порога максимальной мощности усилителя достигается уменьшением R813 и R814.
Напряжение обратной связи подается на вывод 2, изменение R807 в этой цепи позволяет изменять выходное напряжение.
0
ДОБАВЛЕНО 17/04/2016 22:24
http://www.kenotrontv.ru/forum/uploads/gallery/album_132/sml_gallery_31_132_2242.gif |
|
|
Dmitry1988
|
Спасибо большое буду переваривать текст и делать.
Хотел же сразу купить ШИМку ...  |
|
|
alexey72033
|
| проверь резисторы R07,R08,R09 на обрыв,проверь R010,R011,R013,R051,в ресантах они почему-то часто обрываются |
|
|
(Sergey)
|
| Резистор R010 22 ом.поставь ватта на 3-4.R011 поставь на 22 или на 47 ом.R013 поставь 1,21 превысишь его получишь мигание двух света диодов!если в обрыве эти резисторы шимки uc 3842 хана.меняй сразу,ну и для полного счастья возьми транзистор 4n90 или 4n60.возьми лампочку ватт на 100 и посвети с другой стороны от smd проверка на микро трещины и лупу!удачи в ремонте! |
|
|
Hиkoлaй
|
| Всем привет, столкнулся с подобной проблемой резистор по цветовым (красный оранжевый черный красный коричневый) полоскам 23 кОма а звонится как 39 кОм обозначается на плате как 1r16 (стоит в цепи регулятора). Заранее благодарен. |
|

|