ESpec - мир электроники для профессионалов


Ищу схему инвертора SAMPO LVE0322

  Список форумов » Схемы и сервис-мануалы

Следующая тема · Предыдущая тема
АвторСообщение
forrvard 
Участник
Сообщения: 130
 
Сообщение #1 От 07/04/2013 13:26 цитата  

Телевизор SANYO шасси 17mb01
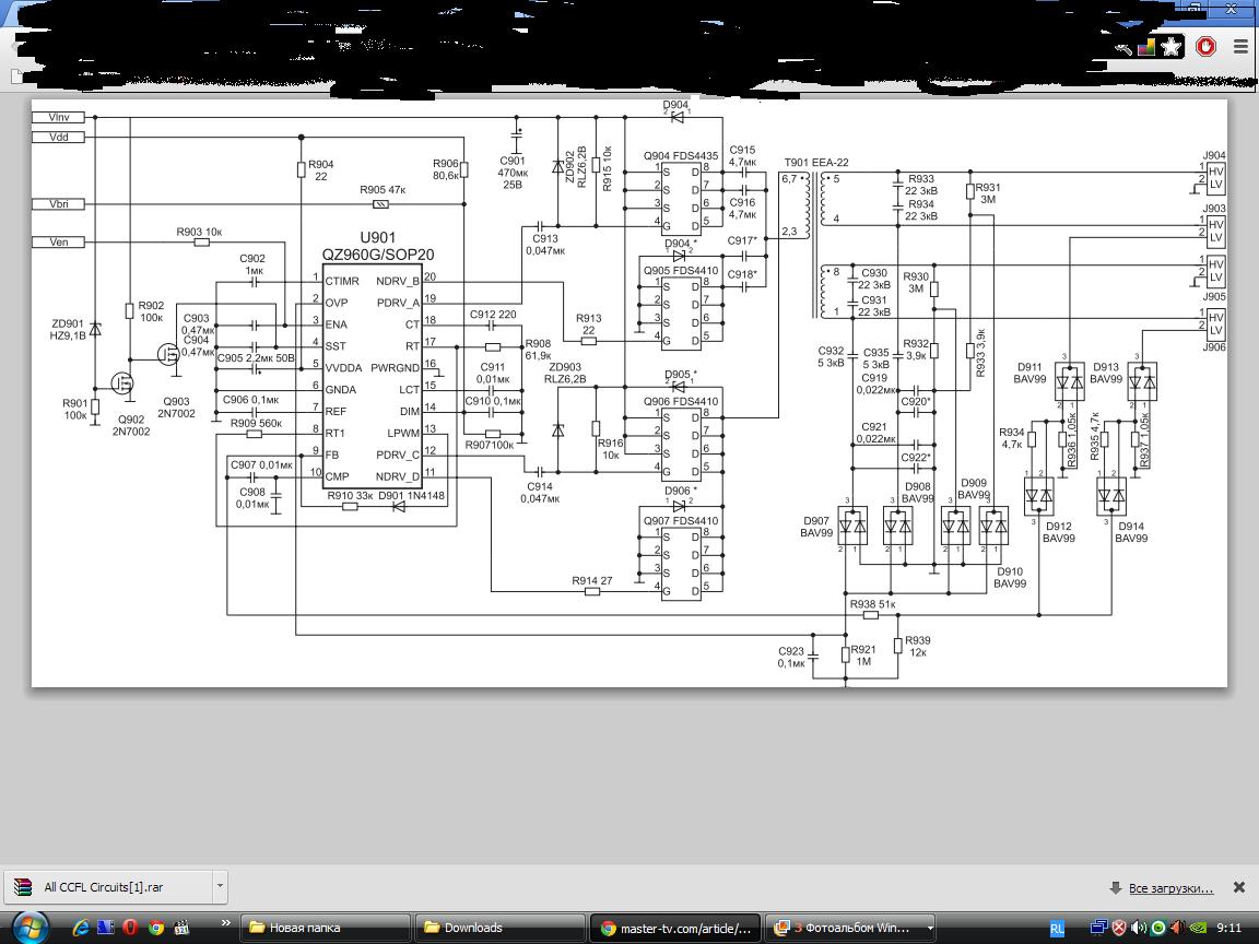
Инвертор Sampo LVE0322 QPWBGL768IDG
Состав инвертора OZ960S FDS8958A -4шт.
Otto1 
Завсегдатай
Сообщения: 411
Otto1
 
Сообщение #2 От 07/04/2013 13:27 цитата  

forrvard, а что конкретно интересует?Проблему опиши.
Почитай о работе OZ960 может схема и не понадобится.
forrvard 
Участник
Сообщения: 130
 
Сообщение #3 От 09/04/2013 08:47 цитата  

Вобщем проблему нашел - оба трансформатора во вторичках КЗ. Трансформаторов таких нету. Посоветовали поставить универсальный инвертор на 4 лампы. А на моем инверторе лампы подключенны как-то странно ( паралельно чтоли) по 3 провода идет с 2- сторон. Вот и думаю подойдет ли ?
forrvard 
Участник
Сообщения: 130
 
Сообщение #4 От 09/04/2013 09:21 цитата  

К примеру так подключены лампы на моем инверторе [/img]

ДОБАВЛЕНО 09/04/2013 10:30

Возможна ли такая замена?

Так подключены лампы на моем инвертере


  На универсальном.JPG  128.75 КБ  Скачано: 456 раз(а)

Перейти: 
Следующая тема · Предыдущая тема
Показать/скрыть Ваши права в разделе

Интересное от ESpec


Другие темы раздела Схемы и сервис-мануалы



Rambler's Top100 Рейтинг@Mail.ru liveinternet.ru