ESpec - мир электроники для профессионалов


ViewSonic VG2021m Нужна схема БП монитора.

  Список форумов » Схемы и сервис-мануалы

Следующая тема · Предыдущая тема
АвторСообщение
Lupik2 
Бывалый
Сообщения: 76
 
Сообщение #1 От 08/11/2010 09:46 цитата  

Доброго времени суток! Помогите схемой блока питания (БП) на монитор ViewSonic VG2021m Model: VS11234
Плата блока питания и инвертора: DAC-12M033AF REV. 02A
Схемы (сервис мануалы) на сам монитор нашел, но в них нет схемы блока питания и инвертора. Проблема в следующем, мигает индикатор питания и монитор ни на что не реагирует. Думал типовуха, поменял все литы во вторичке и первичке, ничего не изменилось. Напряжения все в норме, кроме одного, входного на стабилизатор 78L12, скачет. Проблема идет с первички, потому что на шиме EA1532A 1 нога (VCC) также скачет. Прозвонка ничего не дала, но где-то же собака зарыта...
Заранее благодарю за помощь!!!
Lupik2 
Бывалый
Сообщения: 76
 
Сообщение #2 От 27/11/2010 11:53 цитата  

Доброго времени суток! Схему так и не нашел, но проблема решена. Оказалось, выделывался стабилизатор АМС1117-3.3 по 3,3 в. (замена на DL33) на главной плате...
touchmetouch 
Бывалый
Сообщения: 58
touchmetouch
 
Сообщение #3 От 09/04/2011 05:37 цитата  

У меня такой же монитор.Вообще не дышит схем нет вот и мучуюсь в чём дело.напряжения помоему занижены
touchmetouch 
Бывалый
Сообщения: 58
touchmetouch
 
Сообщение #4 От 14/04/2011 21:29 цитата  

Люд куда делись схемы Viewsonic VG2021m ?
coost 
Заглянувший
Сообщения: 1
 
Сообщение #5 От 21/04/2011 14:14 цитата  

Спасибо автору,сам бы ещё долго искал!
Была та-же проблемма, грешил на первичку.
Напряжение на АМС1117-3.3 было 3.2 в - сразу не придал этому значение )
Попробовал кинуть перемычку со второго такого-же контролера на плате, мониторр моментально завёлся.
Исправил заменой на боле мощный 2 А аналог.
modemaizer 
Заглянувший
Сообщения: 2
 
Сообщение #6 От 28/02/2013 19:30 цитата  

Доброго времени суток! Надеюсь, тема еще хоть кем-то читается... Аналогичная проблема у меня. Сабж мигает индикатором. Очевидно, что БП уходит в защиту при попытке включения. Замена AMC1117-3.3 на L78L33 проблему не решила. Напряжение на его выходе 3,24 в. Литы во вторичке БП и сетевой заменены на новые. Идеи закончились. Куда копать? Подскажите!

ДОБАВЛЕНО 28/02/2013 20:32

Вдогонку...
Напряжения на выходе БП:
+12 = +11,80;
+5 = +4,99.
modemaizer 
Заглянувший
Сообщения: 2
 
Сообщение #7 От 28/02/2013 21:36 цитата  

обнаружил еще... отказывается стартовать только при подключенных шлейфах матрицы... Походу матрица просаживает +12в? или я не прав?
ДядяЮра 
Фанат форума
Сообщения: 4168
 
Сообщение #8 От 01/03/2013 05:08 цитата  

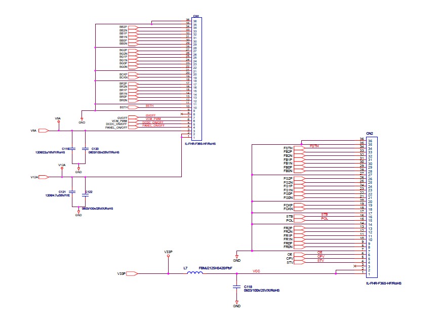
modemaizer, В этом аппарате на матрас подаются три напряжения: 12в, 5в и 3,3в

  VG20219.jpg  71.62 КБ  Скачано: 1387 раз(а)

Перейти: 
Следующая тема · Предыдущая тема
Показать/скрыть Ваши права в разделе

Интересное от ESpec


Другие темы раздела Схемы и сервис-мануалы



Rambler's Top100 Рейтинг@Mail.ru liveinternet.ru