ESpec - мир электроники для профессионалов


Нужна схема DAV-FZ-900M

  Список форумов » Схемы и сервис-мануалы

Следующая тема · Предыдущая тема
АвторСообщение
iura.sergeeff2010 
Заглянувший
Сообщения: 3
 
Сообщение #1 От 05/10/2012 15:55 цитата  

Не включается аппарат.
Никола-борода 
Передовик
Сообщения: 2946
Никола-борода
 
Сообщение #2 От 05/10/2012 16:30 цитата  

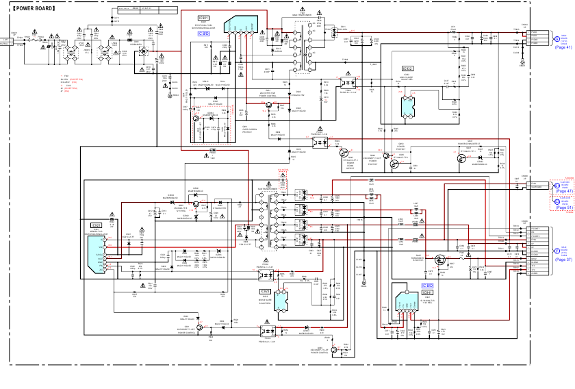
iura.sergeeff2010 Это

  Снимок.PNG  105.21 КБ  Скачано: 383 раз(а)
iura.sergeeff2010 
Заглянувший
Сообщения: 3
 
Сообщение #3 От 16/10/2012 18:46 цитата  

Большое спасибо за схему.

Перейти: 
Следующая тема · Предыдущая тема
Показать/скрыть Ваши права в разделе

Интересное от ESpec


Другие темы раздела Схемы и сервис-мануалы



Rambler's Top100 Рейтинг@Mail.ru liveinternet.ru