ESpec - мир электроники для профессионалов


Pioneer DVR-545h-s блок питания

  Список форумов » Схемы и сервис-мануалы

Следующая тема · Предыдущая тема
АвторСообщение
pink2012 
Заглянувший
Сообщения: 2
 
Сообщение #1 От 27/09/2012 22:23 цитата  

Уважаемые участники форкма помогите со схемой блока питания на сей аппарат. Вышел из строя после броска напряжения в сети.
Никола-борода 
Передовик
Сообщения: 2945
Никола-борода
 
Сообщение #2 От 29/09/2012 10:03 цитата  

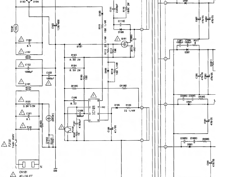
Этот кусок надо ?

Снимок.PNG
 Описание:
 Размер файла:  201.94 КБ
 Просмотрено:  431 раз(а)

Снимок.PNG


pink2012 
Заглянувший
Сообщения: 2
 
Сообщение #3 От 22/10/2012 21:21 цитата  

Да большое спасибо.

Перейти: 
Следующая тема · Предыдущая тема
Показать/скрыть Ваши права в разделе

Интересное от ESpec


Другие темы раздела Схемы и сервис-мануалы



Rambler's Top100 Рейтинг@Mail.ru liveinternet.ru