ESpec - мир электроники для профессионалов


Авто усилитель Mystery МК2.80

  Список форумов » Схемы и сервис-мануалы

Следующая тема · Предыдущая тема
АвторСообщение
makeym 
Фанат форума
Сообщения: 9737
makeym
 
Сообщение #1 От 30/01/2013 14:41 цитата  

Всем здрасти! Нужна схема данного усилителя - не включается, диод питания не горит.
JYRIJJ 
Спец-агент
Спец-агент
Сообщения: 4741
JYRIJJ
 
Сообщение #2 От 30/01/2013 15:04 цитата  

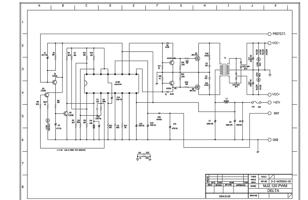
makeym, Посмотри мож подойдёт!

  203-MJ2.120W-SCH_01.jpg  71.45 КБ  Скачано: 2876 раз(а)
makeym 
Фанат форума
Сообщения: 9737
makeym
 
Сообщение #3 От 30/01/2013 15:11 цитата  

JYRIJJ, Возможно - TL494 имеется, плату пока не сдёргивал - точно сказать пока не могу. Спасибо.
JYRIJJ 
Спец-агент
Спец-агент
Сообщения: 4741
JYRIJJ
 
Сообщение #4 От 30/01/2013 15:15 цитата  

Вот ПОЛНАЯ СХЕМА
http://archive.espec.ws/section739/file28487.html
makeym 
Фанат форума
Сообщения: 9737
makeym
 
Сообщение #5 От 30/01/2013 15:39 цитата  

Пред собран на операционниках NJM4741D - а так на первый взгляд подходит, примерно разобратся можно улыбка
Завтро займусь. Спасибо.

Перейти: 
Следующая тема · Предыдущая тема
Показать/скрыть Ваши права в разделе

Интересное от ESpec


Другие темы раздела Схемы и сервис-мануалы



Rambler's Top100 Рейтинг@Mail.ru liveinternet.ru