ESpec - мир электроники для профессионалов


Ищу схему БП - EAX64324701(1.5) Led телевизора LG 32ls3500

  Список форумов » Схемы и сервис-мануалы

Следующая тема · Предыдущая тема
АвторСообщение
NaumAlNik 
Бывалый
Сообщения: 31
 
Сообщение #1 От 06/03/2015 12:58 цитата  

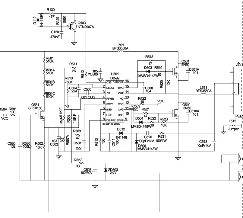
Добрый день уважаемые. Помогите схемкой.
Дежурка на шим FSL106HR - с ней все в порядке.
Шим основного питания (24в и 12в) - L6599AD - Сгорела! В ее обвязке сгорели оба 7NM60N и smd транзистор с надписью на корпусе ZH j5 его и нужно опознать.
RAMMER 
Передовик
Сообщения: 1027
 
Сообщение #2 От 06/03/2015 16:42 цитата  

NaumAlNik писал:
EAX6432470

NaumAlNik, не подскажешь почему кроме тебя больше никто не слыхал о таком БП ?

  L6599AD.jpg  92.87 КБ  Скачано: 763 раз(а)
BigUh 
Участник
Сообщения: 193
 
Сообщение #3 От 06/03/2015 16:43 цитата  

Если нет фото этого транзистора, то попробуй KTN2907AS.




NaumAlNik 
Бывалый
Сообщения: 31
 
Сообщение #4 От 06/03/2015 16:56 цитата  

RAMMER, и BigUh, Спасибо за помощь. классно!

ДОБАВЛЕНО 06/03/2015 17:20

RAMMER, Спасибо. Ошибку понял, уже исправил.

Перейти: 
Следующая тема · Предыдущая тема
Показать/скрыть Ваши права в разделе

Интересное от ESpec


Другие темы раздела Схемы и сервис-мануалы



Rambler's Top100 Рейтинг@Mail.ru liveinternet.ru