| Автор | Сообщение |
gnom69
Передовик
Сообщения: 2073
|
Мужик приволок - посмотри.Года два на полку положил(наврал), включил сегодня -не работает.Там 8-мь транзисторов, 4-ре из них IRF640(два дохлых), четыре отсутствуют.Порт юсб , спикер запаян.На микросхемах генератора наверное, наклейки наклеены 2f02 и 96e2, зашлифованы они.
Отсутствующие 4-ре аналогичные ?, фиг знает эти инверторы..
Чего нибудь аналогичное бы схему.
Фото приложу.
 |
|
serega-64
Старший модератор
Сообщения: 10180
|
Все оне аналогичные, на TL494 собраны, что в нижней, что в высокой и LM324 как компаратор. Транзюки обычно IRF740 стоят в горячей, а по 12 вольтам IRFZ44, этт типовая схема.
У тебя с наклейками, может пикушки, ХЗ. По ногам разбирайся. |
|
gnom69
Передовик
Сообщения: 2073
|
| Дак хоть обьедки бы оставили, ну чтобы определиться что ли.Сначала подумал что там вообще, четыре 640 и диодный мост, а потом на планку внимание обратил, 10ок отпечатался на теплопроводящей резине и резак в базе умер, перемычку кинули на коллектор..Бедалага приволок мани на тр-ры , но если генератор не работает то наверное не подыму. |
|
|
yurii61
|
посмотри,похоже?
Или,вот еще:http://invertor12-220.narod.ru/shemi/shemi.htm
12-220.rar 373.57 КБ Скачано: 1080 раз(а)
|
|
gnom69
Передовик
Сообщения: 2073
|
|
|
yurii61
|
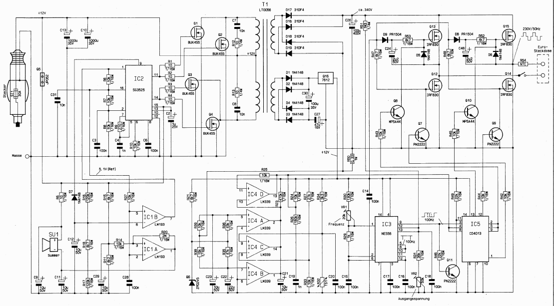
Или посмотри вот это:
kitay.png 89.6 КБ Скачано: 1577 раз(а)
|
|