| Автор | Сообщение |
|
Schturman
|
Добрый день, форумчане
Помогите с ремонтом колонки (см.сабж).
Взорвался конденсатор С3 в фильтре. Не могу найти схему, чтобы определить его номинал и тип. Единственное, что сумел найти это "видеообзор" какого-то итальянца (испанца), но там толком не видно ничего (качество не айс) https://www.youtube.com/watch?v=I7eXA3fNcdo
Есть ли у кого-то схема фильтров на такую колонку или программные средства, чтобы улучшить качество видео и разглядеть номинал конденсатора и тип (полярный/неполярный)?
Может кто-то может помочь фотографиями этих фильтров, где видно этот конденсатор?
В общем, буду рад любой помощи. Аппарат очень нужен, а информации по ремонту нет
| P61009-171413.jpg |
| Описание: |
|
| Размер файла: |
293.26 КБ |
| Просмотрено: |
549 раз(а) |

|
|
|
Yuritsh
Фанат форума
Сообщения: 18498
|
| Schturman писал: | | разглядеть номинал конденсатора и тип (полярный/неполярный)? | Ну, поставь... какой-нибудь.
Кто хоть немного разбирается в электронике, тому схема этой балалайки и нах не нужна.
Судя по заданному вопросу, в ремонте электроники ты полный ноль, поэтому номинал конденсатора тебе ну НИКАК не поможет. |
|
eduard2
Модератор
Сообщения: 4783
|
Yuritsh, | Цитата: | | Ну, поставь... какой-нибудь. | Неа так не пойдёт ,видишь как рванул кондёр у ТС аж перья от него разлетелись
поставит не да веди Б что потом с ново рванёт кондюк
| Цитата: | | Взорвался конденсатор С3 в фильтре. Не могу найти схему, чтобы определить его номинал и тип | Ну кое что есть на этот кондёр скажу сразу он на 250V , а в отношение полярный он или нет ,это ты нам сам покажи ,отпаяй то что от него осталось и покажи фото платы - у меня есть СМ только на Х15Р ( думаю он не очень отличается от твоего) -сюда закачал
http://remont-aud.net/load/audio/wharfedale_pro_evp_x15p/75-1-0-48342 |
|
|
Schturman
|
| eduard2 писал: | Неа так не пойдёт ,видишь как рванул кондёр у ТС аж перья от него разлетелись
поставит не да веди Б что потом с ново рванёт кондюк
| Цитата: | | Взорвался конденсатор С3 в фильтре. Не могу найти схему, чтобы определить его номинал и тип | Ну кое что есть на этот кондёр скажу сразу он на 250V , а в отношение полярный он или нет ,это ты нам сам покажи ,отпаяй то что от него осталось и покажи фото платы - у меня есть СМ только на Х15Р ( думаю он не очень отличается от твоего) -сюда закачал
http://remont-aud.net/load/audio/wharfedale_pro_evp_x15p/75-1-0-48342 |
Да, спасибо. Эту схему я видел, но она ничем не помогла, т.к. не совпадают номиналы элементов. Один вариант это пересчитывать схему, но, думал, мало-ли, вдруг у кого схемка завалялась.
Я пробовал видео смотреть покадрово, показалось, что там стоял конденсатор толи 60, толи 80 мкФ на 160В. Может кто-то подтвердить или опровергнуть?
Выпаивать там нечего - осталась только резинка от конденсатора. Куда делась оболочка корпуса ума не приложу. Может выпал во время транспортировки колонки.
| Цитата: |
Ну, поставь... какой-нибудь.
|
Спасибо за "полезный" совет. Сразу расставил все точки над "й". Он очень сильно характеризует кто тут полный ноль... |
|
Yuritsh
Фанат форума
Сообщения: 18498
|
| Schturman писал: | | Он очень сильно характеризует кто тут полный ноль... | По прежнему ТЫ.
И не пытайся это оспорить. Не выйдет. |
|
eduard2
Модератор
Сообщения: 4783
|
Schturman, | Цитата: | | Да, спасибо. Эту схему я видел, но она ничем не помогла, т.к. не совпадают номиналы элементов. | А что по конкретнее там не совпадает ?| Цитата: | | Выпаивать там нечего - осталась только резинка от конденсатора | . так вот если ты снимешь эту резиночку сразу станет ясно что это лит или нет | Цитата: | | показалось, что там стоял конденсатор толи 60, толи 80 мкФ на 160В | И какой же полярный или нет ты мою схему внимательно посмотри и там тебе станет всё ясно какая там ёмкость стоит и на какое напряжение ( уверен что ты эту схему не видел ) |
|
|
Schturman
|
Yuritsh,
Давай не будем устраивать флуд в тебе о поиске схемы? А оспаривать я ничего и не собираюсь. Каждый сам решит, кто есть кто.
eduard2,
Если ты имеешь ввиду + или - на плате или самой резинке, то там ничего нет. Так же как и на видео я не углядел серой полосы с "минусом"
В твоей схеме стоит неполярный. оно и понятно, не постоянка же.
Просто, опять таки, ссылаясь на останки конденсатора и на его вид в видео, очень уж он похож на электролит (может поэтому и бахнул)
Отсюда и вопрос по поводу типа конденсатора
ДОБАВЛЕНО 09/10/2016 23:53
Тут вопрос даже не в том, какой тип конденсатора, а какой номинал??
Понятное дело поставлю что-то наподобии МБГО. Просто, если это был электролит, то хотелось бы понять инженерную мысль проектировщика фильтра. Колонка то, вроде, не ширпотреб. Фирма серьезная (если, конечно, это не подделка) |
|
Yuritsh
Фанат форума
Сообщения: 18498
|
| Schturman писал: | | очень уж он похож на электролит / если это был электролит | А что, электролит не может быть неполярным? Разве на видео, и на твоём фото не видно, что это электролит?
| Schturman писал: | | Колонка то, вроде, не ширпотреб. Фирма серьезная | Ага. На фото хорошо видно, какая это "фирма". |
|
|
Schturman
|
| Yuritsh писал: | | Schturman писал: | | Колонка то, вроде, не ширпотреб. Фирма серьезная | Ага. На фото хорошо видно, какая это "фирма". |
А название темы уже не о чем не говорит не полному нулю?
ДОБАВЛЕНО 10/10/2016 00:55
Хорош уже.. иди троль школьников. Дай послушать умных людей, которые знают о чем говорят и о чем говорить  |
|
Yuritsh
Фанат форума
Сообщения: 18498
|
| Schturman писал: | | Понятное дело поставлю что-то наподобии МБГО. | То есть... какой-нибудь. ЧТД.
| Schturman писал: | | А название темы уже не о чем не говорит | Да всем по хрену, как ты свою тему назвал. Главное, что если не можешь разобраться с одним конденсатором без схемы, то нечего тебе лезть в электронику вообще.
| Schturman писал: | Дай послушать умных людей, которые знают о чем говорят и о чем говорить  | Умные люди, час назад у тебя спросили: | Цитата: | | А что по конкретнее там не совпадает ? | А в ответ - тишина. |
|
|
Schturman
|
| Yuritsh писал: | Умные люди, час назад у тебя спросили: | Цитата: | | А что по конкретнее там не совпадает ? | А в ответ - тишина. |
Схему рисовал, индуктивность измерял!!
Общаться более с Вами не собираюсь, не напрягайтесь!!
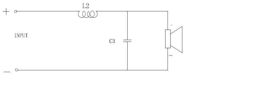
eduard2, схему НЧ части срисовал (во вложении). В принципе ничего необычного.. стандартный фильтр 2-го порядка. Индуктивность при измерении показала 7,35mH
.JPG 22.05 КБ Скачано: 388 раз(а)
|
|
Yuritsh
Фанат форума
Сообщения: 18498
|
Говорю тебе: поставь какой-нибудь.
Ты уже почти и сам пришел к этому выводу. |
|
eduard2
Модератор
Сообщения: 4783
|
Yuritsh, | Цитата: | Умные люди, час назад у тебя спросили:
Цитата:
А что по конкретнее там не совпадает ?
А в ответ - тишина. | Ну как бы я тут умнее все себя не считаю да и ты не дурак - действительно в ответ тишина от ТС , я спрошу по другому у ТС | Цитата: | | Взорвался конденсатор С3 в фильтре | Откуда у тебя не имеющего схемы на сей девайс ,позиционный номер данного кондёра ? если ты знаешь позиционные номера их , тогда назови все кондёры и резики которые изображены на твоей фотки ( особенно меня интересуют резики проволочные и их позиционные номера и номиналы ,они же у тебя не взорвались ) теперь по поводу этого кондёра ,посмотри внимательно на свою фотку там видно что может стоять и плоский кондёр ( не полярный) для этого там есть на плате отверстия и даже обведён контур для него , и теперь вопрос к тебе разве в фильтре может стоять большая емкость которую ты назвал | Цитата: | | что там стоял конденсатор толи 60, толи 80 мкФ на 160В | обсурд какой то - там больше чем 20 мкф стоять не как не может
ЗЫ- Тема блин не о чём ,пора её спускать в корзину
| Цитата: | | eduard2, схему НЧ части срисовал (во вложении). В принципе ничего необычного.. стандартный фильтр 2-го порядка. Индуктивность при измерении показала 7,35mH | резик последовательно твоему кондёру какой стоит номинал и на сколько ватт ? ( на скрине он не нарисован ) на твоей фотки в первом посту видно что стоят два реза номиналы их озвучь и куда они у тебя идут ,сказать можешь ? третий видно 3 Ом 10Ватт |
|
|
Schturman
|
Позиционные номера некоторых элементов я взял с самой платы. Резисторы проволочные все относятся к ВЧ части. Я их даже не срисовывал, но если интересно, то на плате 2 резистора по 25Вт номиналом 1 Ом и 5 Ом, а также резистор 10Вт номиналом 3 Ома. Обозначений их я не нашел Нужна схема? Срисую!
По поводу плоского кондера не уверен, т.к., судя по маркировке на плате, там должна быть еще одна катушка L1 (хотя могу и ошибаться), но её там не было никогда. (более детальное фото угла во вложении)
По поводу емкости более 20мкф..
Не так давно перематывал фильтры для Вега 50АС-106 по нестандартной схеме. По расчетам НЧ части получилось 40мкФ и 2,45mH. Фильтр собран и колонка играет отлично. Но это же 3-х полосная акустика пиковой мощности 100Вт, а тут пик указан 2кВт и система 2-х полосная. При этом и индуктивность не маленькая...
Резисторов последовательно с конденсаторами нет никаких. Схема именно такая, как я нарисовал. ничего более
| P61010-010824.jpg |
| Описание: |
|
| Размер файла: |
293.25 КБ |
| Просмотрено: |
303 раз(а) |

|
|
|
|
21Андрей
|
Добрый день! Подскажите пожалуйста, что за радиодеталь в стеклянном корпусе в виде лампы или предохранителя, и марку радиодетали. Если есть у кого-нибудь схема кроссовера отправьте пожалуйста.
Заранее спасибо! |
|

|