ESpec - мир электроники для профессионалов


Схему Устройство зарядное Striver PW325

  Список форумов » Схемы и сервис-мануалы
На страницу Пред.  1, 2
Следующая тема · Предыдущая тема
АвторСообщение
VOLK31 
Заглянувший
Сообщения: 2
 
Сообщение #21 От 19/08/2011 09:11 цитата  

Я мультиметром мерил, ток показывает ноль!!!! ((((
киев 
Прислонившийся
Сообщения: 6953
киев
 
Сообщение #22 От 19/08/2011 10:27 цитата  

VOLK31, в чём вопрос? Разделом не ошибся? Если нужна схема, она спокойно лежит у нас в обменнике http://archive.espec.ws/section1/file22421.html а приборов, рук и головы здесь никто не даст.
dim015 
Заглянувший
Сообщения: 2
 
Сообщение #23 От 13/12/2011 19:55 цитата  

dr-woland, Привет! Столкнулся с той же проблемой не регулируется ток. Проверил все ключевые элементы. Стою перед выбором замены 494й. Как у Вас в этом плане было, чем закончилось?
dvz2010 
Заглянувший
Сообщения: 1
 
Сообщение #24 От 24/10/2018 13:54 цитата  

джони писал:
это просто трансформатор, на котором собран задающий генератор!
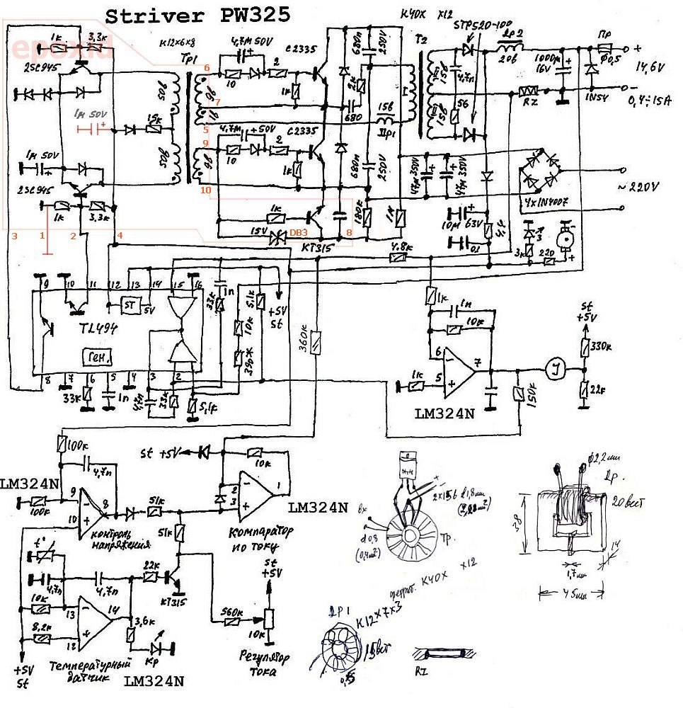
Striver PW325 - в эпоксидке - не просто трансформатор. Приволокли этого динозавра тоже после переполюсовки. Защита от переполюсовки в этом варианте должна сжечь предохранитель на красном выходном проводе - отгадайте, что у владельца было вместо предохранителя... правильно - скрутка. Помимо цепи "защиты" от переполюсовки выгорела первичка - и часть схемы в эпоксидке. Пришлось греть эпоксидку - градусах при 150-200 она становится мягкой. В районе кт315 стоит динистор DB3.

Striver PW 325_00000__.jpg
 Описание:
выделен залитый эпоксидкой кусок схемы и его распиновка
 Размер файла:  241.92 КБ
 Просмотрено:  933 раз(а)

Striver PW 325_00000__.jpg


  8lFXosjdDfM.jpg  87.75 КБ  Скачано: 571 раз(а)
  T1W8ZdGtC28.jpg  95.6 КБ  Скачано: 572 раз(а)

Перейти: 
Следующая тема · Предыдущая тема
На страницу Пред.  1, 2
Показать/скрыть Ваши права в разделе

Интересное от ESpec


Другие темы раздела Схемы и сервис-мануалы



Rambler's Top100 Рейтинг@Mail.ru liveinternet.ru