| Автор | Сообщение |
|
Deko
|
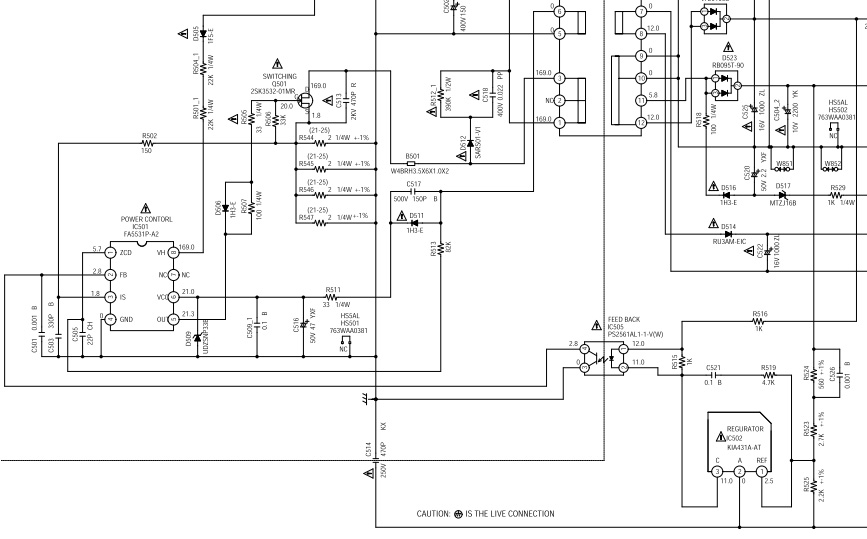
На плате б.п.: FA5531 (ic501) 2SK3532 (q501) инвертор на BD9882 (ic7001) трасформаторы с маркировкой T905 Y8D2. На той же плате о.у. lm2902 (ic 7002) и у.н.ч. LA42052.
На майне: micronas VCT 6973G B3 000 память 24c256bn (ic801) множество регуляторов напряжения на BD7820.
Матрица CLAA150XP07FQ
Так вот. Телевизор не включается. Выходное 6В появляется и циклично пропадает, вместо 12В там 18В. На 81 ноге FA5531 есть 108В, на 6й 18В, на остальных меньше 1В. На drain'е полевика 2SK3532 есть 300В на остальных ногах по 0.
Думаю заменить FA5531 но в массовой продаже не видел. Есть с разбитого монитора ncp1200, вроде-бы похоже, но с сомнения, тем более видел сомнение еще, в сети. Замена без переделок проверенная кем-нибудь? Или я где-то что-то в другом месте упустил?
TOSHIBA 15SLDT2.pdf 4.33 МБ Скачано: 7698 раз(а)
|
|
Captain
Передовик
Сообщения: 1484
|
| электролиты вокруг шима и диод с трансформатора на питание самой шим - ESR метром или заменить. |
|
|
Deko
|
| Captain, единственную, частотозадающую емкость поменял сразу (47х50) диод на 6ю ногу шима там 1H3-E, звонится нормально, если менять не понятно на какой, у NCP1200 там обычный 4148 стоит. Замена естественно ничего не изменила. |
|
|
Deko
|
| и думается что ncp1200 не замена FA5531 (( |
|
vebs
Белгородец
Сообщения: 2751
|
| Deko писал: | | Выходное 6В появляется и циклично пропадает, вместо 12В там 18В. |
Попонятнее можно? 6 в гуляет, а 18 в, как вкопаное? Ты тему на мониторе прочитал про свой девайс? |
|
|
Deko
|
vebs, 6в появляется и падает, а 18в до 22в прыгает.
на мониторе у человека оптопара в к\з и шим на землю. У меня нет таких дел. |
|
vebs
Белгородец
Сообщения: 2751
|
Я про твой вопрос о замене ШИМ а
| Deko писал: | | заменить FA5531 ...ncp1200, вроде-бы похоже, но сомнения. |
А плавает.... копать тебе мелочевку на утечку, пайку резюков и т.д. - все подряд. Вряд ли кто поможет тебе, кроме самого себя... |
|
|
Deko
|
vebs, он там поменял потом не понятно, в рабочий режим не включался.
мелочевку в первичке я прчти всю смотрел. Подставлял, в обвязке шима, стабилитрон только не трогал. Он ттам smd и не пойми какой. Прозванивал. |
|
vebs
Белгородец
Сообщения: 2751
|
| Deko писал: | | стабилитрон только не трогал. Прозванивал. |
Ну ты даешь! Только заменой.Рисуй на какой ноге...
На 6 ноге наверное? 18 вольт есть?
.И вторичку нужно было шерстить, в цепях 431 го.

|
|
|
Deko
|
стабилитрон параллельно электролиту стоит. на 6ю 18 приходит а по схеме 21. оптопару менял. а вот стабилитрон с управлением KIA431A не касался даже.
бп.jpg 102.97 КБ Скачано: 2216 раз(а)
|
|
vebs
Белгородец
Сообщения: 2751
|
| Так коснись . И коснись резюков по цепочки от него. Предпологаю, что 18 вольт микре хватит. В даташитах про Vcc инфы не увидел. |
|
|
Deko
|
На 1ю ногу 2,5В на 3ю 16В (должно быть 11В) с диода D515 идет 18В. Все резисторы в обвязке KIA431 (они smd) целые, без выпаивания соответствуют тому что должно быть.
Поменял tl431 и оптопару. с504, 511, 512, 520, 525, 7020, 7022 заменил, все-таки шуровало больше 16В и теперь Заработало все. Нашел на дорожке C520 разрыв... Ставлю на прогрев\прогон. |
|