| Автор | Сообщение |
makeym
Фанат форума
Сообщения: 9737
|
проц TDA9381PS\N2\2I1229
кадры TDA8357J
звук TDA8943SF
HOT ST1803
б.п. UC3842AN + STP4NK60ZFP
в.у. TDA6107Q
Всем привет! Принесли данный аппарат с диагнозом - пятна на экране. Включать не стал (а зря) раскидал (думаю резик на петлю пропояю или поменяю) - ан нет вижу два беременных кондюка (один во вторичке на звук С827 и в кадровой С603) - заменил дутыши и литы в первичке - включил б.п. запустился - но только в дежурке в рабочий не хотит! Все напруги в норме - кроме 8 вольт.Заменил DA801 (LM317T) то же самое, VT105 - целый. На первой ноге проца 2,3 вольта(рабочий режим). Вроде всё обсосано - а он меня достал!
Уже стал думать на процик!
Какие будут мнения?
Снимок Б.П..JPG 67.09 КБ Скачано: 2063 раз(а)
Rolsen C2150 PLAT(плат).pdf 310.29 КБ Скачано: 877 раз(а)
|
|
мастер-ломастер
Модератор
Сообщения: 9972
|
| makeym, а если перемычку SA803 убрать, напруга пойдёт? |
|
makeym
Фанат форума
Сообщения: 9737
|
| мастер-ломастер, ща попробую |
|
|
Сергей Пас
|
| Попробуй поменяй С834 и С837,может быть подсохли и пульсацию дают,попадалась такая херня. |
|
makeym
Фанат форума
Сообщения: 9737
|
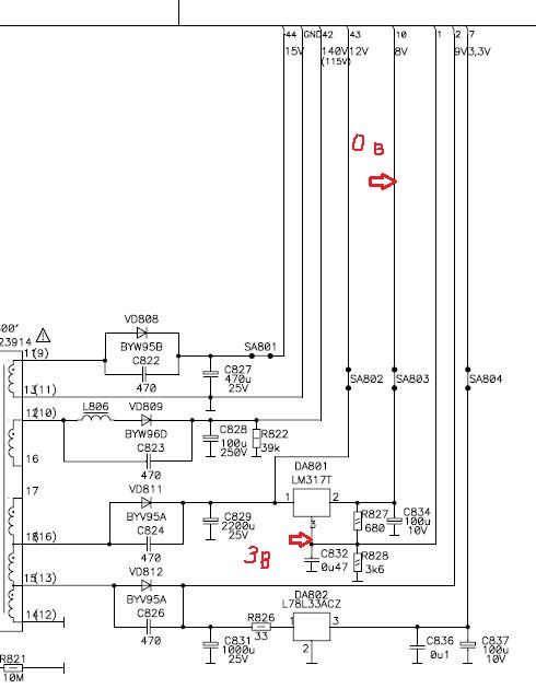
со стороны лм 1 вольт а с другой 3,5в - ни чё не понимаю? - процик?
а на 3 ноге лм - 0вольт
ДОБАВЛЕНО 14/05/2010 18:43
Сергей Пас, (С834 и С837)-так 8 вольт то от этого не появится и строка не запустится  |
|
answer
Передовик
Сообщения: 1884
|
makeym, посмотри на трещины плату,оч. часто.
| makeym писал: | | аппарат с диагнозом - пятна на экране. |
падал? |
|
makeym
Фанат форума
Сообщения: 9737
|
нет не падал - на трещины - нет! кольцевые были на ТДКС и все !
А вот на счёт пятен не понятно от чего они могли быть - тлои изза дутышей толи изза высокого В+ потому как резюк на петле в норме и петля тоже! |
|
serg63
Передовик
Сообщения: 2691
|
| makeym писал: | со стороны лм 1 вольт а с другой 3,5в - ни чё не понимаю? - процик?
а на 3 ноге лм - 0вольт
|
На схеме,выложенной тобою иначе.Сколько все же на 3 ноге?На 1pin 12V есть? |
|
viktor_ramb
Сам себе начальник
Сообщения: 23835
|
| makeym, "Квадратная" шина шибуршит? Кварц? Кнопы и фотоприёмник? Телик китайского качества - может совпадение по неисправности, западло конечно, а может и подстава! В любом случае тебе разгребать! |
|
C1-65A
Фанат форума
Сообщения: 4561
|
| LM317 - управляемый стабилизатор, между 2 и 3 ногами - 1,25 вольт, и ни каких гвоздей! |
|
|
ali00001
|
| проверь диод заменой(VD811) если он целый то 39 пин проца должен довать почти короткое чтобы сажать 9вольт |
|
makeym
Фанат форума
Сообщения: 9737
|
viktor_ramb, завтра попробую поставить чистую память(думаю проц её пропишет)ну нет тогда прошиву ,кнопы пашут,а вот пульта нет.
serg63, это при разрыве перемычки SA803 остальные напруги все есть,все в норме!
ДОБАВЛЕНО 14/05/2010 21:25
C1-65A, 3 ногой процик заправляет
ДОБАВЛЕНО 14/05/2010 21:26
ali00001, коротыша нет |
|
key-s
Специальный агент
Сообщения: 1470
|
| Разрываешь цепь с процессора до 3-й ножки LM317 - должно появиться +8V на 2-й ноге, при условии что по выходу нет козы.. есть входное на входе и LM317 исправна. Проц, в дежурке, сажает режим на 3-й ножке LM317, тем самым выключая её. Пульт подойдет любой RC-5. Если в меню поставлен замок от детей - с кнопок его не включить.. |
|
Yuritsh
Фанат форума
Сообщения: 18498
|
makeym, скорее всего ты ремонтируешь исправный ТВ. Раздобудь пульт, а потом будет разговор.
| makeym писал: | | А вот на счёт пятен не понятно от чего они могли быть - тлои изза дутышей толи изза высокого В+ потому как резюк на петле в норме и петля тоже! | Это всё муДь.
"резюк на петле" называется позистор, меняй его, если пятна были. Или ты его тестером проверил?  |
|
makeym
Фанат форума
Сообщения: 9737
|
| Yuritsh, тоже об этом думал (но если с кнопок тишина - то ктото в сервис залез или ?)-пульт будет в понедельник - а пока попробую память . |
|
Yuritsh
Фанат форума
Сообщения: 18498
|
| makeym писал: | | ктото в сервис залез |
| key-s писал: | | замок от детей | При чем тут сервис? |
|
makeym
Фанат форума
Сообщения: 9737
|
Yuritsh, спрошивал клиента как получилось(пятна)он говорит - телефон заряжал на телевизоре(пятна из за этого явно не появятся)-потом какие-то надписи были-размытые и после этого он его не включал-вот поди допытайся что за надписи (а не сервис ли вывели) и чё на самом деле было!
К стати от дэу пульт есть RC-5 - не подходит!(а если и замок включен то хрен снимеш не родным пультом)
("резюк на петле" называется позистор, меняй его, если пятна были. Или ты его тестером проверил?)- как он называется я знаю-петля работает(слышно по звуку и просадке сетевому напряжению-да и сам резюк греется/позистор/-резюк проще набрать ) хотя не факт! |
|
key-s
Специальный агент
Сообщения: 1470
|
| makeym писал: | | К стати от дэу пульт есть RC-5 - не подходит! |
Да? А ха-ха не хо-хо..? Этот проц работает с RC-5, это 100%. Если проц живой - выбрось свой тот пульт, от дэу, в ведро.. |
|
makeym
Фанат форума
Сообщения: 9737
|
нашёл ещё пульт от ролсена на нём написано K10N-C5 - подойдет?
Завтра буду пробовать - если рабочий! |
|
key-s
Специальный агент
Сообщения: 1470
|
|