| Автор | Сообщение |
|
николай
|
Beko 72 см без опознавательных знаков, не запускается блок питания, попискивает тоненько. Остался без осцилографа, а телевизор надо побыстрей. Было оборвано сопротивление (не помню номер позиции) 1ватт, 27ком, полевик и tda целые подозрение на стабилитрон, он 6,2v но не знаю чем подменить наш какой пролезет. Магазин с запчастями за сто верст. Может кто подкинет идею. С меня пиво  |
|
|
fart
|
и tda целые
Это какая из нескольких сотен???
николай, Информация о ТВ на уровне сказки: - пойди туда- не знаю куда, принеси то- не знаю что". Детали в блоке питания хоть какие- нибудь есть??? Да и весь состав ТВ за это время можно было переписать! |
|
lenin
Фанат форума
Сообщения: 3847
|
| Цитата: |
попискивает тоненько
|
Да и проблема похоже не в блоке питания , а коротыш на выходе. |
|
|
николай
|
| fart, если есть схема под рукой то по ней видно, что оная (1шт) да и все остальное тож можно узреть а у меня окромя его самого нет ни че. Сейчас нашел похожую но вызывает опасения из-за явных ляпов. Выход чистый, стоят TDA4506 и BUZ90A. |
|
lenin
Фанат форума
Сообщения: 3847
|
| Цитата: | | fart, если есть схема под рукой то по ней видно, что оная (1шт) да и все остальное тож можно узреть а у меня окромя его самого нет ни че. Сейчас нашел похожую но вызывает опасения из-за явных ляпов. |
Бред " Сивой кобылы" Извините за каламбур не утерпел  |
|
GOSHA
Передовик
Сообщения: 1033
|
| николай писал: | | fart, если есть схема под рукой то по ней видно, что оная (1шт) да и все остальное тож можно узреть а у меня окромя его самого нет ни че. Сейчас нашел похожую но вызывает опасения из-за явных ляпов. Выход чистый, стоят TDA4506 и BUZ90A. |
да из этого поста понять что-то сложно, одни эмоции. может все таки TDA4605? Посмотри резисторы по 2 3 ногам это типовуха. |
|
|
Елубай
|
| николай, Отключи нагрузку и подключи лампу 100 ватт на 120 вольт и смело промерь напруги на выходе вторичного питания. А дальше посмотрим. |
|
|
николай
|
прошу прощения за опечатку верно TDA4605 а на выходе нет ни чего резисторы были проверены, орентир примерно брал на Витязь Горизонт и судя по "той схеме" в номинал вложились  |
|
kulek
Передовик
Сообщения: 1250
|
|
|
николай
|
|
kulek
Передовик
Сообщения: 1250
|
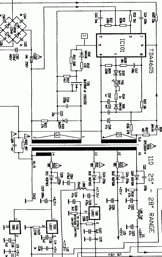
вот рисунок...если не совсем понятно - можно монитор на бок положить
Добавлено 20-04-2004 09:13
Прозвони обмотки в "горячей "стороне. Либо между собой замыкают, либо обмотка обратной связи дает короткозамкнутый виток.
power.gif 44.25 КБ Скачано: 2416 раз(а)
|
|
|
fart
|
| николай, Вроде еще утро .... GOSHA дал точный совет, только резисторы надо отпаять для проверки. Если стабилитрон стоит цепи регулятора напряжения, его можно заменить резистором 3 - 3,3 кОм. Проверить КЗ во вторичке. |
|
|
николай
|
Благодарю! с работы прийду буду копать , а обрыв R115 не очем не говорит?А что из нашего распространненого вместо D105 можно ткнуть,а то кроме напря жения ни чего про него не знаю
Добавлено 20-04-2004 11:35
Благодарю! с работы прийду буду копать , а обрыв R115 не очем не говорит?А что из нашего распространненого вместо D105 можно ткнуть,а то кроме напря жения ни чего про него не знаю  |
|
lenin
Фанат форума
Сообщения: 3847
|
николай, Из распространенных ставить можно КС 156А -- 5,6 В или КС 168А ---6,8 В, здесь не особо критично ,подогнать потом +В можно
потенциометром Р101.
Добавлено 20-04-2004 11:55
| Цитата: |
а обрыв R115 не очем не говорит
|
Думаю kulek, был прав. |
|
SERGE
Передовик
Сообщения: 1640
|
Раз попискивает, то генерация есть, а значит и 2 и 3 нога ни причём.Явный перегруз преобразователя . Либо вторичка (что легко проверяется) , либо , как верно заметил kulek , ТПИ. Литые трансы очень часто дохнут по причине усыхания компаунда.Это 50% случаев. Правда , обычно при этом полевик дохнет ( как и при дефекте резистора на 2 ноге 4605). Но кто знает куда потянет компаунд.Откидывай нагрузку и замени эквивалентом( лампой). Вместо предохранителя тоже лампу 100-150Вт. А стабилитрон это на стабилизацию. При обрыве --- в разнос, при утечке --- заниженное. Лампы покажут
Ещё можно попробовать раскачать ТПИ от левого БП( например МП-3) соеденив в фазе одноимённые обмотки.Если ТПИ всё же дохлый ---
МП-3 уйдёт в защиту. Есть ещё масса вариантов проверить БП и ТПИ вместе и врозь. Исходя из имеющихся под рукой средств, смекалка должна подсказать. Хотя эта черта характерна только славянам  |
|
|
николай
|
для кого и утро а у нас вечеряет.За сопротивление 3ком спасибо,гон ни когда ни к чему хорошему не приводил! Видать я конкретно запарился!!!!!!! .А сопротивления я поднимал с платы .Про D105:его ткнул цешкой,жив, а повторно попал под руку цифровой -по нему в обрыве( от сюда сомнения)
Добавлено 20-04-2004 12:11
А у кс ток стабилизации ни мал ,а то эти буржуйские стекляшки до 1000ма доходят,раз попал на таком теперь пока не определюсь не рискую.Долго запчасти ждать. |
|
|
ram
|
| А ТДКС случайно не битый. Замкни Б-Э строчного транзистора и включи, если не поможет, то точно не ТДКС. |
|
|
Гость
|
SERGE, Я не со всем согласен. Обрыв 330 (470) кОм в шасси ШЦТ-655 как раз и ведет к "попискиванию" и транзистор в этом шасси не выходит из строя, чего не могу сказать о других ТВ. Может и этот Беко также "устойчивый"? Так что "2 ногу" надо смотреть. При обрыве стабилитрона проявление попыток запуска также сопровождается "попискиванием", только звук значительно тише и мягче. Замена стабилитрона на резистор - обычное дело и узаконено. Он проверяется ТОЛЬКО заменой. Проделано неоднократно.А при КЗ в ТПИ обязательно должен сгореть полевик.
"А у кс ток стабилизации ни мал "!!!!!!. Но всеже замени резистором - меньше проблем. |
|
SERGE
Передовик
Сообщения: 1640
|
Гость, я не представляю каким образом наступает генерация при обрыве частотозадающих цепей  |
|
|
fart
|
SERGE, Не собираясь вдаваться в тонкости работы питателя (за нас уже давно все придумали), привожу некоторые факты.
Вот вырезка из описания работы источника питания.
«Резистор R811 и конденсатор С813, подключенные к выводу 2 ИМС DA800 предназначены для формирования пилообразного напряжения, которое пропорционально изменению тока в обмотке 3-5 трансформатора Т800. Увеличение пилообразного напряжения на выводе 2 ИМС DA800 до порогового значения, которое сравнимо с напряжением на выводе 1 ИМС DA800, приводит к исчезновению управляющих импульсов на выводе 5 ИМС DA800, тем самым позволяя ограничить ток стока транзистора VT800.
Делитель напряжения на резисторах R812, R813 задает пороговое напряжение на выводе 3 ИМС DA800 при номинальном напряжении сети. Снижение напряжения сети приведет к снижению напряжения на выводе 3 ИМС, и ИМС не будет вырабатывать управляющие импульсы.»
Отсюда вопрос:- Если «Увеличение пилообразного напряжения на выводе 2 ИМС приводит к исчезновению управляющих импульсов на выводе 5 ИМС», то что получается при уменьшении этого пилообразного напряжения? Отсутствие резистора по выводу 2 TDA4605 приведет увеличению ЭТОГО напряжения или наоборот? Ответы на эти вопросы расставят точки.
От себя добавлю, что номинал конденсатора (4700-10000 пФ) влияет на мощность, отдаваемую источником. А обрыв резистора приводит к неисправности, которую между собой называем «жесткий запуск». Этих резисторов я уже покупал более 500 – неисправность в типе резисторов.
А что неисправно:- резистор, диоды или стабилитрон, или КЗ во вторичке на вышеприведенном питателе, определяем на слух и по миганию светодиода.
Конденсаторы и полупроводники от ТПИ до вывода 1 м/сх необходтмо заменить хотя бы для профилактики. |
|