| Автор | Сообщение |
|
andrey-k
|
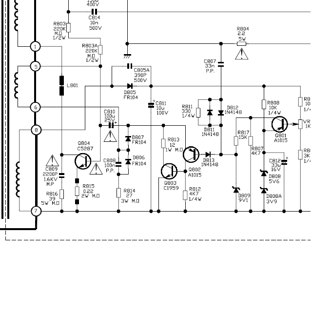
Состав: мк TCL-A30V02-TO, HOT - D1555, FBT - 25-0299D, УНЧ - TDA7057AQ, Прошу помочь запустить ИП ТВ Elenberg 2130. Собран на С5586+3 транзюка (С1959 и 2 С1015) кондёры заменены, транзюки заменены. мелочь прозвонена, стабики заменены. Нет запуска. На С810 питания нет, но если откинуть D813 - напруга появляется в первой части, после Д805 нет ничего, но на аноде Д805 около 5в.. модуляция присутствует. Что может ещё быть не знаю уж давненько не занимался всё подзабыл.
Безымянный.png 47.44 КБ Скачано: 455 раз(а)
|
|
JYRIJJ
Спец-агент
Сообщения: 4741
|
|
iv-9
Фанат форума
Сообщения: 6360
|
| andrey-k писал: | | после Д805 нет ничего ,но на аноде Д805 около 5в |
Прямо чудеса  |
|
мастер-ломастер
Модератор
Сообщения: 9972
|
|
iv-9
Фанат форума
Сообщения: 6360
|
| andrey-k писал: | | ...Нет запуска.На С810 питания нет ,но если откинуть D813-напруга появляется в первой части,после Д805 нет ничего ,но на аноде Д805 около 5в..модуляция присутствует... |
Какое питание ты ожидаешь на С810? Что такое первая часть? Модуляция чего и чем? Если на аноде исправного диода есть положительный потенциал, то на катоде тоже есть, за вычетом падения на p-n переходе.  |
|
Бакум
Рождённый в СССР
Сообщения: 12733
|
| Сообщение Администрации : | Просьба ко всем участникам: до исправления темы - от комментариев воздержаться. |
|
|
|
andrey-k
|
| Есть слабенькая генерация наколлекторе около 25в. соотвественно на Д805 с ТПИ около 5в...На С810 должно быть несколько вольтей для питания Q803 end Q802.Без ключа и откинутом Д813 есть питание около 80в. |
|
viktor_ramb
Сам себе начальник
Сообщения: 23835
|
andrey-k, ключ проверял?
ДОБАВЛЕНО 13/08/2012 12:07
КЗ во вторичках? |
|
KRAB
Распугиватель клиентов
Сообщения: 21704
|
| andrey-k, в Гугле "трехтранзисторный китайский ИБП" - все давно расписано! |
|
|
andrey-k
|
| да ключ проверял заменой,КЗ нет проверено напругой.Краб счас схожу. я и сам раньше их на раз запускал там ведь нет ничего сложного,а с этим завязка кака то |
|
viktor_ramb
Сам себе начальник
Сообщения: 23835
|
| KRAB писал: | | andrey-k, в Гугле "трехтранзисторный китайский ИБП" - все давно расписано! |
Это Акаевский БП - четырёхтранзисторный с литами ! |
|
|
andrey-k
|
| Всё оказалось как всегда просто,по запарке не там проверил цепь+112в. а диод при включении уходил в КЗ вот и не было дальнейшего запуска т.е ИП сидел в защите.Всем спасибо за участие. |
|
gilan
Модератор
Сообщения: 1748
|
| andrey-k писал: | | Всё оказалось как всегда просто,по запарке не там проверил цепь+112в. а диод при включении уходил в КЗ вот и не было дальнейшего запуска т.е ИП сидел в защите.Всем спасибо за участие. |
мда...сказалось отсутствие практики.  |
|
viktor_ramb
Сам себе начальник
Сообщения: 23835
|
| andrey-k писал: | | Всё оказалось как всегда просто,по запарке не там проверил цепь+112в. а диод при включении уходил в КЗ вот и не было дальнейшего запуска т.е ИП сидел в защите.Всем спасибо за участие. |
Прям таки "уходил" - ну да, у него же две ноги! |
|