| Автор | Сообщение |
|
AngryGnoM
|
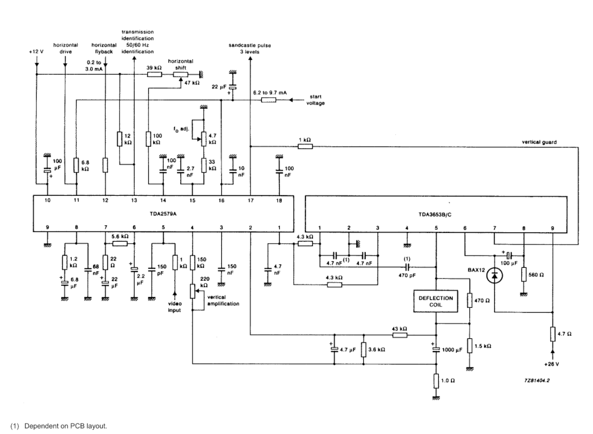
Имеем игровой автомат с выпотрошенной развётркой. Игровой контроллер выдаёт сигнал в RGB. Была ищготовлена кустарная развёртка в составе:
синхра TDA2579
строчная TDA8143 MD1803dfx
EW-корректор TDA8145
Кадровая TDA3653
Собственно, проблема с кадровой - вверху изображение явно растянуто. Подбор всех параметров позволяет в соновном скорректировать линейность внизу, но не вверху. Подскажите, пожалуйста, кто имел опыт с этой микросхемой - как можно извернуться. Схема построена на базе даташита.

| photo_2022-11-25_00-17-47.jpg |
| Описание: |
|
| Размер файла: |
278.98 КБ |
| Просмотрено: |
164 раз(а) |

|
vertical.png 197.55 КБ Скачано: 276 раз(а)
|
|
БЕЗЫМЯННЫЙ
Бегущий по граблям
Сообщения: 7608
|
| В питании кадровой сомнений нет? А то в даташите конденсатор по питанию не указан как само собой разумеющееся. |
|
Boris Gorbunkov
Семён Семёныч
Сообщения: 7527
|
AngryGnoM, ЭТОГО товарисча поменяй. Только обязательно поставь НОВЫЙ.
C 1000.png 172.43 КБ Скачано: 201 раз(а)
|
|
|
AngryGnoM
|
| БЕЗЫМЯННЫЙ писал: | | В питании кадровой сомнений нет? А то в даташите конденсатор по питанию не указан как само собой разумеющееся. |
С питанием порядок - отдельная линия, конденсатор, дроссель |
|
|
AngryGnoM
|
| Борис Горбунков писал: | | AngryGnoM, ЭТОГО товарисча поменяй. Только обязательно поставь НОВЫЙ. |
Не помогает. Менял, играл с ёмкостью - но верх так же растянут |
|
Fanttom
Передовик
Сообщения: 1441
|
Думаю какой то мелкий конденсатор потерял емкость 1мкф.....4.7мкф.Там их всего 2шт.
ДОБАВЛЕНО 25/11/2022 16:06
Попробуй замени конденсаторы на 2pin(4.7mk)и на 6pin(2.2mk)микросхемы TDA2573. |
|
|
AngryGnoM
|
| Fanttom писал: | Думаю какой то мелкий конденсатор потерял емкость 1мкф.....4.7мкф.Там их всего 2шт.
ДОБАВЛЕНО 25/11/2022 16:06
Попробуй замени конденсаторы на 2pin(4.7mk)и на 6pin(2.2mk)микросхемы TDA2573. |
Пробовал менять, пробовал разную ёмкость - не помогает. Пробовал вообще менять в некоторых пределах менять значения всех параметров. Но ничего нормально не меняет верху. 6 нога у 2579 -селектор синхроимпульсов. Ошибки нет? Точно 6ю? |
|
Borek
Старший модератор
Сообщения: 12838
|
| AngryGnoM, концы кадровой местами менял? Вольтодобавка как поживает? проверь заменой. |
|
|
AngryGnoM
|
Перекинул концы кадровой - предсказуемо растянуто снизу. Конденсатор вольтдобавки (6-8 нога) менял - не помогает. На осциллограмме сверху видно, что начало кадра задрано вверх. Второй луч - кадровая пила на 3 ноге TDA2579
| photo_2022-11-25_13-09-14.jpg |
| Описание: |
|
| Размер файла: |
250.45 КБ |
| Просмотрено: |
152 раз(а) |

|
| photo_2022-11-25_13-09-10.jpg |
| Описание: |
|
| Размер файла: |
250.31 КБ |
| Просмотрено: |
195 раз(а) |

|
|
|
БЕЗЫМЯННЫЙ
Бегущий по граблям
Сообщения: 7608
|
| AngryGnoM, а с номиналом на 3 ноге 2579 не пробовал играться? Пила там явно ненормальная. |
|
Borek
Старший модератор
Сообщения: 12838
|
AngryGnoM, | Цитата: | | Конденсатор вольтдобавки (6-8 нога) менял - не помогает. | А диод?
А ОС другую подкинуть? |
|
БЕЗЫМЯННЫЙ
Бегущий по граблям
Сообщения: 7608
|
| Borek, да не, с формированием обр хода у него судя по картинкам все ок. Есть еще гипотеза, надо попробовать уменьшить 1 ом в холодном конце кадровой и переменником размера вернуть размер к исходному и посмотреть как это повлияет на линейность. |
|
валентин-сибиряк
Фанат форума
Сообщения: 9053
|
В ящиках на этой кадровой всегда стоял лит на 47мкф или на 22.
На вольтодобавке. |
|
|
AngryGnoM
|
| БЕЗЫМЯННЫЙ писал: | | AngryGnoM, а с номиналом на 3 ноге 2579 не пробовал играться? Пила там явно ненормальная. | Пробовал в довольно широких пределах - размах пилы меняется, но на выходе верх так же растянут
| Borek писал: | AngryGnoM, | Цитата: | | Конденсатор вольтдобавки (6-8 нога) менял - не помогает. | А диод?
А ОС другую подкинуть? |
Диод в порядке. другой отклоняшки нет - да и приклеена она намертво. Её туда-сюда дёргать - поплывёт сведение
| БЕЗЫМЯННЫЙ писал: | | Borek, да не, с формированием обр хода у него судя по картинкам все ок. Есть еще гипотеза, надо попробовать уменьшить 1 ом в холодном конце кадровой и переменником размера вернуть размер к исходному и посмотреть как это повлияет на линейность. |
Пробовоал - ещё хуже.
| валентин-сибиряк писал: | В ящиках на этой кадровой всегда стоял лит на 47мкф или на 22.
На вольтодобавке. |
Уменьшал - не помогает |
|
БЕЗЫМЯННЫЙ
Бегущий по граблям
Сообщения: 7608
|
| AngryGnoM, уменьшение 1 омв ухудшает ситуацию, а увеличить не пробовал? |
|
|
AngryGnoM
|
| БЕЗЫМЯННЫЙ писал: | | AngryGnoM, уменьшение 1 омв ухудшает ситуацию, а увеличить не пробовал? |
Ужимает картинку - но всё равно видно, что верх растянут |
|
|
AngryGnoM
|
| Я уже думаю, может проще было взять другую микросхему |
|
валентин-сибиряк
Фанат форума
Сообщения: 9053
|
| Раньше на рекорах и филипсам по схеме рекора всегда стоял подстроечник-линейность вверху.На этой кадровой 3653. |
|
БЕЗЫМЯННЫЙ
Бегущий по граблям
Сообщения: 7608
|
| AngryGnoM, дурацкий вопрос, а микросхема кадровой соответствует схеме, буква в конце? |
|
|
AngryGnoM
|
| валентин-сибиряк писал: | | Раньше на рекорах и филипсам по схеме рекора всегда стоял подстроечник-линейность вверху.На этой кадровой 3653. |
А получится подробней вспомнить? Модель, схема? Там линейность регулировалась через обратную связь или непосредственно управлением пилой на генераторе?
| БЕЗЫМЯННЫЙ писал: | | AngryGnoM, дурацкий вопрос, а микросхема кадровой соответствует схеме, буква в конце? |
Да, всё изначально было сделано по даташиту. Микросхема та же, с той же буквой. Причём у меня их завалялось разных серий и годов выпуска. Пробовал менять - результат тот же. |
|