| Автор | Сообщение |
|
SergArb
|
|
|
sergeih
|
|
Альберт.
Завсегдатай
Сообщения: 434
|
| SergArb писал: | | Посоветуйте, как правильно организовать RGB вход на этом аппарате? |
шасси 3Y01
3Y01-Circuit.pdf 382.82 КБ Скачано: 1299 раз(а)
|
|
makar.i
Фанат форума
Сообщения: 4035
|
эти выводы используются только для ввода OSD инфы. сигналы врезаются в основные сигналы ,в этом проце нет переключения на входы RGB
Добавлено 23/01/2007 09:47
смотри структурные схемы процессоров и их описание |
|
|
SergArb
|
| Альберт. писал: | | SergArb писал: | | Посоветуйте, как правильно организовать RGB вход на этом аппарате? |
шасси 3Y01 |
Спасибо большое, сравнил со своей схемой, стало всё понятно и просто  |
|
Альберт.
Завсегдатай
Сообщения: 434
|
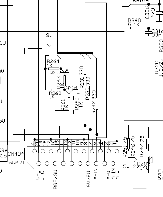
makar.i, для чего 7, 11, 16, 15 на скарте?!
082.PNG 45.99 КБ Скачано: 3311 раз(а)
|
|
|
SergArb
|
Думаю вот так должно прокатить:

|
|
makar.i
Фанат форума
Сообщения: 4035
|
| Альберт., на скарте то они понятно для чего ... но если в процессоре управления нет переключение в RGB как он будет коммутировать? |
|
Альберт.
Завсегдатай
Сообщения: 434
|
makar.i, 17 нога проца BLANK. Есть же режим в аппарате синего экрана, игрушки. Всё по аналогии как на ХА17 в 3УСЦТ. При выводе графики на BLANK подаются импульсы согласно самой графики, а R,G,B уже раскраска. Подать постоянную составляющюю экран погаснет- рисуй, что вздумается.
Вариант с телетекстом. Еть сигнал на BLANK- чёрный растр с текстом, 2-ой режим при отсутствии сигнала - текст +картинка.
Добавлено 24/01/2007 02:49
| SergArb писал: | | Думаю вот так должно прокатить: |
Ага, только входа RGB через резисторы по 75 Ом на землю. |
|
|
SergArb
|
| Альберт. писал: |
| SergArb писал: | | Думаю вот так должно прокатить: |
Ага, только входа RGB через резисторы по 75 Ом на землю. |
Спасибо, на выходных буду пробовать  |
|