| Автор | Сообщение |
|
genyaga
|
Процессор: TDA8303A
HOT: ТДКС 12-06
Тюнер: СК-В
Кадровая: КТ805ИМ+КТ837Ф
Кинескоп: 23ЛК17Б
заменил тдс12-06 на ТДКС 9-2-1 в результате нет изображения, искра на аквадаге порядошная напряжение видеоусилителя 126 В, кадровая пила на ОС есть, накал 11В(даже подавал от внешнего источника питания) яркость крутил, напряжение меняется, помогите, пожалуйста пните меня в нужную сторону, куда копать |
|
STIPLER
Халтурщик
Сообщения: 5865
|
|
JYRIJJ
Спец-агент
Сообщения: 4741
|
| genyaga, Срок тебе до утра для исправления темы!!! |
|
STIPLER
Халтурщик
Сообщения: 5865
|
| JYRIJJ писал: | | genyaga, Срок тебе до утра для исправления темы!!! |
JYRIJJ, Это ж древнючий ч.б. ТВ! Я тоже не сразу вкурил.  |
|
|
genyaga
|
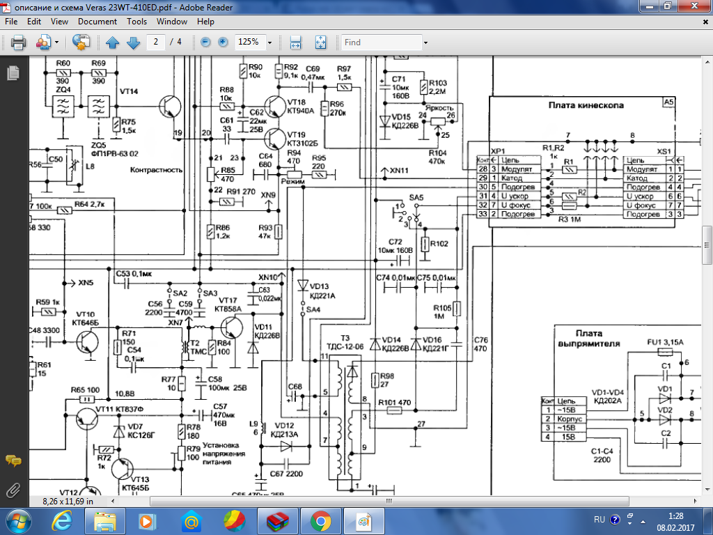
Совершенно верно, напряжение на катоде(2 ножка кинескопа) под воздействием регулятора яркости меняется от 26В-112В
ДОБАВЛЕНО 07/02/2017 23:32
вот нужный кусок оригинальной схемы
| .png |
| Описание: |
|
| Размер файла: |
330.44 КБ |
| Просмотрено: |
360 раз(а) |

|
|
|
|
yurii61
|
| Жив ли древний кинескоп? Озвучь ВСЕ напряжения на ПК... |
|
serega-64
Старший модератор
Сообщения: 10180
|
genyaga, Ну тут осталось уск. на полную и через 1к на корпус(минус) подать на модулятор, ежели кин засветится, то рыть ВУ.
yurii61, Хотя таки да, тож сомневаюсь о живучести кина. ЭТО изделие (кин) именно это, крайне недолгой живучести, дохнут даже от времени. |
|
виктор-теледоктор
Фанат форума
Сообщения: 13900
|
| Редкостное г-но эти Верасы, вжизнь не взялся бы их ремонтить. |
|
serega-64
Старший модератор
Сообщения: 10180
|
виктор-теледоктор, Напомни, этт не та кака, где ИБП посередь майны на КТ8136?
ДОБАВЛЕНО 08/02/2017 01:59
Посмотрел схему, нет, не та. Может уже потом пошли с ИБП. |
|
|
genyaga
|
U ускор. 6 ножка 132В
U фокус. 7 ножка 0В
модулят 1 ножка -1,7В
между 4 и 3 ножкой(подогрев) 10,7В |
|
JYRIJJ
Спец-агент
Сообщения: 4741
|
А перенесём мы её в другой раздел  |
|
|
yurii61
|
| genyaga писал: | | искра на аквадаге порядошная |
Это,наверное,тоже метод,но я бы проверил ESR-метром электролитики вокруг строчной развертки-а их там аж 5 штук ,да и эмиссию недолго проверить-накал включи,да тестер в руки.
23ЛК17Б.PDF 297.29 КБ Скачано: 312 раз(а)
|
|
БЕЗЫМЯННЫЙ
Бегущий по граблям
Сообщения: 7608
|
| А можно глупый вопрос: Накал то светится? Неоднократно налетал на перегорание накала как раз в 23 х колбах. |
|
|
genyaga
|
| Накал, светится, пробовал подать 11 В, ток 0,7А. Конденсаторы по близости проверил на ёмкость и есr. Осмотрел колбу на наличие механических повреждений, отсутствут |
|
|
genyaga
|
Я тут хорошенько, подумал, всё взвесил и решил, что это зло может только навредить миру на земле, да и отдохнуть надо перед ругими проектами, хочеться процитировать В.С. Высоцкого "И голове своей руками помогал" если у кого то будет подобная неисправность пишите, помогу
| .png |
| Описание: |
|
| Размер файла: |
422 КБ |
| Просмотрено: |
270 раз(а) |

|
|
|