| Автор | Сообщение |
|
Юрий_Нд
|
Доброго вечера всем.
Прошу помочь разобраться с причиной неисправности автомобильного коммутатора зажигания.
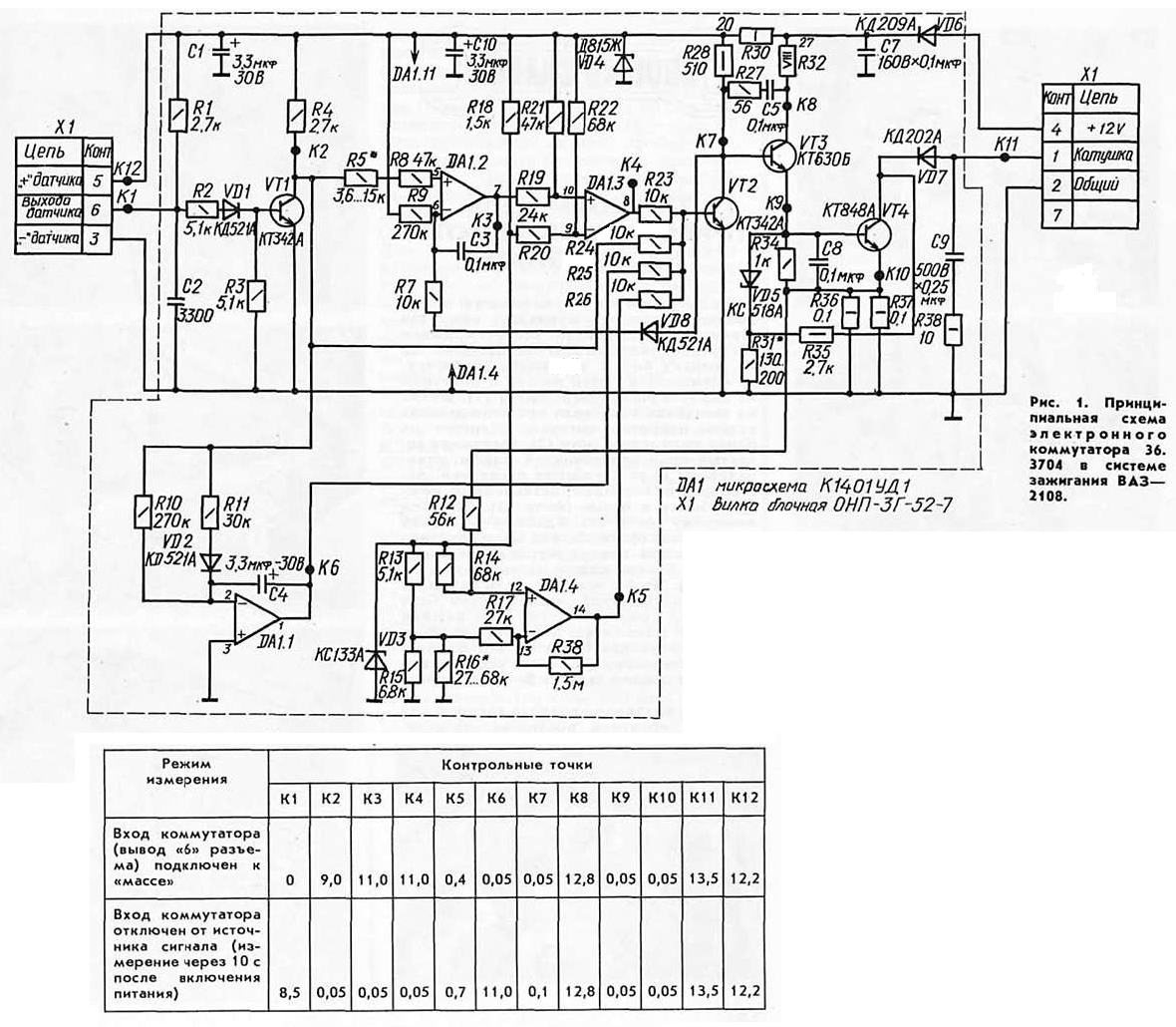
Обследование с помощью тестера показало, что на контрольной точке К5 в обоих вариантах напряжение 10 вольт. В остальных контрольных точках напряжение не совпадает с объявленным в статье, но похоже.
С благодарностью _________ Юрий.[/img]
| .png |
| Описание: |
|
| Размер файла: |
739.7 КБ |
| Просмотрено: |
326 раз(а) |

|
2 - Зажигание - коммутатор ВАЗ 2108 .rar 3.53 МБ Скачано: 255 раз(а)
|
|
Rom-Zecs
Передовик
Сообщения: 2900
|
Он стоит 200р а с разборки и того меньше, что там ремонтировать? Или хочется повысить надежность?
Тогда позволю себе цитату -
На этапе внедрения электронного зажигания в советские автомобили (первыми были «восьмерки» и «девятки») первоначально ее невзлюбили из-за низкой надежности. Виновником был коммутатор (36.3734), который из-за конструкционной недоработки выходил из строя через каждые 15 – 20 тыс. км. После появления новых коммутаторов проблемы электронного зажигания «Жигулей» были решены.
ДОБАВЛЕНО 18/01/2018 00:32
И ещё одну
Для улучшения процесса поджигания горючей смеси в двигателе этих автомобилей увеличен искровой промежуток в запальных свечах и повышено выходное высоковольтное напряжение, развиваемое системой зажигания. Из-за импульсных выбросов в цепи первичной обмотки катушки зажигания, достигающих 400 В, имеют место случаи повреждения выходного транзисторного ключа коммутатора. Кроме того, оказывается неисправной микросхема.
http://cxem.net/avto/electronics/4-54.php |
|
|
Юрий_Нд
|
Может ли кто-то пояснить, Как работает интегратор ДА1.1?
Ещё.
Почему у меня "пропала возможность" писать "ответ в расширенном режиме" и добавлять картинки? |
|
Yuritsh
Фанат форума
Сообщения: 18498
|
| Юрий_Нд писал: | | Как работает интегратор ДА1.1? | Подай сигнал на вход, посмотри, что на выходе, и узнаешь.
| Юрий_Нд писал: | | Почему у меня "пропала возможность" писать "ответ в расширенном режиме" и добавлять картинки? | Скорей всего, у тебя пропала память, как это делается.  |
|
|
Юрий_Нд
|
| Yuritsh писал: | | Подай сигнал на вход, посмотри, что на выходе, и узнаешь. |
Напряжение на выходе, ножка микросхемы номер 1, либо контрольная точка К6, плавно повышается от 0 до 9.8 В за 15 секунд.
Так мой вопрос как раз о том, как это "получается"? |
|
Dubovik
Завсегдатай
Сообщения: 736
|
Так мой вопрос как раз о том, как это "получается"?
......................................................................
тут всё нормально, так должно быть.
(Про добавленые на картинке цепи)
Если красная цепь замкнута, то вторая, зелёная, разомкнута и наоборот. Датчик Холла.
На картинке написано об состоянии С4. в эти моменты.
Наличие и полярность напряжения в точке К5 определяет R12.
Искать надо в цепи R12 он определяет напряжение на выходе DA 1.4. Скорее всего VT4 в пробое. Иначе минус был бы в этой точке.
WAS_8.jpg 91.21 КБ Скачано: 238 раз(а)
|
|
toto
Фанат форума
Сообщения: 3336
|
Юрий_Нд,
во блин, я такие не помню уже когда чинил - на всех счетверённый операционник сдох. |
|
Dubovik
Завсегдатай
Сообщения: 736
|
|