| Автор | Сообщение |
|
top15
|
|
|
top15
|
Трансформатор одна свистит 2 не светит, из-за лампы может свистеть?
Поменяю детали местами |
|
tutu7
Завсегдатай
Сообщения: 721
|
top15, можно так оставить?
Без защиты инвертор работает в другом режиме, лампы быстро деградируют, а также может быть пожар. |
|
|
top15
|
Поменял лампы местами свистит таже трансформатор
Буду менять местами другие детали
Интересно очень стало  |
|
tutu7
Завсегдатай
Сообщения: 721
|
| Да и будет свистеть-посмотри импульсы на ключах при отключеной защите и нормальном режиме. |
|
|
top15
|
Поменял трансформатор местами, свистит таже что свистела. От трансформатора может уходить в защиту?
Или всё таки лампы виноваты?
У мения нет осциллограф только мультиметр
ДОБАВЛЕНО 28/01/2024 00:49
| tutu7 писал: | top15, можно так оставить?
, пожар. |
Зачем тогда вообще отключают защиту только для проверки? |
|
n max
Модератор
Сообщения: 17623
|
Ну пожар то маловероятен уже много моников отдал с откл защитой и сообщений о пожаре не поступало из-за моника.Сча новые лампы стоят поболее чем рабочий моник на барахолке
Может из-за транса рубить но тут путём замены,может из за кандёров на выходе транса,может из за кандёров по питанию инвертора то же рубить.
Часто отпаиваются выводы от ламп то же рубиться в защиту или кембрик пробивает. |
|
|
top15
|
поменял две 1мф 50в и две 0,15 100в , транзисторы1616, 1116 проверил все рабочие.
Поставил лампы от 17 дюймов 2шт также уходит в защиту.
Где капать? |
|
|
nick22
|
| Может не совсем по теме, но не проще ли выбросить лампы и поставить светодиодную подсветку? |
|
tutu7
Завсегдатай
Сообщения: 721
|
top15, отключают защиту только для проверки
Совершено верно! |
|
|
top15
|
Между трансформаторм есть отличная сопротивление ,
скорее всего межвитковое замыкание L который свистит ,пока отложил.
Спасибо за участие  |
|
alexsandr 666 alexsandr
Завсегдатай
Сообщения: 427
|
|
|
SergeyIL
|
Почитал тему, симптом классический - пара секунд и тухнет. Samsung SyncMaster 943N.
Целых ламп для проверки нет, так что пробовал резисторами 560к шунтировать, не помогло.
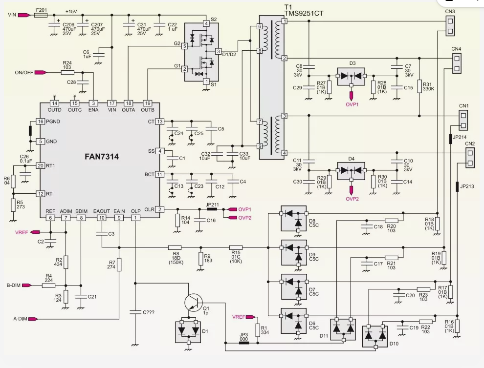
Нашел схему, думаю как бы правильно отключить защиту? Хотя бы чтобы определить какие лампы работают, а какие нет.
| 2024-04-11_17-23-36.png |
| Описание: |
|
| Размер файла: |
338.07 КБ |
| Просмотрено: |
206 раз(а) |

|
|
|
iv-9
Фанат форума
Сообщения: 6360
|
| А может транс? Или пульсации по питанию. |
|