| Автор | Сообщение |
krugen
Передовик
Сообщения: 1093
|
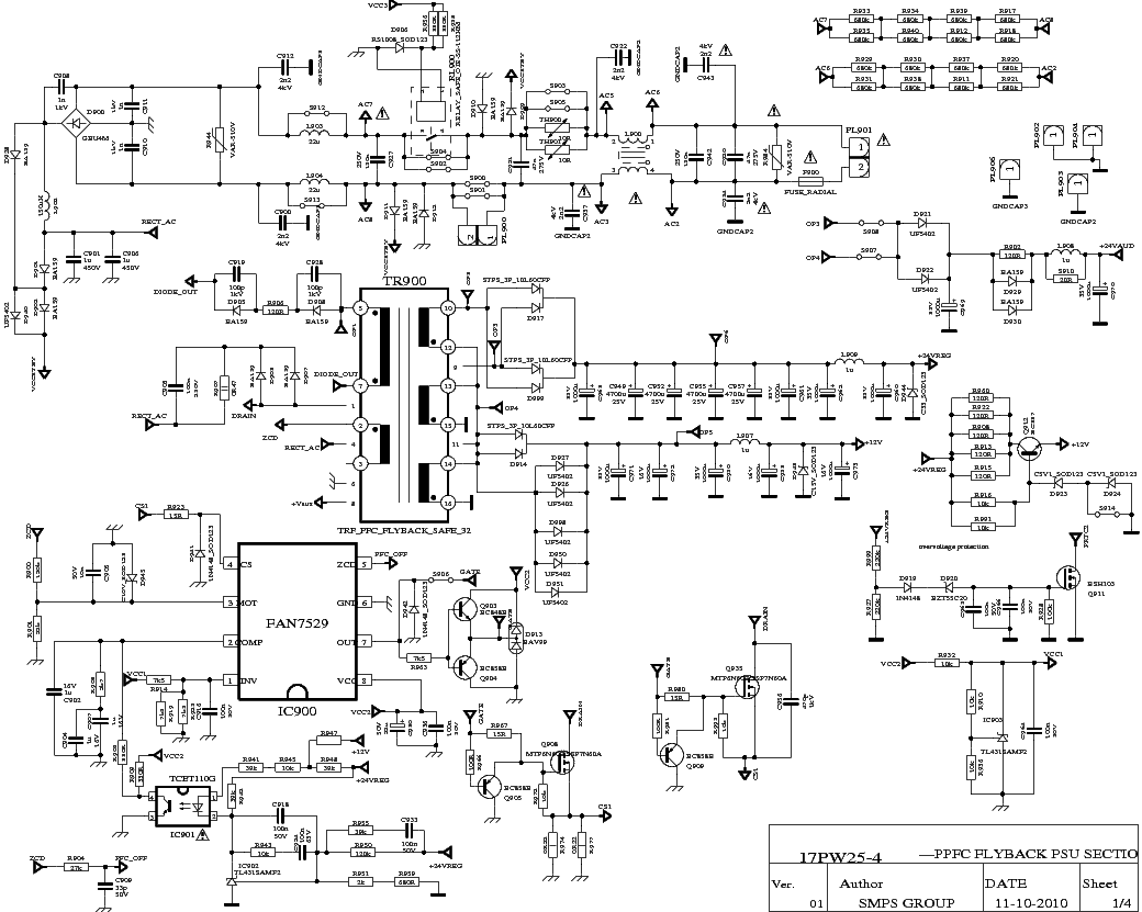
Блок питания 17PW25-4 , стоит в ЖК ТВ Vestel V32-LC1974 ,не могу запустить ,состав БП дежурка 5В на ISE3BR1765J, питание инвертора 12 и 24в на FAN7529 +10N60 .Его начал ремонтировать другой мастер, не разобрался, теперь я ломаю над ним голову, В БП был сгоревший полевик и токовый датчик (2 резистора по 0.33Ом), я заменил их и еще заменил FAN7529 на FAN7530 (поменял 2и3 ногу местами) .Сейчас картина такая : дежурные 5В присутствуют,с м\В приходит сигнал запуска ,на выходе БП 1.4 в (под нагрузкой 0.5в), при включении слышен тихий шелест , 3-4 секунды потом тишина , напряжения на м\сх
FAN7530
1 inv +2.4v
2 mot 0v
3 comp 0v
4 cs 0.8v
5 zcd 0v
6 gnd
7out 0v
8 vcc 13.0v
на оптопаре
1 1.4v
2 1.4v
3,4 0v
на полевике
G 0v
D 300v
S 0v
на трансформаторе
1,4 300v
7,8 3.0v
на остальных
0v
схему прилагаю,хотя она очень неразборчивая, и обозначение не совпадает ,
vestel_17pw25-4_technika_32l-914_power_sch.pdf_1.png 43 КБ Скачано: 1528 раз(а)
|
|
paronnikov1
Передовик
Сообщения: 1382
|
| Подключи свою нагрузку, подпаяй лампочки, и смотри что происходит. |
|
krugen
Передовик
Сообщения: 1093
|
|
paronnikov1
Передовик
Сообщения: 1382
|
| paronnikov1 писал: | | и смотри что происходит. |
 |
|
goga_tv
Фанат форума
Сообщения: 4857
|
| krugen писал: |
1 inv +2.4v
, |
так имс "думает" что на выходе нормальное напряжение, зачем ей дальше шелестеть?
Vcc1 откуда там берется? Блок питания у тебя , тебе и смотреть... |
|
krugen
Передовик
Сообщения: 1093
|
питание на 1 вывод приходит с ножки 8 VCC через резистор, резистор отпаивал ,на 1 ноге теперь 0в но все без изменений , еще после танцев с бубном появилось напряжение 12 в на 3 ноге(comp), при этом на вторичке все те же 1.4 в (и с нагрузкой и без нее)
нашел схему четкую с самсунга ,обозначения другие но принцип тот же
https://yadi.sk/i/AXN8X42kvX3Cv
я пришел к выводу что причина в том что на 5 вывод (ZDC) и 2 вывод (MOT) не приходит напряжение с трансформатора , не могу понять почему, ведь на первичке транса есть напряжение?[url][/url][url][/url] |
|
KRAB
Распугиватель клиентов
Сообщения: 21704
|
| Прочти наконец-то теорию по ИИП и собери Генероттор. |
|
Александр Михалыч
Фанат форума
Сообщения: 4759
|
krugen, ..., ссылки нужно "одевать" в URL.
| Александр Михалыч писал: | В "предварительном просмотре" выделяете ссылку, и нажимаете кнопочку URL в правом верхнем углу, - над окошком с вашим сообщением.
|
 |
|
krugen
Передовик
Сообщения: 1093
|
| Александр Михалыч писал: | krugen, ..., ссылки нужно "одевать" в URL.
| Александр Михалыч писал: | В "предварительном просмотре" выделяете ссылку, и нажимаете кнопочку URL в правом верхнем углу, - над окошком с вашим сообщением.
|
 |
сделал как вы сказали, но а по теме ничего одни учения
ДОБАВЛЕНО 23/09/2016 11:03
| KRAB писал: | | Прочти наконец-то теорию по ИИП и собери Генероттор. |
да давно сделал генерротор но задолбался транзистор ключевой менять с тиристорм , на базе МП 403 делал |
|
krugen
Передовик
Сообщения: 1093
|
|
krugen
Передовик
Сообщения: 1093
|
| БП почти запустил, но оказалось что майн тоже сдох, разобрал на запчасти, панель могу продать |
|