| Автор | Сообщение |
|
AngryGnoM
|
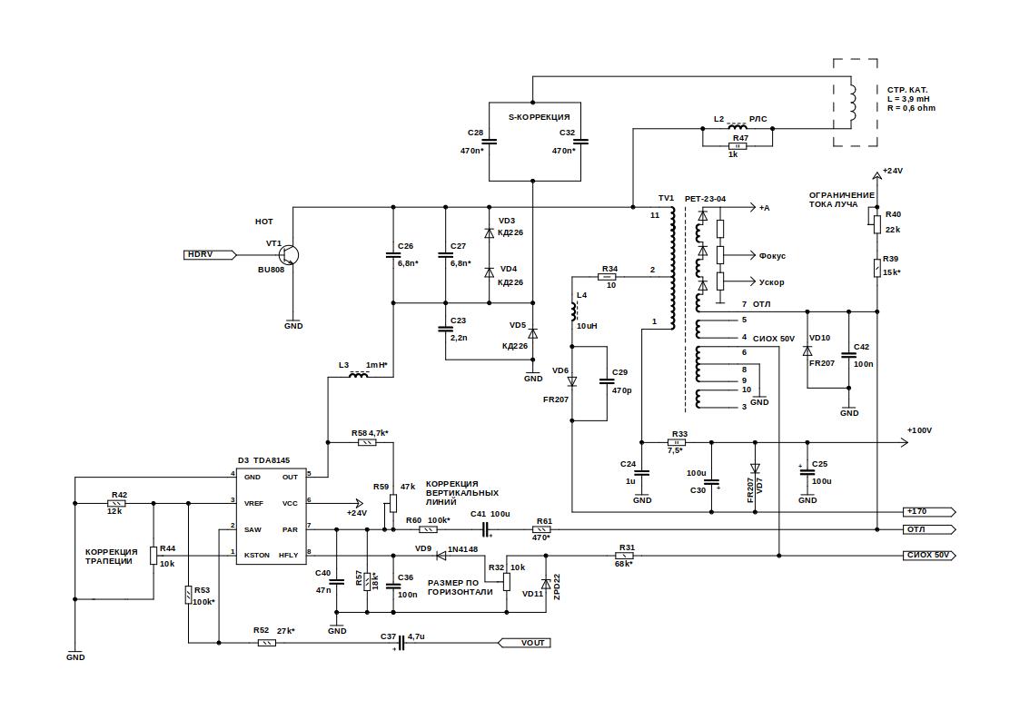
Задача стояла собрать строчную развёртку фактически с нуля из того, что есть под рукой. Под рукой оказались ТДКС PET-23-04, транзистор BU808DFI, корректор TDA8145. С последним возникли вопросы. Схему коррекции нарисовал путём раскуривания даташитов и схем телевизоров, но так до конца и не прояснил для себя, какие параметры за что отвечают. По факту что имею: регулируется горизонтальный размер, не регулируется подушка. Буду благодарен консультации, ибо непонятно, как в данном случае работает диодный модулятор, как он рассчитывается и что нужно контролировать.

Corrector.jpg 57.32 КБ Скачано: 610 раз(а)
|
|
Евгений373
Фанат форума
Сообщения: 3908
|
Дипломную или курсовую пишешь? Подушка не регулируется например из-за не правильного кадрового импульса. По ОТЛ связь должна быть без разделительного конденсатора, иначе размер гулять будет, при изменении яркости сюжета. Нижнюю ёмкость в диодном модулятора нужно увеличить на порядок(в 10 раз)
ДОБАВЛЕНО 26/10/2018 14:13
Профиль заполни студиент  |
|
|
AngryGnoM
|
| Спасибо, Евгений373! Нет, не студент. Еслиб писал диплом, наверное разбирался бы в теме куда лучше. Это всё с целью занять руки - изготавливаю монитор для компьютера родом из СССР. С советскими запчастями в моей местности полный швах - леплю из того, что есть. Не подскажешь, из чего рассчитывается ёмкость в диодном модуляторе? И каким должен быть правильный кадровый импульс? Потыкаю вечером осциллографом. |
|
БЕЗЫМЯННЫЙ
Бегущий по граблям
Сообщения: 7608
|
| AngryGnoM, модулятор похоже не при делах, размер то регулируется. Надо разбираться с кадровой пилой. Даташит на микросхему какой то скудный, но форма кадрового импульса нарисована. |
|
|
AngryGnoM
|
| Да, у меня тоже такие же мысли относительно диодного модулятора. Даташит, увы и ах - убогий. Кстати, относительно ёмкости в диодном модуляторе: как правило в схемах теликов она выше как раз примерно в 10 раз. Но, я так понимаю, она тут не критична, так как в отличае от классической схемы коррекции, резонанс тут не нужен. Буду разбираться с пилой - как раз есть на то выходные. |
|
Евгений373
Фанат форума
Сообщения: 3908
|
Нижняя ёмкость очень критична. Попадались аппараты с её обрывом и результат был предсказуем. Верхняя ёмкость задаёт длительность СИОХ, а что нижняя уже и не вспомню, теорию почитать надо. Там где кадровый импульс заводится, увидишь красивую параболлу. Вот эта красивая парабола модулирует строчный ток в отклоняющей системе. Берётся она с омного резистора ОС в кадровой развёртке.
При регулировке геометрии растра важно помнить главное правило, что сначала устанавливаются вертикальные параметры растра: размер, линейность кадра и.т.д и только потом нужно переходить к регулировке строки. |
|
|
AngryGnoM
|
Верхнюю ёмкость я подбирал, исходя из величины вторичных напряжений, картинка при этом примерно укладывалась в горизонталь. Получилось около 14 мкс (штатно, насколько я помню 12). Кстати говоря, на что влияет длительность СИОХ, кроме горизонтального размера и вторичных напряжений? Нижняя ёмкость в классической схеме рассчитывается так, чтобы нижний контур с катушкой модуляции был настроен на ту же частоту, что и верхний с отклоняющей катушкой. В другой схеме родом из 3УСЦТ диодный модулятор соединяется через конденсатор с обмоткой ТВС - там нижняя ёмкость в разы меньше. В схеме с интегральным корректором резонанс не нужен, так как СИОХ постумают непосредственно в корректор, а дальше мои знания вопроса заканчиваются. Насчёт пораболы не знаю вообще - в даташите указано, что заводится кадровая пила. Вот только откуда и как - не понятно.
 |
|
Евгений373
Фанат форума
Сообщения: 3908
|
| Накуй 3УСЦТ. Вывод вольтодобавки с транса, схемы грюндика таким болеют, там резонансный LC контур, но лучше упростить, поэтому поработаем с классикой. Попытаюсь дать вырезки по поводу кадрового импульса, но чуть позже. |
|
|
AngryGnoM
|
Интереса ради попытался подать 50-герцовый синус с внешнего генератора. Отклик есть! Строки поплыли! Как минимум теперь понятно, что корректор слушается внешних сигналов. Размах синуса при этом был что-то около 8 вольт (как-то многовато имхо). Нарыл попутно такую китайскую схему. Там как раз кадровые импульсы модуляции беруться c резисторов, идущих с выхода кадровой на корпус. Насколько я разбираюсь в иероглифах, LA7840 - драйвер кадровой, 2 его нога - выход на кадровую катушку. Эта схема, однако, ввела меня в лёгкий ступор, ибо такой конструкции с транзистором на выходе корректора я нигде больше не встречал.
 |
|
Евгений373
Фанат форума
Сообщения: 3908
|
Вот тебе ещё одна схемка на 8145. Верхняя ёмкость влияет на размер по горизотали. Но лучше, если окажется слишком большой размер, рулить ёмкостью Cs или поставить дополнительный дроссель последовательно с СОК.
21 Inch Circuit Diagram.rar 1.13 МБ Скачано: 347 раз(а)
|
|
|
AngryGnoM
|
| И тут транзистор! И индуктивность на выходе на порядок меньше! А собственно для чего транзистор? Для развязки корректора непосредственно со строчной? В том же BEKO 11.1 сделано напрямую. В любом случае кадровую буду делать на TDA3653 - надо подумать откуда там брать импульсы. Сейчас в качестве кадровой в качестве испытательного стенда стоит МК-П от другого монитора (а фактически от 3УСЦТ). Видать, надо сесть и зарисовать новую схему кадровой. |
|
|
AngryGnoM
|
Вопросы в догонку: Каковы разумные пределы для длительности ИОХ? Как я помню, ёмкость S-коррекции влияет на линейность по краям - если начать ей подгонять размер - пойдёт по одному месту геометрия, что для монитора с текстовым выводом достаточно критично. Будет ли такое происходить при включении последовательно индуктивности? Может имеет смысл выставить длительность ИОХ и размер и дополнительно подогнать напряжение питания? Cейчас схема запитывается от лабораторника, далее изготовлю импульсник на TL494
И да, у МК-П размах импульсов маловат. |
|
Евгений373
Фанат форума
Сообщения: 3908
|
| Разумные, это 11-12 мкс, для частоты 15625Гц. увеличить длительность чуток можно, а понижать - не рекомендую. Сs немного влияет на линейность, если только без фанатизма с порядками, а вот за катушкой такого не наблюдал. Питание будет влиять на общий размер растра и величину высокого, и других вторичных напряжений с ТДКСа. |
|
|
AngryGnoM
|
| Ага! Спасибо! Выглядит так, что дроссель последовательно СОК - вполне подходящее решение! Как раз есть каркасы с настраиваемыми сердечниками - поэкспериментирую! Вышло так, что СИОХ у меня при адекватных напряжениях и размерах 14,5 мкс. Стоит ли вписывать его в рекомендуемое окно (11-12), или же оставить как есть? На чём это может в перспективе сказаться? Кстати, есть ли какой-либо относительно простой способ замерять анодное без специального щупа? |
|
Евгений373
Фанат форума
Сообщения: 3908
|
Не обязательно строго 11-12, от 14-ти ему не поплохеет, только накал желательно точно выставить, простым тестером этого не сделаешь. Для замера высокого напряжения на 2-ом аноде потребуется специализированный щуп с делителем.
Если кадровая на 3653 будет, то кадровый импульс так же нужно брать с резистора ОС. |
|
|
AngryGnoM
|
Я в общем-то на напряжение накала и ориентировался - мой прибор позволяет мерять напряжение на высокой частоте. Щупа с делителем нет - подумаю ещё на эту тему. Будь я сейчас в России - щуп бы нашёл - не охота хватать рентгены. С резистора ОС - это тот на 1,2 Ома, что на корпус уходит?

TDA3653.jpg 58.83 КБ Скачано: 234 раз(а)
|
|
Евгений373
Фанат форума
Сообщения: 3908
|
| Да, это тот самый резистор. ВВ щуп можно и самому сварганить, но лично я никогда не заморачивался этим. Если будет много высокого это и так по картинке будет видно и прострелы в разрядниках на ПК услышишь. |
|
|
AngryGnoM
|
| Понятно. Спасибо, Евгений373! Зарисую сегодня схему кадровой и попробую спаять на макете. По поводу длительности СИОХ: попробовал поиграть с параметрами - при всех правильных напряжениях и размерах СИОХ позёт за 16 мкс - видать индуктивность СОК у меня для этого ТДКС высоковата. Попробую переключить параллельно. |
|
|
AngryGnoM
|
| Из параллельного включения ничего хорошего не вышло - параметры ушли ещё дальше. Не беда, вернёмся к последовательному и доработаем с напряжением питания. По сути с ТДКС у меня снимается только фокусирующее, ускоряющее и анодное, первые два регулируются, последнее можно подогнать высоковольтным резистором. Как раз заказал себе с десяток - изготовлю щуп. Накал всё равно предполагается питать постоянкой через схему плавного включения дабы поборечь кинескоп. Кадровую спроектировал на основании даташита, но до дела не дошёл - надо ещё делать задающий генератор на TDA2578, нынешний от 3УСЦТ к чертям! |
|