| Автор | Сообщение |
gnom69
Передовик
Сообщения: 2073
|
Вот ссылка. Дяденька принёс - не работает. Сделал , а пульт не работает(он и не работал давно).
Скачать ничего не получается , ну кроме яндекс браузера в всплывающей рекламе.
https://archive.espec.ws/section328/file12693.html
Имя динозавра ck-14c8vr
Пульт похожий применял (00198f) , такая же борода , возможно не подходит.
Позвонить до ноги IR сигнал бы. |
|
валентин-сибиряк
Фанат форума
Сообщения: 9056
|
gnom69, тебе схема нужна?Я кстати с ЭСПЕКА 2 года скачать ничего не могу почему-то.  |
|
RomanRB
Модератор
Сообщения: 31879
|
| gnom69, Я скачал, куда отправить? |
|
gnom69
Передовик
Сообщения: 2073
|
RomanRB,
Наворотил я по этой схеме , пульт работает , а изо нет.Ели вернуть в исходное состояние , включается сам , управляясь с кнопок. Процессор SZM-173. Лампочка моргает раз в пар секунд. Схему брал на электротане.
ДОБАВЛЕНО 29/03/2024 17:46
валентин-сибиряк, Дак тоже самое, ничего не скачивается.
.png 103.7 КБ Скачано: 115 раз(а)
|
|
RomanRB
Модератор
Сообщения: 31879
|
|
gnom69
Передовик
Сообщения: 2073
|
| RomanRB, получил , спасибо. |
|
gnom69
Передовик
Сообщения: 2073
|
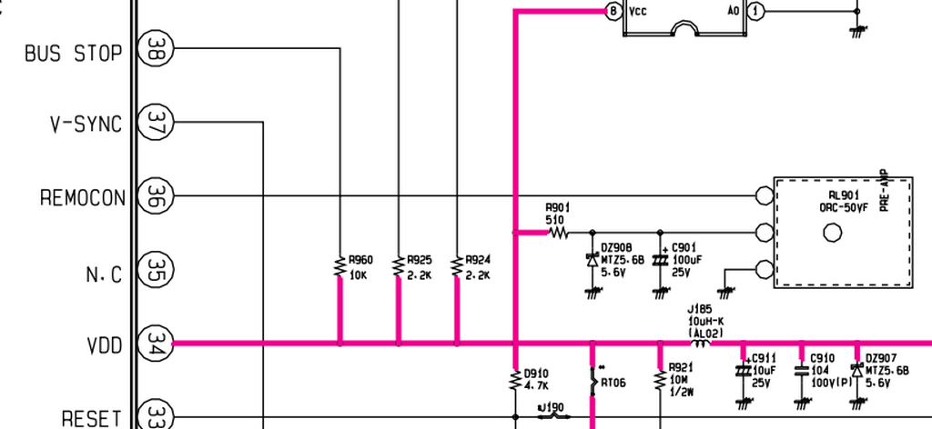
Вызвонил вывод 36 , куда подсоединял , а он через пару резисторов и конденсатор на вывод H-OUT ТДКС идёт.. Ничего не понимаю , куда фотоприёмник подсоединить , и как тогда пульт отрабатывал вкл-выкл.. Телевизоры надо вскрывать на замену подсветки , а я как дурак завис с этим чудом.Да блин , там ведь маркировка под 52 пина , а стоит 42...Получается подключил на вывод 26
h-synk фотоприёмник и управлял тв ..Он даже запомнил дежурное состояние , чудеса. |
|