| Автор | Сообщение |
|
YKKY
|
ELECTRON 21FTC
СОСТАВ ШАССИ:
Micom - даташит на PCA84C440P/401
Memory - AT24C02
SMPS - JS-8017 & 2SC4237
TR Chopper - KPW-1118A
SAW - K2950M
Secam - TDA4650
Delay -TDA4661
Colour transient - TDA4565
Video - даташит на TDA3505
VIF - TDA8341
Vertical - TDA3653B
Horizontal/Vertical sync - TDA2579B
Треск трансформатора KPW-1118A в дежурном режиме уже достал.да и в рабочем тоже.при нажатии на сердечник звук трещания уменьшается. что то можно сделать с этим? Да еще в периодичностью увеличения трещания появляются горизонтальные полосы на изображении. |
|
gilan
Модератор
Сообщения: 1748
|
| YKKY, копипастить всё подряд зачем? Что за "даташит на"? Исправь. |
|
KRAB
Распугиватель клиентов
Сообщения: 21704
|
| YKKY писал: | | при нажатии на сердечник звук трещания уменьшается. что то можно сделать с этим? | - пеной задуй строительной через отверстие в задней стенке.  |
|
|
YKKY
|
KRAB вырвет ведь пеной |
|
eduard2
Модератор
Сообщения: 4783
|
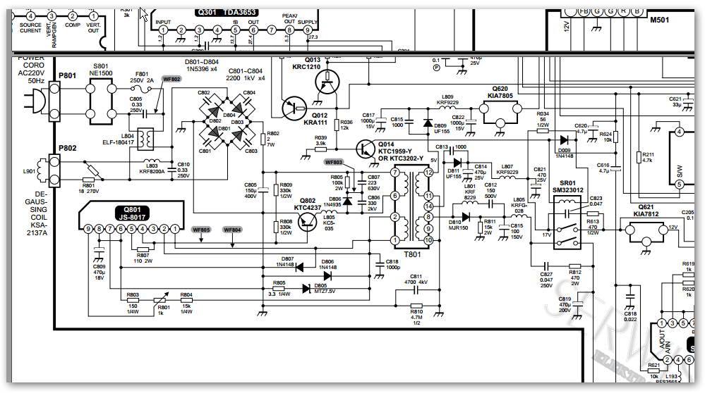
YKKY - треск в трасформаторе KPW-1118A ,что это означает? какой треск (свист или гул?) ты пиши по понятливие-это у тебя вибрация сердечника происходит -но с какой частотой ? если писк- то самовозбудуха по первичке ,если гул то перегруз по вторичке. Отключи транзик С4237(оторви один конец дросселя L806 по схеме на chassis PW1672) и померяй сколько вольт на сетевой банке С805 (и диоднный мост проверь) если около 310 в ,потом транзик подключи поставь лямпочку 60вт на +В и по вторичке (оторви один конец дроссель L805 и подключи паралейно С815 лампочку) все напруги выключи (кроме +В) и посмотри как с лампочкой треск твой будет ( вообще ты пишешь как клиент или ламер)
БП сhassis PW1672.png 180.95 КБ Скачано: 481 раз(а)
|
|
Варнава
Завсегдатай
Сообщения: 347
|
| eduard2 писал: | | какой треск (свист или гул?) |
Треск есть треск! И ни когда он не будет ни свистом ни гулом. Свисток издает свист когда в него дуешь, а треск когда на него наступишь.  |
|
|
YKKY
|
| звук как от всерчка можно сравнить низкочастотный с такой же периодичностью.если хорошо на сердечник транса надавить то становится меньше. |
|
aze1959
Распугиватель "гениев"
Сообщения: 6574
|
| YKKY, в первичке ИП лит 470мкф заменить, сетевой проверить. во вторичке по B+ литы заменой. лит по питанию видеоусилителей проверь заменой. и огласи В+ в вольтах, а не "нормах" |
|
KRAB
Распугиватель клиентов
Сообщения: 21704
|
| Кому эти советы НИ О ЧЕМ - тут чистейшая "работа пачками" ... за остальным на Монитор - все расписано! |
|
валентин-сибиряк
Фанат форума
Сообщения: 9056
|
| YKKY писал: | | Да еще в периодичностью увеличения трещания появляются горизонтальные полосы на изображении. |
YKKY,Сделай,как советует aze1959 |
|
|
YKKY
|
|
moroz-1963
Завсегдатай
Сообщения: 642
|
А вот это правильное решение KRAB, писал пеной задуй строительной через отверстие в задней стенке. Только не пеной а чем то другим
YKKY, писал при нажатии на сердечник звук трещания уменьшается Не чего смертельного тут нет пошевили мозгами? |
|
Wassaby
Завсегдатай
Сообщения: 783
|
| Возможно шо ТПИ расклеился мли треснул сердечник магнитопровода. Проверь. |
|
мастер-ломастер
Модератор
Сообщения: 9972
|
YKKY, лет примерно 25 назад мне попался Рубин-Ц-208. Там тоже гудел силовой трансформатор, я сделал так: вытащил полностью ТС и поместил его на 1час в ведро с лаком, потом вытащил, дал постоять до утра и поставил обратно в ТВ, гул пропал  |
|
Варнава
Завсегдатай
Сообщения: 347
|
| YKKY писал: | | Да еще в периодичностью увеличения трещания появляются горизонтальные полосы на изображении. |
Уберешь полосы,-пропаде треск.
В певую очередь прислушайся к совету
| KRAB писал: | | тут чистейшая "работа пачками" ... за остальным на Монитор - все расписано! |
|
|
zubr
Передовик
Сообщения: 2241
|
А что такое "работа пачками", я недопонял?
ДОБАВЛЕНО 26/11/2012 13:54
Пачками телевизоры такие делать, или пачки импульсов на трансе, или еще какие пачки? Просветите, пож, темного, а то некоторые тоже не понимают, но боясь прослыть ламерами, важно кивают  |
|
LordLostr
Модератор
Сообщения: 8673
|
| zubr писал: | | А что такое "работа пачками", я недопонял? |
Помехи с Б.П. ,попадётся увидишь. Осциллом не вторичках,пачки импульсов,проявляется по разному (в дежурке,в раб.реж.) Последний раз попадалось из за дохлого 10/25v. но сначала бывает слышишь звук. Автору не мешает осцилл. посмотреть. |
|
zubr
Передовик
Сообщения: 2241
|
Мне не встречалось такое... А мож и встречалось, но до осцилла дело не дошло. Поменял литы и все... Вообще, если ТПИ грязно свистит или трещит, 99 процентов литы... И вообще, процентов 80 причин неисправностей - это литы  |
|
KRAB
Распугиватель клиентов
Сообщения: 21704
|
| В Гугле можно все прочесть ... |
|
LordLostr
Модератор
Сообщения: 8673
|
zubr, Не только литы,бывают причины разные.| zubr писал: | | Вообще, если ТПИ грязно свистит или трещит, | Бывает ТПИ молчит,а помехи лезут :строка,звук,странный цыкличный шелест. Ну, KRAB тебе сказал,а как попадётся будет наглядней. |
|