| Автор | Сообщение |
iv-9
Фанат форума
Сообщения: 6358
|
Чтобы определить первичку дежурки, схема не нужна, достаточно пальцем поводить от разъема до первички  |
|
Nik_Al
Старый таёжник
Сообщения: 34309
|
| Zhorik5 писал: | | с компами и ноутбуками справляюсь думаю чем телевизор сложнее.... |
С компьютерами... на уровне софта?
О чем разговаривать.. если даже питание отследить не можешь?
Закрывай. Не мучай себя.. и телевизор. |
|
|
Zhorik5
|
| ( Nik_Al ) Все прям супер специалистами были рождены! с компами и ноутбуками справляюсь и на уровне софта, и на уровне телефонной экстрасенсорики, и удаленной админаторики, и даже паять на расстоянии их умею. Ты или говори по существу или пришел посмотрел и промолчал. Не нужно всякий срам в теме писать. Здесь задаются вполне конкретные вопросы на которые хотелось бы получить ответы от знающих людей в этой области. |
|
vebs
Белгородец
Сообщения: 2751
|
| Zhorik5 писал: | | . Не нужно всякий срам в теме писать. |
И вообще, Нах советы спрашиваешь? Сиди и тотально проверяй всю мелочь. |
|
Nik_Al
Старый таёжник
Сообщения: 34309
|
| Zhorik5 писал: | | Не нужно всякий срам в теме писать. Здесь задаются вполне конкретные вопросы на которые хотелось бы получить ответы от знающих людей в этой области. |
На себя посмотри.... если хочешь узнать - кто тут пишет всякий срам. Тебе двумя постами выше уже об этом сказали.
Что ещё можно посоветовать... если даже не можешь понять откуда берётся напряжение 3.3 v
ДОБАВЛЕНО 19/02/2013 14:58
| vebs писал: | | Zhorik5 писал: | | . Не нужно всякий срам в теме писать. |
На FAN е есть питание? Сколько? |
Видимо там сумашедшее количество деталей.. не в состоянии всё проверить и отследить.
Тогда лучшее средство.. молоток  |
|
vebs
Белгородец
Сообщения: 2751
|
Совет можно спросить про хитрость в ремонте. У тебя их нет, тупо ищи все битое. И не епи мозг ....типа , с какой стороны кольцы считать. Ты зашел в раздел LCD, а не в основы электроники
| Zhorik5 писал: |
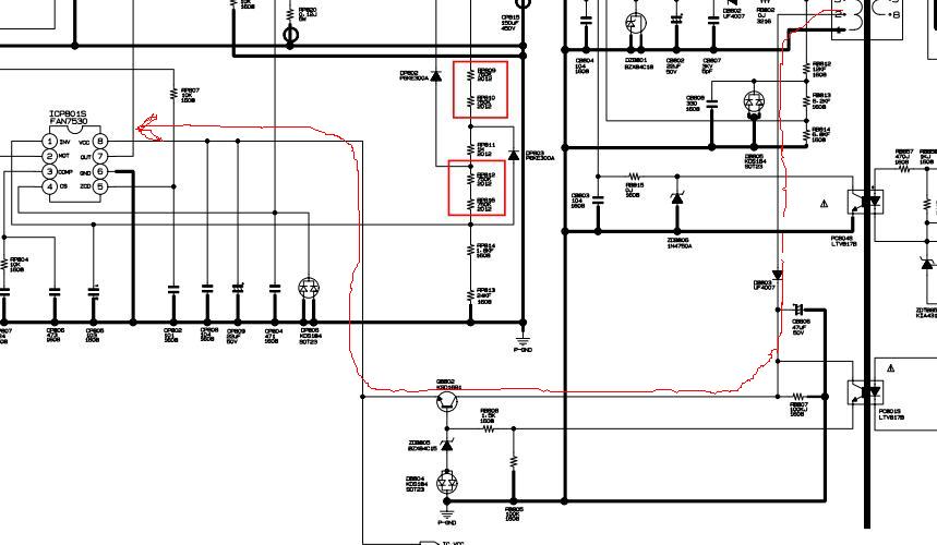
пробило q601 FDD6N50
замена транзистора q601 на 2sk2645 и сопротивления на низкоомное получилось посмотреть по схеме (samsung_bn44-00209a_sch)
дало такой-же результат: проработал 30 мин и стрельнул хотя ничего не грелось из сгоревших.
поиски зашли в тупик. |
Ответь на вопрос. Что будет с Q1 и ШИМ-ом, если R8 вдруг оборвется ( по рисунку) ? Вот и кури основы ИБП . А не создавай темы на ветке LCD

|
|
semvictor
Фанат форума
Сообщения: 3099
|
| Zhorik5 писал: | | ( Nik_Al ) Все прям супер специалистами были рождены! с компами и ноутбуками справляюсь и на уровне софта, и на уровне телефонной экстрасенсорики, и удаленной админаторики, и даже паять на расстоянии их умею. Ты или говори по существу или пришел посмотрел и промолчал. Не нужно всякий срам в теме писать. Здесь задаются вполне конкретные вопросы на которые хотелось бы получить ответы от знающих людей в этой области. | Конкретных подсказок и не жди.Никому,особенно с твоими запросами,их ни здесь ни на других форумах не дадут.Учи матчасть и не задавай некомпетентных вопросов: Взорвался R61 номинал неизвестен(черн.золот.сереб.бел.оранж)в какую сторону читать не понятно. .В Vikipedia это спрашивай.Это уровень твоих познаний,так что не обижайся.
ДОБАВЛЕНО 19/02/2013 17:46
vebs, привет!Ну тебе сегодня досталось! |
|
RAMMER
Передовик
Сообщения: 1027
|
Zhorik5 , этот блок можно ремонтировать по DataSheet_ам . А если сильно захотеть , то с таким составом найти схему аналогичного БП - 15 минут поиска в Google . Сам не можешь , сделай запрос в соответствующем разделе . Тем более , что темы ремонта БП на L6599 и прекондеи не раз обсуждались на форуме .
ДОБАВЛЕНО Февраль 19 2013
| Zhorik5 писал: | | Последний раз решил поменять fan7539 . | А это что за микросхема ??? |
|
|
Andre21
|
| Здесь все такие умные,что только человек создал тему на него сразу нападают пять человек и начинают клевать со всех сторон-а по теме помощи ноль.И это не только в этой теме а почти во всех-Вам не стыдно господа?У всех разный уровень подготовки и знаний и нужно как-то разобратся а не сразу в нападение-"ты дурак и иди в мастерскую".Посылать и унижать могут все а помочь в тему единицы.Обдумайтесь-стыдно читать. |
|
vebs
Белгородец
Сообщения: 2751
|
| Andre21 писал: | | помыть морозилку водой с добавлением пищевой соды,.Я свой холодильник только содой мою и не какой "вони" |
Раздавай домохохозяйские свои советы в той ветке дальше. Там ты полезнее будешь |
|
semvictor
Фанат форума
Сообщения: 3099
|
| Andre21 писал: | | Здесь все такие умные,что только человек создал тему на него сразу нападают пять человек и начинают клевать со всех сторон-а по теме помощи ноль.И это не только в этой теме а почти во всех-Вам не стыдно господа?У всех разный уровень подготовки и знаний и нужно как-то разобратся а не сразу в нападение-"ты дурак и иди в мастерскую".Посылать и унижать могут все а помочь в тему единицы.Обдумайтесь-стыдно читать. | Здесь не детский сад,а взрослые люди!Учиться не здесь... |
|
|
Andre21
|
| Мы все клиеты и все рано или позно оказываемся под дверями где нужно платить бабульки.Речь не в клиетах а в не знании ответа на вопрос.И продолжайте мыть холодильники уксосом! |
|
vebs
Белгородец
Сообщения: 2751
|
| Andre21 писал: | | только человек создал тему на него сразу нападают пять человек и начинают клевать со всех сторон-а по теме помощи ноль...........-Вам не стыдно господа?. |
Ты адвокат Zhorik5 ? |
|
Nik_Al
Старый таёжник
Сообщения: 34309
|
| Andre21 писал: | | Здесь все такие умные,что только человек создал тему на него сразу нападают пять человек и начинают клевать со всех сторон-а по теме помощи ноль. |
Мы за тебя должны детали проверять? Это форум для специалистов, с такой элементарщиной стыдно должно быть тебе сюда обращатся. Тут клиентам азы электроники не преподают (хотя тебе vebs и так.. слишком много подсказал).
Учи принцип работы ИБП, и не создавай бестолковых тем. |
|
vebs
Белгородец
Сообщения: 2751
|
| Он не ТС. Он его адвокатишко! А ТС изучает азы ИБП |
|
semvictor
Фанат форума
Сообщения: 3099
|
| Andre21 писал: | | Мы все клиеты ... | Это ты лично про себя и таких же сказал...Учите матчасть,как говорил мой начштаба(...а то сильно бьют...). |
|
|
Zhorik5
|
| нашел пробитый q107 2F smd всеравно никого..... Vcc на fan7530 нет. а идет оно с L6599 там тоже никого на Vcc. |
|
Иван Зенин
Модератор
Сообщения: 6784
|
| Zhorik5 писал: | | Vcc на fan7530 нет. а идет оно с L6599 |
Неверное умозаключение.Питание на зти обе микросхемы идёт с отдельной обмотки ТПИ дежурного режима. А так, как он у тебя молчит, то питания и нет. |
|
vebs
Белгородец
Сообщения: 2751
|
|
|
Zhorik5
|
| FSQ510 на Vcc=7.7v Vstr=141v D=300v VFB=2.2v |
|