| Автор | Сообщение |
vebs
Белгородец
Сообщения: 2751
|
|
RAMMER
Передовик
Сообщения: 1027
|
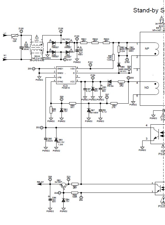
| Zhorik5 писал: | | нашел пробитый q107 2F smd всеравно никого..... Vcc на fan7530 нет. а идет оно с L6599 там тоже никого на Vcc. | Zhorik5 , разбирайся с FSQ510 , примерная схема выглядит вот так ...
ДОБАВЛЕНО Февраль 20 2013
УПС , схему с логикой работы , тебе уже vebs предоставил ...
FSQ510.jpg 72.34 КБ Скачано: 583 раз(а)
|
|
Nik_Al
Старый таёжник
Сообщения: 33584
|
| RAMMER писал: | | Zhorik5 писал: | | нашел пробитый q107 2F smd всеравно никого..... Vcc на fan7530 нет. а идет оно с L6599 там тоже никого на Vcc. | Zhorik5 , разбирайся с FSQ510 , примерная схема выглядит вот так ...
ДОБАВЛЕНО Февраль 20 2013
УПС , схему с логикой работы , тебе уже vebs предоставил ... |
Ну я фигею просто... ему уже всё разжевали с весёлыми иллюстрациями... а он всё напряжения ищет
Интересно, насколько страниц ещё это затянется? |
|
alex.talkz
Завсегдатай
Сообщения: 361
|
Zhorik5 Да замени ты ШИМ-ку с транзистором, проверь трансформатор и вместо предохранителя подключи ЛАМПУ НА 220В чтоб не спалить новые детали. Проверь емкости заменой! Тебе люди уже 100 раз сказали . Почитай принципы работы ИИП.  |
|

|