ESpec - мир электроники для профессионалов


Pioneer VSX-415-k постоянка на выходе

  Список форумов » Нарушения правил
На страницу Пред.  1, 2
Следующая тема · Предыдущая тема
АвторСообщение
Япондоч 
Бывалый
Сообщения: 92
Япондоч
 
Сообщение #21 От 09/02/2013 22:40 цитата  

alexander83 писал:
С вами с удовольствием!!!

Вот и ладно , а то мастер клиент не все ли равно ? Главное человек хороший !
alexander83 
Новичок
Сообщения: 11
 
Сообщение #22 От 12/02/2013 14:11 цитата  

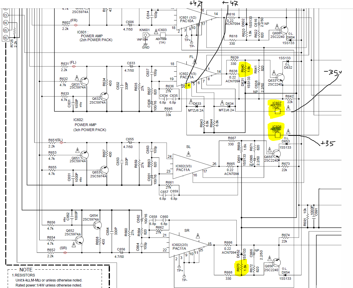
сгорели керамические предохранители IC706 и IC797
непонятно откуда там 47 v ?
R670 и R640 греются

Снимок.PNG
 Описание:
 Размер файла:  223.31 КБ
 Просмотрено:  425 раз(а)

Снимок.PNG


alexander83 
Новичок
Сообщения: 11
 
Сообщение #23 От 14/02/2013 15:19 цитата  

ну вот вроде бы разобрался! на средней точке конденсаторов в питающей цепи не было массы , болты все закручивал! на схеме явно видно соединение с корпусом но на плате его нет! по этому я кинул просто провод .восстановил предохранители проволокой IC607 и IC606 после этого усилок начал выкидывать ошибку amp err, выпаял PAC11A явно проблема в нем! усилок работает на 2-х каналах найду PAC11A напишу!
alexander83 
Новичок
Сообщения: 11
 
Сообщение #24 От 11/03/2013 14:10 цитата  

PAC11A купил не ebay 12 баксов , все работает прекрасно! всем спасибо!

Перейти: 
Следующая тема · Предыдущая тема
На страницу Пред.  1, 2
Показать/скрыть Ваши права в разделе

Интересное от ESpec


Другие темы раздела Нарушения правил

1
111
412
67
67
99
zzz


Rambler's Top100 Рейтинг@Mail.ru liveinternet.ru